Quindi il risultato è , come scritto in precedenza da te, 0 per generatore equivalente e 0 per la resistenza equivalente...
Che sfortuna di esercizio per capire come funzionano le equivalenze di Thevenine Norton con generatori pilotati.
Ora faccio lo schema di un altro così. se puoi, mi spieghi meglio come funzionano sti metodi.
Grazie mille per il momento.
Risoluzione Thevenin con generatore Pilotato.
Moderatori:
g.schgor,
IsidoroKZ
0
voti
Avevo già letto quest'articolo ma non l'ho trovato poi così tanto esaustivo.
Grazie delle risposte e della segnalazione.
Ciao.
Grazie delle risposte e della segnalazione.
Ciao.
0
voti
mare009 ha scritto:Che sfortuna di esercizio per capire come funzionano le equivalenze di Thevenin e Norton con generatori pilotati.
è l'esercizio più semplice con il quale tu possa cominciare
0
voti
Allora proviamo a vedere se ho capito.
Questo esercizio dovrebbe essere più complicato.
Grazie in anticipo.
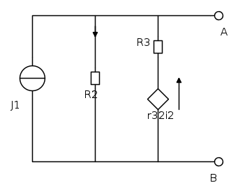
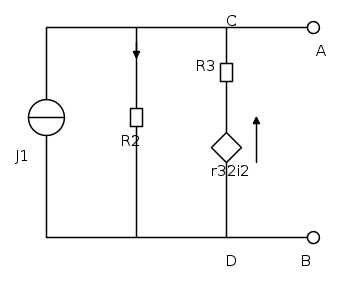
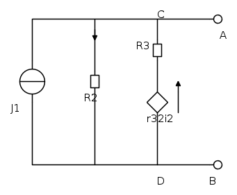
i dati sono: R3=10 R2=20 r32=10 J=10
Trovare equivalente di Norton ai morsetti A-B
1. Spengo il generatore di corrente ideale. Aggiungo un generatore di tensione ai morsetti A-B da 1V e metto a terra il nodo D, indico con ix la corrente del generatore eq. di Norton.
2. Calcolo i2 come i2=Uc-Ud/R2 quindi i2=Uc/R2
3. Calcolo i3 come i3=(Uc-Ud/R3)+r32i2 quindi i3=(Uc/R3)+r32i2
4. Essendo che Uc-Ud=1V(perché è la tensione che ho deciso di applicare ai morsetti A-B con il generatore da me applicato al punto 1) Uc è uguale a 1.... sostituendo trovo i2=1/20 i3=2/10 quindi ix (data dall'equazione al nodo C i2+i3=ix) è uguale a 1/4.
5.La conduttanza (inverso della resistenza) di Norton è uguale a 1/4 (la resistenza è data da R=1V/ix)
In cosa sbaglio???
Questo esercizio dovrebbe essere più complicato.
Grazie in anticipo.
i dati sono: R3=10 R2=20 r32=10 J=10
Trovare equivalente di Norton ai morsetti A-B
1. Spengo il generatore di corrente ideale. Aggiungo un generatore di tensione ai morsetti A-B da 1V e metto a terra il nodo D, indico con ix la corrente del generatore eq. di Norton.
2. Calcolo i2 come i2=Uc-Ud/R2 quindi i2=Uc/R2
3. Calcolo i3 come i3=(Uc-Ud/R3)+r32i2 quindi i3=(Uc/R3)+r32i2
4. Essendo che Uc-Ud=1V(perché è la tensione che ho deciso di applicare ai morsetti A-B con il generatore da me applicato al punto 1) Uc è uguale a 1.... sostituendo trovo i2=1/20 i3=2/10 quindi ix (data dall'equazione al nodo C i2+i3=ix) è uguale a 1/4.
5.La conduttanza (inverso della resistenza) di Norton è uguale a 1/4 (la resistenza è data da R=1V/ix)
In cosa sbaglio???
0
voti
mare009 ha scritto:[..]
In cosa sbaglio???
Non si capisce che sia D.
Non si capisce cosa siano Uc ed Ud
La 3 è un'assurdità dimensionale
Le formule vanno scritte con LaTeX
0
voti
Scusatemi, riprovo.
Uc e Uv sono i potenziali del nodo C e del nodo V.
MI spieghi l'aborro che ho fatto al punto 3.
Ora vi riscrivo le formule con Latex (ma esistono editor in cui metti la formula e te la converte?? o devo fare tutto a mano???).
Uc e Uv sono i potenziali del nodo C e del nodo V.
MI spieghi l'aborro che ho fatto al punto 3.
Ora vi riscrivo le formule con Latex (ma esistono editor in cui metti la formula e te la converte?? o devo fare tutto a mano???).
1
voti
Di solito con erre si indica una resistenza, quindi r32I2 rappresenta una tensione che non può essere sommata ad una corrente. Se poi invece per te rappresenta un numero adimensionale, dovresti almeno mettere le unità di misura in ohm alle Resistenze. Inoltre per far capire che si tratta di un generatore di corrente pilotato e non di tensione, devi usare un simbolo circuitale corretto. Insomma bisogna fare il meno di confusione possibile nel porre le proprie domande e non sperare o pretendere che chi legge debba interpretare cosa tu avessi in testa. Tanto per cambiare: cosa sarebbe il nodo V?
0
voti
1. Spengo il generatore di corrente ideale. Aggiungo un generatore di tensione ai morsetti A-B da 1V e metto a terra il nodo D, indico con ix la corrente del generatore eq. di Norton.
2. Calcolo i2 come
quindi 
3. Calcolo i3 come
quindi
(avendo messo Ud a 0)
4. Essendo che
(perché è la tensione che ho deciso di applicare ai morsetti A-B con il generatore da me applicato al punto 1) Uc è uguale a 1.... sostituendo trovo
quindi ix (data dall'equazione al nodo C
) è uguale a 1/4.
5.La conduttanza (inverso della resistenza) di Norton è uguale a 1/4 (la resistenza è data da
)
2. Calcolo i2 come
quindi 
3. Calcolo i3 come
quindi
(avendo messo Ud a 0)4. Essendo che
(perché è la tensione che ho deciso di applicare ai morsetti A-B con il generatore da me applicato al punto 1) Uc è uguale a 1.... sostituendo trovo
quindi ix (data dall'equazione al nodo C
) è uguale a 1/4.5.La conduttanza (inverso della resistenza) di Norton è uguale a 1/4 (la resistenza è data da
)0
voti
admin ha scritto:Di solito con erre si indica una resistenza, quindi r32I2 rappresenta una tensione che non può essere sommata ad una corrente. Se poi invece per te rappresenta un numero adimensionale, dovresti almeno mettere le unità di misura in ohm alle Resistenze. Inoltre per far capire che si tratta di un generatore di corrente pilotato e non di tensione, devi usare un simbolo circuitale corretto. Insomma bisogna fare il meno di confusione possibile nel porre le proprie domande e non sperare o pretendere che chi legge debba interpretare cosa tu avessi in testa. Tanto per cambiare: cosa sarebbe il nodo V?
Non ho trovato nella mia versione il generatore pilotato di corrente .
indica come è pilotato il generatore credo cioè pilotato dalla corrente i2.Gli schemi che mi hanno dato sono questi, l'unica cosa che ho saltato è che all'interno del generatore pilotato ci sono i segni + e -.
Ritorno a dire che non sono riuscito a trovare in fidocadj i generatori controllati(pilotati)
Torna a Elettrotecnica generale
Chi c’è in linea
Visitano il forum: Nessuno e 23 ospiti

Elettrotecnica e non solo (admin)
Un gatto tra gli elettroni (IsidoroKZ)
Esperienza e simulazioni (g.schgor)
Moleskine di un idraulico (RenzoDF)
Il Blog di ElectroYou (webmaster)
Idee microcontrollate (TardoFreak)
PICcoli grandi PICMicro (Paolino)
Il blog elettrico di carloc (carloc)
DirtEYblooog (dirtydeeds)
Di tutto... un po' (jordan20)
AK47 (lillo)
Esperienze elettroniche (marco438)
Telecomunicazioni musicali (clavicordo)
Automazione ed Elettronica (gustavo)
Direttive per la sicurezza (ErnestoCappelletti)
EYnfo dall'Alaska (mir)
Apriamo il quadro! (attilio)
H7-25 (asdf)
Passione Elettrica (massimob)
Elettroni a spasso (guidob)
Bloguerra (guerra)





