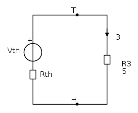
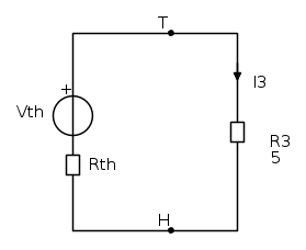
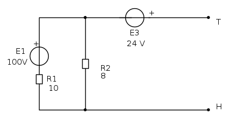
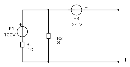
ludojjj ha scritto: ... Le mie incognite erano...Apllicando Thevenin trovare il valore dell I3.
Guerra ha scritto:... Ho risolto il tuo esercizio ...
Scusa
Moderatori:
g.schgor,
IsidoroKZ
ludojjj ha scritto: ... Le mie incognite erano...Apllicando Thevenin trovare il valore dell I3.
Guerra ha scritto:... Ho risolto il tuo esercizio ...
RenzoDF ha scritto:il modo più corretto
Guerra ha scritto:...Intendi dire che è più corretto perché I3 è l'incognita (lo sono anche I2 e I1) ed e quindi questa da evidenziare?
... Apllicando Thevenin trovare il valore dell I3. Successavimente trova la Vab e calcola I1 e I2.
Guerra ha scritto: ... non ho controllato i suoi calcoli, ma da quanto dice commette un errore nel calcolo, in quanto la somma delle correnti trovate non coincide...
(... BTW per i dati basta usare un ; finale per non riceverne l'echo)Guerra ha scritto:...Io semplicemente considero il circuito equivalente con entrambi i generatori "inglobati" nel generatore equivalente.
Guerra ha scritto:... Il risultato di I3 deve essere lo stesso però.






RenzoDF ha scritto:Ne manca ancora uno.


PietroBaima ha scritto:RenzoDF ha scritto:Ne manca ancora uno.
Sarà mica l'egiziano ???
RenzoDF ha scritto:Nel circuito equivalente si può "inglobare"" quello che si vuole
RenzoDF ha scritto:Io lo interpreto come vincolante solo per la I3 "via Thevenin", mentre quel "successivamente" sta chiaramente ad indicare che per la I1 e la I2 non c'è nessun vincolo metodologico

Torna a Elettrotecnica generale
Visitano il forum: Nessuno e 50 ospiti