![\[\begin{array}{l}
B \to {i_3} - {i_{{R_4}}} - {i_{{R_3}}} = 0\\
C \to {i_{{R_5}}} + {I_2} + {i_{{R_2}}} + {i_{{R_4}}} + {i_{{R_6}}} - {I_3} = 0\\
D \to {I_2} + {i_R}_{_5} + (?) = 0\\
E \to {i_{{R_1}}} - {i_{{R_5}}} - {i_{{R_6}}} - {I_1} = 0
\end{array}\] \[\begin{array}{l}
B \to {i_3} - {i_{{R_4}}} - {i_{{R_3}}} = 0\\
C \to {i_{{R_5}}} + {I_2} + {i_{{R_2}}} + {i_{{R_4}}} + {i_{{R_6}}} - {I_3} = 0\\
D \to {I_2} + {i_R}_{_5} + (?) = 0\\
E \to {i_{{R_1}}} - {i_{{R_5}}} - {i_{{R_6}}} - {I_1} = 0
\end{array}\]](/forum/latexrender/pictures/375579034795096a580ad5b0a1c72000.png)
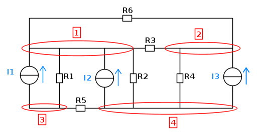
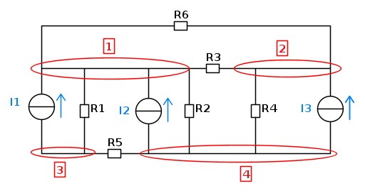
Mi viene il dubbio adesso al nodo D
Moderatori:
g.schgor,
IsidoroKZ
Fabio992 ha scritto:Intendi che C e D sono lo stesso nodo?


rusty ha scritto:Ridisegnando ho trovato 4 nodi, scegli un nodo di riferimento e riscrivi le equazioni![]()
[...]
michelephoenix ha scritto:Emilio93 per questo circuito, visto che sono presenti solo generatori indipendenti di corrente, puoi utilizzare il metodo della matrice delle conduttanze, ovvero per ispezione diretta del circuito, l'avete mai utilizzato?

solo che mi sà che lo chiamiamo in modo diverso 



Torna a Elettrotecnica generale
Visitano il forum: Nessuno e 7 ospiti