equazioni per le correnti e
equazioni per le tensioni (con
il numero di rami e
il numero di nodi); prova rivedere quello che hai scritto
Moderatori:
g.schgor,
IsidoroKZ
equazioni per le correnti e
equazioni per le tensioni (con
il numero di rami e
il numero di nodi); prova rivedere quello che hai scritto
e
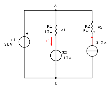
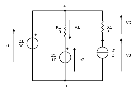
.Quindi posso scrivere due equazioni per le tensioni e una per la corrente. Devo usare allora anche le equazioni costitutive? 

dove
ma nella soluzione è con il segno negativo. Come faccio a capire che verso dare alla corrente
?


Giovanni96 ha scritto:dove
ma nella soluzione è con il segno negativo. Come faccio a capire che verso dare alla corrente
?
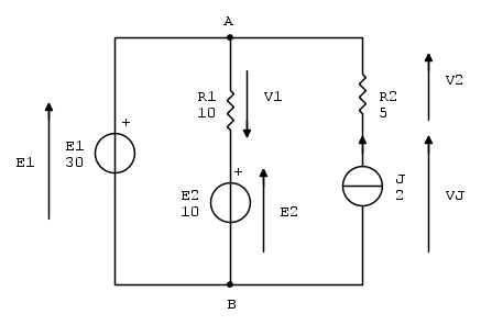
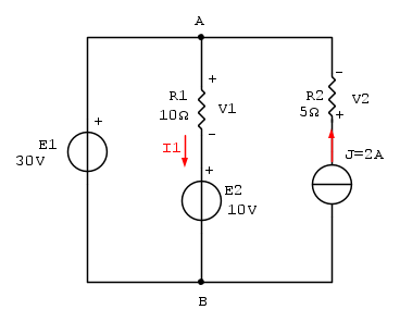
nello schema che ti ho disegnato noterai che ho rovesciato il verso di V2, tensione su R2, utilizzando la convenzione dell'utilizzatore e considerando la corrente J entrante nel punto a tensione maggiore.
per trovare la tensione su R2 quindi basta applicare la legge di Ohm.


Giovanni96 ha scritto:Grazie non mi ero reso conto dell'errore sulla convenzione dell'utilizzatore.


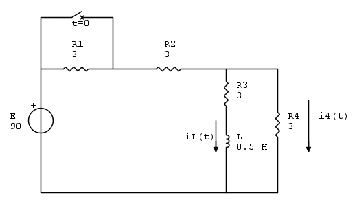
e di
per t>0.
e
per t<0. Con corrente costante ho considerato il comportamento dell'induttore come un cortocircuito.
.
e
.
ma ho due incognite e non so cosa fare?





ma non ne sono sicuro.

.
come condizione iniziale.
dove con
ho indicato il limite di x per
. Se si usa questa formula il procedimento si riduce a tre passi:
, quasi sempre serve usare la continuità delle variabili di stato per calcolare questo valore.
, a transitorio esaurito.Torna a Elettrotecnica generale
Visitano il forum: Nessuno e 29 ospiti