IsidoroKZ ha scritto:Proverei con la sovrapposizione degli effetti, un po' lungo ma conti facili.
Grazie, anche io stavo tentando con la sovrapposizione degli effetti, ma non ci sono riuscito.
Ora osserverò la procedura da te esposta.
Moderatori:
g.schgor,
IsidoroKZ
IsidoroKZ ha scritto:Proverei con la sovrapposizione degli effetti, un po' lungo ma conti facili.

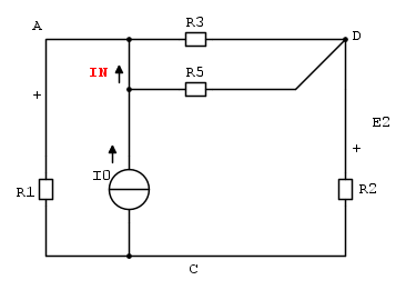
, non dovrebbe essere nulla la
indicata in figura?
Scusate ho modificato il post precedente perché avevo sbagliato figura
a vuoto e calcolare il generatore di Norton come
con Millman quindi 
con la sovrapposizione degli effetti:

è il contributo dovuto ai due generatori di tensione. Poi:
, ma questo perché A e B sono uniti da cortocircuito?








ha verso opposto da quello indicato in figura. Sommando i due contributi:
.

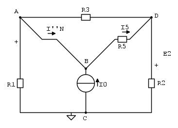
IsidoroKZ ha scritto:Quando dici che "questo schema e` equivalente a quello precedente" NON E` VERO! I due schemi sono equivalenti SOLO per quanto riguarda le tensioni VA e VD, per il resto sono circuiti diversi, tante` vero che il nodo B non si sa dove sia finito e anche la corrente I4 non c'e` piu` inquello schema.


Torna a Elettrotecnica generale
Visitano il forum: Nessuno e 76 ospiti