I versi delle correnti e le polarità delle tensioni devono sempre essere assegnati prima di iniziare i calcoli. Come fai a ricordarteli quando inizi a scrivere più di due-tre equazioni?
Non sono optional.
Scrivi correttamente gli apici e i pedici: in quel modo induci e puoi indurti in errore.
Circuito Dinamico del secondo ordine
Moderatori:
g.schgor,
IsidoroKZ
18 messaggi
• Pagina 2 di 2 • 1, 2
0
voti
Il Conte di Montecristo
Se non studio un giorno, me ne accorgo io. Se non studio due giorni, se ne accorge il pubblico.
Io devo studiare sodo e preparare me stesso perché prima o poi verrà il mio momento.
Abraham Lincoln
Se non studio un giorno, me ne accorgo io. Se non studio due giorni, se ne accorge il pubblico.
Io devo studiare sodo e preparare me stesso perché prima o poi verrà il mio momento.
Abraham Lincoln
-

EdmondDantes
11,9k 8 11 13 - Disattivato su sua richiesta
- Messaggi: 3619
- Iscritto il: 25 lug 2009, 22:18
- Località: Marsiglia
0
voti
Ammettiamo per ipotesi che nell'induttore fosse presente la corrente da te calcolata nel post [1]. Mi spieghi come fai ad assegnare al condensatore la stessa tensione ai capi di R3 (in quel caso)?
Il Conte di Montecristo
Se non studio un giorno, me ne accorgo io. Se non studio due giorni, se ne accorge il pubblico.
Io devo studiare sodo e preparare me stesso perché prima o poi verrà il mio momento.
Abraham Lincoln
Se non studio un giorno, me ne accorgo io. Se non studio due giorni, se ne accorge il pubblico.
Io devo studiare sodo e preparare me stesso perché prima o poi verrà il mio momento.
Abraham Lincoln
-

EdmondDantes
11,9k 8 11 13 - Disattivato su sua richiesta
- Messaggi: 3619
- Iscritto il: 25 lug 2009, 22:18
- Località: Marsiglia
0
voti
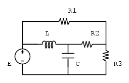
Ma quindi invece, in questo circuito
che in regime stazionario corrisponde a questo
si ha




che in regime stazionario corrisponde a questo
si ha




-

bennystefa
20 3 - Messaggi: 35
- Iscritto il: 15 giu 2018, 11:05
0
voti
bennystefa ha scritto:
Hai tolto il condensatore e riesci a misurare una corrente stazionaria sul condensatore
1
voti
Intendi cosi:



PS: Ho visto meglio ciò che hai scritto e va bene..



PS: Ho visto meglio ciò che hai scritto e va bene..
0
voti
. Fra un mese ti ricordi o dovrai metterti a cercare quei nodi?Lo schema va disegnato con tutte le informazioni necessarie: nominare i nodi, nominare con nomi diversi i singoli componenti (anche quelli identici), riportare le tensioni con polarita', versi delle correnti e cosi' via.
Scrivi bene i pedici.
e non V12...iL che significa? i per L o cosa? Devi fare attenzione anche a queste cose.
Il Conte di Montecristo
Se non studio un giorno, me ne accorgo io. Se non studio due giorni, se ne accorge il pubblico.
Io devo studiare sodo e preparare me stesso perché prima o poi verrà il mio momento.
Abraham Lincoln
Se non studio un giorno, me ne accorgo io. Se non studio due giorni, se ne accorge il pubblico.
Io devo studiare sodo e preparare me stesso perché prima o poi verrà il mio momento.
Abraham Lincoln
-

EdmondDantes
11,9k 8 11 13 - Disattivato su sua richiesta
- Messaggi: 3619
- Iscritto il: 25 lug 2009, 22:18
- Località: Marsiglia
0
voti
Hai ragione, alcune delle cose le dó per scontate, forse anche per questo faccio spesso confusione
nei prossimi esercizi faró più attenzione
-

bennystefa
20 3 - Messaggi: 35
- Iscritto il: 15 giu 2018, 11:05
18 messaggi
• Pagina 2 di 2 • 1, 2
Torna a Elettrotecnica generale
Chi c’è in linea
Visitano il forum: Nessuno e 94 ospiti

Elettrotecnica e non solo (admin)
Un gatto tra gli elettroni (IsidoroKZ)
Esperienza e simulazioni (g.schgor)
Moleskine di un idraulico (RenzoDF)
Il Blog di ElectroYou (webmaster)
Idee microcontrollate (TardoFreak)
PICcoli grandi PICMicro (Paolino)
Il blog elettrico di carloc (carloc)
DirtEYblooog (dirtydeeds)
Di tutto... un po' (jordan20)
AK47 (lillo)
Esperienze elettroniche (marco438)
Telecomunicazioni musicali (clavicordo)
Automazione ed Elettronica (gustavo)
Direttive per la sicurezza (ErnestoCappelletti)
EYnfo dall'Alaska (mir)
Apriamo il quadro! (attilio)
H7-25 (asdf)
Passione Elettrica (massimob)
Elettroni a spasso (guidob)
Bloguerra (guerra)


