A me risultano nel tuo ordine: 8, -6, 2, 1.
Ma se posti le due equazioni costitutive che ottieni con i due GIT controllo, potrei aver sbagliato io.
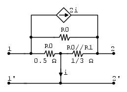
Doppio Bipolo puramente resistivo
Moderatori:
g.schgor,
IsidoroKZ
36 messaggi
• Pagina 2 di 4 • 1, 2, 3, 4
0
voti
Vai tranquillo non ho fretta, anzi grazie davvero!
-

MrEngineer
144 1 7 - Frequentatore

- Messaggi: 190
- Iscritto il: 18 mag 2019, 12:02
0
voti
Allora c'è qualche errore di cui non mi sono reso conto
Dammi un po di tempo e posto il necessario. Al momento sono uscito per procurarmi la cena
Dammi un po di tempo e posto il necessario. Al momento sono uscito per procurarmi la cena
-

MrEngineer
144 1 7 - Frequentatore

- Messaggi: 190
- Iscritto il: 18 mag 2019, 12:02
0
voti
Partiamo subito dal fatto che io ho esordito facendo la seguente trasformazione:
Ho inteso i due resistori sulla destra come fossero in parallelo. E' un errore o è corretto?
Ho inteso i due resistori sulla destra come fossero in parallelo. E' un errore o è corretto?
-

MrEngineer
144 1 7 - Frequentatore

- Messaggi: 190
- Iscritto il: 18 mag 2019, 12:02
2
voti
E' un errore, in quel modo vai a cambiare la grandezza pilota (la
), e quindi la rete non è equivalente a quella data.
Hai provato a seguire il mio consiglio senza cambiare nulla nella rete?
), e quindi la rete non è equivalente a quella data.Hai provato a seguire il mio consiglio senza cambiare nulla nella rete?
"Il circuito ha sempre ragione" (Luigi Malesani)
0
voti
Pensavo si potesse fare, essendo tutti i nodi di sinistra collegati da un cortocircuito avevo interpretato che i due resistori fossero in parallelo. Ma esattamente, perché si incappa in errore?
-

MrEngineer
144 1 7 - Frequentatore

- Messaggi: 190
- Iscritto il: 18 mag 2019, 12:02
2
voti
MrEngineer ha scritto:...Ma esattamente, perché si incappa in errore?
Perché in quel modo la corrente che attraversa il parallelo è diversa da quella che attraversava R0 e scendeva nel ramo centrale, di conseguenza la corrente
cambia rispetto a prima.Hai dato un occhio alle due equazioni costitutive che ho scritto?
"Il circuito ha sempre ragione" (Luigi Malesani)
0
voti
Allora devo rivedere tutto. Magari domani con più calma rivedo l'esercizio che doveva essere banale. Ho svolto i sinusoidali e mi perdo in una rete con due resistori...... comunque grazie Renzo, a mente più fresca rifaccio tutto da zero e metto i due generatori direttamente alle due porte
-

MrEngineer
144 1 7 - Frequentatore

- Messaggi: 190
- Iscritto il: 18 mag 2019, 12:02
36 messaggi
• Pagina 2 di 4 • 1, 2, 3, 4
Torna a Elettrotecnica generale
Chi c’è in linea
Visitano il forum: Google Adsense [Bot] e 81 ospiti

Elettrotecnica e non solo (admin)
Un gatto tra gli elettroni (IsidoroKZ)
Esperienza e simulazioni (g.schgor)
Moleskine di un idraulico (RenzoDF)
Il Blog di ElectroYou (webmaster)
Idee microcontrollate (TardoFreak)
PICcoli grandi PICMicro (Paolino)
Il blog elettrico di carloc (carloc)
DirtEYblooog (dirtydeeds)
Di tutto... un po' (jordan20)
AK47 (lillo)
Esperienze elettroniche (marco438)
Telecomunicazioni musicali (clavicordo)
Automazione ed Elettronica (gustavo)
Direttive per la sicurezza (ErnestoCappelletti)
EYnfo dall'Alaska (mir)
Apriamo il quadro! (attilio)
H7-25 (asdf)
Passione Elettrica (massimob)
Elettroni a spasso (guidob)
Bloguerra (guerra)




