Cos'è ElectroYou | Login Iscriviti

ElectroYou - la comunità dei professionisti del mondo elettrico

Alimentazione rete - inverter in camper

Circuiti, campi elettromagnetici e teoria delle linee di trasmissione e distribuzione dell’energia elettrica

Moderatori: Foto Utenteg.schgor, Foto UtenteIsidoroKZ

0
voti

[11] Re: Alimentazione rete - inverter in camper

Messaggioda Foto UtenteGioArca67 » 18 ago 2022, 14:50

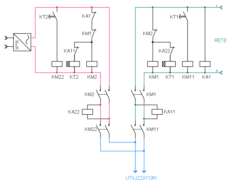
nicsergio ha scritto:se ho capito bene intendi così

Sì, anche a questo punto gli interblocchi meccanici non servono più.

nicsergio ha scritto:la CEI 0-21

Avatar utente
Foto UtenteGioArca67
4.585 4 6 9
Master EY
Master EY
 
Messaggi: 4593
Iscritto il: 12 mar 2021, 9:36

1
voti

[12] Re: Alimentazione rete - inverter in camper

Messaggioda Foto UtenteEtemenanki » 18 ago 2022, 14:53

nicsergio ha scritto:Non ho mai sentito parlare di sistemi anti-incollaggio ...


No, non "anti incollaggio", non credo sia possibile evitare gli incollaggi "a prescindere", ma contatti ad apertura forzata, o in alternativa contatti guidati di sicurezza.

Ora non ricordo a mente quali marche e modelli di teleruttori usavamo per i motori quasi 20 anni fa, ma avendone smontati parecchi, posso cercare di descriverli ... a spanne, i contatti erano mossi da un gruppo abbastanza pesante e dotato di una molla piuttosto robusta, ed inoltre la geometria dei supporti garantiva che il contatto stesso fosse spinto sui contatti fissi da delle molle indipendenti in chiusura, mentre in apertura andava in appoggio direttamente sulla parte isolante del supporto quando il gruppo ancora/supporto era ancora a meta' corsa (lo stesso succedeva per i contatti NC, solo che le molle erano invertite).

In questo modo, in caso di incollaggio di un contatto, si avevano due azioni in fase di apertura, per prima cosa la massa di ancora e supporto dava una "botta" al contatto mobile in fase di apertura, forzandone il distacco se si era verificato un'incollaggio debole o solo parziale, mentre se l'incollaggio era totale (contatti proprio fusi insieme in modo completo) il gruppo ancora/supporti si fermava, impedendo ai contatti NC di chiudersi (lo stesso discorso valeva per i contatti NC in fase di attrazione, se erano incollati poco l'azionamento del gruppo li apriva in modo forzato, se non si scollavano, l'ancora si fermava a meta' corsa impedendo la chiusura degli NC).
"Sopravvivere" e' attualmente l'unico lusso che la maggior parte dei Cittadini italiani,
sia pure a costo di enormi sacrifici, riesce ancora a permettersi.
Avatar utente
Foto UtenteEtemenanki
9.527 3 6 10
Master
Master
 
Messaggi: 5950
Iscritto il: 2 apr 2021, 23:42
Località: Dalle parti di un grande lago ... :)

0
voti

[13] Re: Alimentazione rete - inverter in camper

Messaggioda Foto Utentenicsergio » 19 ago 2022, 13:36

GioArca67 ha scritto:
nicsergio ha scritto:se ho capito bene intendi così

Sì, anche a questo punto gli interblocchi meccanici non servono più.


Ok, nel caso si volessero inserire i ritardi lo schema diventerebbe così:



Etemenanki ha scritto:Ora non ricordo a mente quali marche e modelli di teleruttori usavamo per i motori quasi 20 anni fa..


Mi hai fatto venire voglia di smontarne uno di quelli attuali quando torno a lavoro, l'ultimo che ho aperto risale ad almeno 15 anni fa, ricordo anch'io la robusta molla antagonista e le piccole molle indipendenti per ogni contatto che agivano in chiusura (per i contatti NO), mentre l'azione di apertura avveniva con una certa "durezza", non ho mai verificato che se uno dei contatti di potenza fosse rimasto incollato, gli ausiliari NC non andassero a chiudere.
Avatar utente
Foto Utentenicsergio
4.701 3 9 13
Master
Master
 
Messaggi: 938
Iscritto il: 1 gen 2020, 16:42

0
voti

[14] Re: Alimentazione rete - inverter in camper

Messaggioda Foto Utentespeedyant » 25 ago 2022, 19:14

I camper nuovi "dovrebbero" avere gli impianti già abbastanza evoluti per permettere una gestione molto granulare delle "energie" disponibili.
In quelli vintage, "ho fatto cose che voi umani non potreste immaginare"!
(In realtà l'elettricista/impiantista dei nostri due camper era mio padre)
Son quello delle domande strane!
Avatar utente
Foto Utentespeedyant
5.093 3 6 8
Master
Master
 
Messaggi: 3879
Iscritto il: 9 lug 2013, 18:29
Località: Torino

Precedente

Torna a Elettrotecnica generale

Chi c’è in linea

Visitano il forum: Nessuno e 86 ospiti