Cos'è ElectroYou | Login Iscriviti

ElectroYou - la comunità dei professionisti del mondo elettrico

Equivalente di Thevenin

Circuiti, campi elettromagnetici e teoria delle linee di trasmissione e distribuzione dell’energia elettrica

Moderatori: Foto Utenteg.schgor, Foto UtenteIsidoroKZ

0
voti

[151] Re: Equivalente di Thevenin

Messaggioda Foto Utentelillo » 25 ott 2012, 10:19


se ti va, fumati questo...
PS: certo che ieri vi siete spaccati... :lol:
Avatar utente
Foto Utentelillo
20,5k 7 12 13
G.Master EY
G.Master EY
 
Messaggi: 4176
Iscritto il: 25 nov 2010, 11:30
Località: Nuovo Mondo

0
voti

[152] Re: Equivalente di Thevenin

Messaggioda Foto UtenteVicar1992 » 25 ott 2012, 10:33

Ahahah



the result is 2R!
Avatar utente
Foto UtenteVicar1992
37 4
New entry
New entry
 
Messaggi: 81
Iscritto il: 23 ott 2012, 17:28

1
voti

[153] Re: Equivalente di Thevenin

Messaggioda Foto Utentelillo » 25 ott 2012, 10:42

:D
si il risultato è giusto, ma voglio farti notare una cosa:

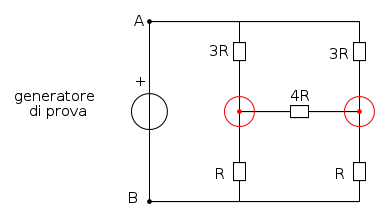
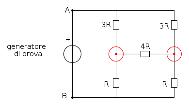
con il metodo del generatore, ti saresti accorto che i punti nei cerchi rossi.....sono allo stesso potenziale, quindi la 4R va a farsi benedire:

e il risultato è sempre 2R... quanti conti avresti risparmiato :?:
quando faccio un esame il mio obiettivo è sempre uno...fare meno conti possibile, perché meno calcoli fai, e meno si rischia di sbagliare :!:
Avatar utente
Foto Utentelillo
20,5k 7 12 13
G.Master EY
G.Master EY
 
Messaggi: 4176
Iscritto il: 25 nov 2010, 11:30
Località: Nuovo Mondo

0
voti

[154] Re: Equivalente di Thevenin

Messaggioda Foto UtentePietroBaima » 25 ott 2012, 10:43

Vicar1992 ha scritto:the result is 2R!


Eccomi... devo fare alcune cose urgenti anche stamattina. Ci vediamo tra mezz'ora circa.
Nel frattempo, se Foto Utentelillo vuole, naturalmente, potrebbe seguirti un po'. E' molto più bravo di me!
Generatore codice per articoli:
nomi
Sul forum:
[pigreco]=π
[ohm]=Ω
[quadrato]=²
[cubo]=³
Avatar utente
Foto UtentePietroBaima
90,7k 7 12 13
G.Master EY
G.Master EY
 
Messaggi: 12206
Iscritto il: 12 ago 2012, 1:20
Località: Londra

0
voti

[155] Re: Equivalente di Thevenin

Messaggioda Foto Utentelillo » 25 ott 2012, 10:44

ragazzi perdonatemi, ma al massimo dopo, la stabilità dei sistemi di potenza non si studierà mica sola :lol:
Avatar utente
Foto Utentelillo
20,5k 7 12 13
G.Master EY
G.Master EY
 
Messaggi: 4176
Iscritto il: 25 nov 2010, 11:30
Località: Nuovo Mondo

0
voti

[156] Re: Equivalente di Thevenin

Messaggioda Foto UtenteVicar1992 » 25 ott 2012, 10:46

Hai ragione lillo, ma nei due punti rossi come fai a capire che sono allo stesso potenziale?

tranquilli, quando potete ;)
Avatar utente
Foto UtenteVicar1992
37 4
New entry
New entry
 
Messaggi: 81
Iscritto il: 23 ott 2012, 17:28

0
voti

[157] Re: Equivalente di Thevenin

Messaggioda Foto Utentelillo » 25 ott 2012, 10:50

fa una cosa, ti dovrebbe essere utile anche come esercizio:
metti a quel generatore un valore di 10 V, e considera R=1Ω,
fa due conti, e saprai dirmi. quando avrai occhio, non avrai più bisogni di farti i due conti, per capire che due punti sono allo stesso potenziale.
Avatar utente
Foto Utentelillo
20,5k 7 12 13
G.Master EY
G.Master EY
 
Messaggi: 4176
Iscritto il: 25 nov 2010, 11:30
Località: Nuovo Mondo

0
voti

[158] Re: Equivalente di Thevenin

Messaggioda Foto UtenteVicar1992 » 25 ott 2012, 10:54

Forse ho capito, il motivo è perché la ddp ai capi di 3R (quella a sinistra) e 3R (quella a destra) è lo stesso in quanto non ci sono cadute di tensione prima di essi. Giusto?
Avatar utente
Foto UtenteVicar1992
37 4
New entry
New entry
 
Messaggi: 81
Iscritto il: 23 ott 2012, 17:28

0
voti

[159] Re: Equivalente di Thevenin

Messaggioda Foto Utentelillo » 25 ott 2012, 11:00

no. al massimo su entrambe le 3R vi sarà la stessa caduta di potenziale... mettici i numeri, e risolvilo, ti sarà tutto più chiaro.
Avatar utente
Foto Utentelillo
20,5k 7 12 13
G.Master EY
G.Master EY
 
Messaggi: 4176
Iscritto il: 25 nov 2010, 11:30
Località: Nuovo Mondo

0
voti

[160] Re: Equivalente di Thevenin

Messaggioda Foto UtenteVicar1992 » 25 ott 2012, 11:57

Sisi, ma quando me lo hai fatto notare avevo capito però inizialmente non l'avevo visto questo particolare :ok:
Avatar utente
Foto UtenteVicar1992
37 4
New entry
New entry
 
Messaggi: 81
Iscritto il: 23 ott 2012, 17:28

PrecedenteProssimo

Torna a Elettrotecnica generale

Chi c’è in linea

Visitano il forum: Majestic-12 [Bot] e 85 ospiti