Cos'è ElectroYou | Login Iscriviti

ElectroYou - la comunità dei professionisti del mondo elettrico

Esercizio Trasformatore

Circuiti, campi elettromagnetici e teoria delle linee di trasmissione e distribuzione dell’energia elettrica

Moderatori: Foto Utenteg.schgor, Foto UtenteIsidoroKZ

0
voti

[21] Re: Esercizio Trasformatore

Messaggioda Foto Utentecaniblastoise » 10 feb 2011, 19:08

admin ha scritto:Nell'ultimo schema però hai messo una I_{cc} di troppo: La corrente sull'induttanza non è la corrente del generatore di Norton, ma una sua parte


Chiedo scusa ho sbagliato a chiamare quella corrente ma nei conti originari l'ho fatto il partitore.

RenzoDF ha scritto:calcolando come queste due parti?


Credo di aver capito quello che intendi. comunque per trovare i 2 contributi di L mi hanno insegnato a procedere cosi
L1=L1'+L1"--> M^2=L1" * L2 --> L1"=M^2/L2
Avatar utente
Foto Utentecaniblastoise
5 4
New entry
New entry
 
Messaggi: 71
Iscritto il: 27 giu 2009, 11:14

0
voti

[22] Re: Esercizio Trasformatore

Messaggioda Foto UtenteRenzoDF » 10 feb 2011, 19:16

caniblastoise ha scritto:Credo di aver capito quello che intendi. comunque per trovare i 2 contributi di L mi hanno insegnato a procedere cosi
L1=L1'+L1"--> M^2=L1" * L2 --> L1"=M^2/L2


e il rapporto di trasformazione ? ... casuale ? :-)

mi faresti uno schema FidoCadJ del circuito equivalente con trasformatore ideale ?
"Il circuito ha sempre ragione" (Luigi Malesani)
Avatar utente
Foto UtenteRenzoDF
55,9k 8 12 13
G.Master EY
G.Master EY
 
Messaggi: 13189
Iscritto il: 4 ott 2008, 9:55

0
voti

[23] Re: Esercizio Trasformatore

Messaggioda Foto Utentecaniblastoise » 10 feb 2011, 20:09

il rapporto di trasformazione e t=L1"/M.
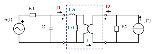
se intendi lo schema dopo questa operazione di sdoppiamento e questo:
Avatar utente
Foto Utentecaniblastoise
5 4
New entry
New entry
 
Messaggi: 71
Iscritto il: 27 giu 2009, 11:14

0
voti

[24] Re: Esercizio Trasformatore

Messaggioda Foto UtenteRenzoDF » 10 feb 2011, 22:38

caniblastoise ha scritto:Credo di aver capito quello che intendi. comunque per trovare i 2 contributi di L mi hanno insegnato a procedere cosi
L1=L1'+L1"--> M^2=L1" * L2 --> L1"=M^2/L2

sulla prima ok, ma sulla seconda, che e' poi uguale alla terza, no in quanto sarebbe valida solo per un accoppiamento perfetto.

caniblastoise ha scritto:il rapporto di trasformazione e t=L1"/M.

fin qui siamo d'accordo, ma ripeto, se l'accoppiamento non e' perfetto c'e' una indeterminazione nella scelta dei parametri

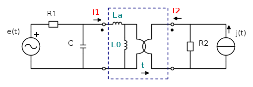
io intendevo questo

"Il circuito ha sempre ragione" (Luigi Malesani)
Avatar utente
Foto UtenteRenzoDF
55,9k 8 12 13
G.Master EY
G.Master EY
 
Messaggi: 13189
Iscritto il: 4 ott 2008, 9:55

0
voti

[25] Re: Esercizio Trasformatore

Messaggioda Foto Utentecaniblastoise » 11 feb 2011, 15:06

Il prof la spiego cosi: quel separare l'impedenza al primario va fatto perché non essendo accoppiamento perfetto parte del flusso non si concatena disperdendosi( sul secondario questo flusso disperso non dovrebbe influire se ho ben capito) quindi per rappresentare questa dispersione basta mettere un impedenza in serie. Facendo questo passaggio si rende l'accoppiamento perfetto e t si calcola col rapporto L1/R ma L1 é solo la parte di impedenza il cui flusso si accoppia perfettamente.
Guarda l'esercizio 2.4:
http://www.elettrotecnica.unina.it/file ... 1-2009.pdf
Avatar utente
Foto Utentecaniblastoise
5 4
New entry
New entry
 
Messaggi: 71
Iscritto il: 27 giu 2009, 11:14

0
voti

[26] Re: Esercizio Trasformatore

Messaggioda Foto UtenteRenzoDF » 11 feb 2011, 15:49

Certo, ma il trasformatore ideale rimane !

In pratica la rappresentazione dell'esercizio deriva da quella che ho precedentemente indicato, nella quale pero' esiste una indeterminazione (viste le tre relazioni e i quattro parametri del circuito equivalente); da una breve analisi si potrebbe verificare che, affinche' il circuito sia "realizzabile" (ovvero con induttori tutti non negativi), la scelta del rapporto di trasformazione verificare la seguente condizione

k\sqrt{\frac{L_{1}}{L_{2}}}\le t\le \frac{1}{k}\sqrt{\frac{L_{1}}{L_{2}}}\quad \to \quad \frac{\left| M \right|}{L_{2}}\le t\le \frac{L_{1}}{\left| M \right|}

che, nei due casi estremi porta o all'annullamento di Lb o di La

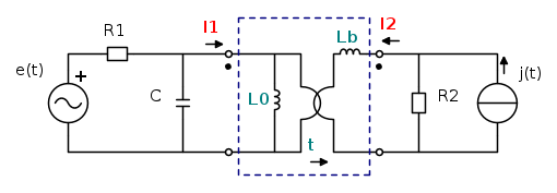
1) Assumendo infatti

t=\frac{\left| M \right|}{L_{2}}

ricordando che

k=\frac{\left| M \right|}{\sqrt{L_{1}L_{2}}}

avremo

\left\{ \begin{align}
  & L_{a}+L_{0}=L_{1}\quad \to \quad L_{a}=L_{1}-L_{0}=L_{1}-\frac{M^{2}}{L_{2}} \\ 
 & \frac{L_{0}}{t}=M\quad \to \quad L_{0}=\frac{M^{2}}{L_{2}} \\ 
 & L_{b}+\frac{L_{0}}{t^{2}}=L_{2}\quad \to \quad L_{b}=L_{2}-\frac{L_{0}}{t^{2}}=0 \\ 
\end{align} \right.

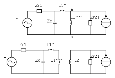
con circuito equivalente


______________________________________________

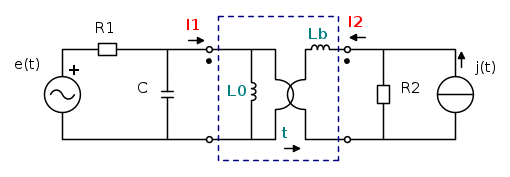
2) Assumendo invece

t=\frac{L_{1}}{\left| M \right|}

avremo

\left\{ \begin{align}
  & L_{a}+L_{0}=L_{1}\quad \to \quad L_{a}=L_{1}-L_{0}=0 \\ 
 & L_{0}=Mt=L_{1} \\ 
 & L_{b}+\frac{L_{0}}{t^{2}}=L_{2}\quad \to \quad L_{b}=L_{2}-\frac{M^{2}}{L_{1}} \\ 
\end{align} \right.

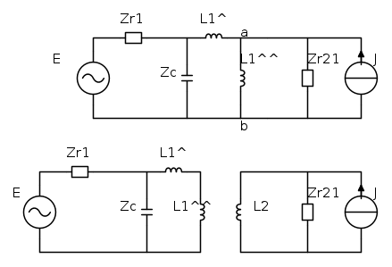
con circuito equivalente


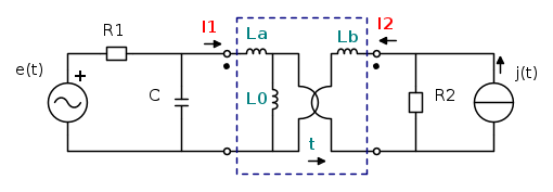
e ritornando al tuo problema iniziale con accoppiamento perfetto, pur potendo eliminare il trasformatore (portando tutto sul lato sinistro) e riducendo di conseguenza il mutuo induttore alla sola L0 , le correnti da considerare saranno sempre e SOLO quelle entranti ai morsetti delle due porte

Non so se mi sono spiegato.
"Il circuito ha sempre ragione" (Luigi Malesani)
Avatar utente
Foto UtenteRenzoDF
55,9k 8 12 13
G.Master EY
G.Master EY
 
Messaggi: 13189
Iscritto il: 4 ott 2008, 9:55

0
voti

[27] Re: Esercizio Trasformatore

Messaggioda Foto Utentecaniblastoise » 11 feb 2011, 21:49

Quindi se ho capito è un caso particolare che la i da me determinata coincida con i1 e i2 giusto?
Avatar utente
Foto Utentecaniblastoise
5 4
New entry
New entry
 
Messaggi: 71
Iscritto il: 27 giu 2009, 11:14

0
voti

[28] Re: Esercizio Trasformatore

Messaggioda Foto UtenteRenzoDF » 11 feb 2011, 21:53

caniblastoise ha scritto:Quindi se ho capito è un caso particolare che la i da me determinata coincida con i1 e i2 giusto?


La i da te determinata è quella che scende in L0 e non coincide ne con i1 ne con i2.

Come al solito NON mi sono spiegato :mrgreen:
"Il circuito ha sempre ragione" (Luigi Malesani)
Avatar utente
Foto UtenteRenzoDF
55,9k 8 12 13
G.Master EY
G.Master EY
 
Messaggi: 13189
Iscritto il: 4 ott 2008, 9:55

0
voti

[29] Re: Esercizio Trasformatore

Messaggioda Foto Utentecaniblastoise » 11 feb 2011, 22:35

Aspè forse mo ci so arrivato. Col mio procedimento ho determinato la i su ab ma formalmente non è quella richiesta.(anche se pero coincide). Giusto?
Avatar utente
Foto Utentecaniblastoise
5 4
New entry
New entry
 
Messaggi: 71
Iscritto il: 27 giu 2009, 11:14

0
voti

[30] Re: Esercizio Trasformatore

Messaggioda Foto UtenteRenzoDF » 11 feb 2011, 22:43

caniblastoise ha scritto:Aspè forse mo ci so arrivato. Col mio procedimento ho determinato la i su ab ma formalmente non è quella richiesta.(anche se pero coincide). Giusto?


Cosa vuol dire "la i su ab" ?, la I non e' SU, e' IN :!:

In che senso coincide ? ... e con chi ? ... :roll:

Riguarda per favore l'ultimo schema che ho postato ... lo vedi quel rettangolo tratteggiato ? ... con la I1 e la I21 entranti ? ... sono quelle le correnti che ti servono !
"Il circuito ha sempre ragione" (Luigi Malesani)
Avatar utente
Foto UtenteRenzoDF
55,9k 8 12 13
G.Master EY
G.Master EY
 
Messaggi: 13189
Iscritto il: 4 ott 2008, 9:55

PrecedenteProssimo

Torna a Elettrotecnica generale

Chi c’è in linea

Visitano il forum: Nessuno e 24 ospiti