
mutui accoppiamenti: trasformazione a "t" e a "pi greco"
Moderatori:
g.schgor,
IsidoroKZ
0
voti
Mi sa che sono ancora troppo basse quelle riluttanze 
... mi chiedo .... ma che ci sia flusso disperso in quel circuito magnetico ?
BTW ... ma dimmi, conosci
tipu91 ?
... mi chiedo .... ma che ci sia flusso disperso in quel circuito magnetico ?

BTW ... ma dimmi, conosci
"Il circuito ha sempre ragione" (Luigi Malesani)
0
voti
L'ho conosciuto oggi qua sul forum anche se sicuramente in facoltà lo avrò visto!ultimamente per altri motivi sono poco a Pisa! comunque Grazie a volte mi perdo in cose assurde!
0
voti
Pando ha scritto:... comunque Grazie a volte mi perdo in cose assurde!
Quindi in definitiva ... queste riluttanza quanto valgono? ... e che ci sia o no flusso disperso in quel toro?
BTW ...salutami Pisa e Rizzo se lo incontri.
Un'ultima cosa, se esce una soluzione ufficiale di questo tema d'esame, fammi il favore di postarla,ok?
Grazie
"Il circuito ha sempre ragione" (Luigi Malesani)
0
voti
ho modificato il post correggendo i calcoli, di conseguenza i valori che vedi sono quelli "aggiornati" adesso passo allo studio della componente alternata, dato che quella in continua l'ho calcolata!
0
voti
Pando ha scritto:ho modificato il post correggendo i calcoli, di conseguenza i valori che vedi sono quelli "aggiornati"
Occhio alla lunghezza del ferro
"Il circuito ha sempre ragione" (Luigi Malesani)
0
voti
0
voti
Grazie mille!!!arrivati a una certa la connessione celebrale salta!!!
thanks!
thanks!
0
voti
ora è tardi, ma domani (credo nel pomeriggio) posto tutti i miei calcoli su questo circuito!!!
così questa "bella" discussione può proseguire!! 
0
voti
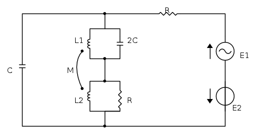
questo dovrebbe essere il circuito elettrico equivalente del circuito magnetico:
a questo punto si può procedere con il PRINCIPIO DI SOVRAPPOSIZIONE DEGLI EFFETTI, facendo agire prima le componenti continue e poi quella in regime sinusoidale:
:
il circuito in corrente continua si presenta così
con gli induttori circuitati (perché
)e con rami aperti al posto dei condensatori (perche
) quindi si va a studiare un circuito resistivo con due generatori di tensione continua
ed
, trovando 
N.B. la corrente passa tutta nei rami cortocircuitati!!!
a questo punto si studia il circuito magnetico con le relative riluttanze:
con i relativi valori delle riluttanze e dei "generatori":



a questo punto si calcolano le induttanze del circuito magnetico:



infine si calcola l'energia media immagazzinata dal nucleo magnetico e la potenza del generatore
:


questa è la mia soluzione della parte in corrente continua ed i risultati coincidono con quelli della correzione del professore!! ora mi metto sotto con la soluzione in

a questo punto si può procedere con il PRINCIPIO DI SOVRAPPOSIZIONE DEGLI EFFETTI, facendo agire prima le componenti continue e poi quella in regime sinusoidale:
:il circuito in corrente continua si presenta così
con gli induttori circuitati (perché
)e con rami aperti al posto dei condensatori (perche
) quindi si va a studiare un circuito resistivo con due generatori di tensione continua
ed
, trovando 
N.B. la corrente passa tutta nei rami cortocircuitati!!!
a questo punto si studia il circuito magnetico con le relative riluttanze:
con i relativi valori delle riluttanze e dei "generatori":



a questo punto si calcolano le induttanze del circuito magnetico:



infine si calcola l'energia media immagazzinata dal nucleo magnetico e la potenza del generatore
:

questa è la mia soluzione della parte in corrente continua ed i risultati coincidono con quelli della correzione del professore!! ora mi metto sotto con la soluzione in

Torna a Elettrotecnica generale
Chi c’è in linea
Visitano il forum: Nessuno e 22 ospiti

Elettrotecnica e non solo (admin)
Un gatto tra gli elettroni (IsidoroKZ)
Esperienza e simulazioni (g.schgor)
Moleskine di un idraulico (RenzoDF)
Il Blog di ElectroYou (webmaster)
Idee microcontrollate (TardoFreak)
PICcoli grandi PICMicro (Paolino)
Il blog elettrico di carloc (carloc)
DirtEYblooog (dirtydeeds)
Di tutto... un po' (jordan20)
AK47 (lillo)
Esperienze elettroniche (marco438)
Telecomunicazioni musicali (clavicordo)
Automazione ed Elettronica (gustavo)
Direttive per la sicurezza (ErnestoCappelletti)
EYnfo dall'Alaska (mir)
Apriamo il quadro! (attilio)
H7-25 (asdf)
Passione Elettrica (massimob)
Elettroni a spasso (guidob)
Bloguerra (guerra)






