, metti un circuito aperto al posto del condensatore, e trovi questa tensione. Che equazione scriveresti?Esercizio andamento temporale della tensione
Moderatori:
g.schgor,
IsidoroKZ
0
voti
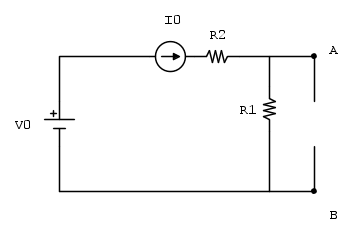
Stai calcolando l'equivalente Thevenin prendendo come morsetti A e B quelli ai capi del condensatore. Quando calcoli la tensione a vuoto
, metti un circuito aperto al posto del condensatore, e trovi questa tensione. Che equazione scriveresti?
, metti un circuito aperto al posto del condensatore, e trovi questa tensione. Che equazione scriveresti?0
voti
Siccome
é in parallelo con il condensatore posso calcolarmi la
ai capi di
?
é in parallelo con il condensatore posso calcolarmi la
ai capi di
?0
voti
che equazione scriveresti per
, che è la tensione presente tra i morsetti superiore e inferiore del condensatore (che è un circuito aperto nell'equivalente Thevenin che stiamo facendo)?
, che è la tensione presente tra i morsetti superiore e inferiore del condensatore (che è un circuito aperto nell'equivalente Thevenin che stiamo facendo)?0
voti
0
voti
0
voti
si lo so , quindi è sbagliato il modo in cui l'ho riscritto?
Torna a Elettrotecnica generale
Chi c’è in linea
Visitano il forum: Nessuno e 74 ospiti

Elettrotecnica e non solo (admin)
Un gatto tra gli elettroni (IsidoroKZ)
Esperienza e simulazioni (g.schgor)
Moleskine di un idraulico (RenzoDF)
Il Blog di ElectroYou (webmaster)
Idee microcontrollate (TardoFreak)
PICcoli grandi PICMicro (Paolino)
Il blog elettrico di carloc (carloc)
DirtEYblooog (dirtydeeds)
Di tutto... un po' (jordan20)
AK47 (lillo)
Esperienze elettroniche (marco438)
Telecomunicazioni musicali (clavicordo)
Automazione ed Elettronica (gustavo)
Direttive per la sicurezza (ErnestoCappelletti)
EYnfo dall'Alaska (mir)
Apriamo il quadro! (attilio)
H7-25 (asdf)
Passione Elettrica (massimob)
Elettroni a spasso (guidob)
Bloguerra (guerra)




non è collegata così, ma è in parallelo all'altro resistore e al generatore di corrente.