grazie per le dritte! scusate per il post di prima..
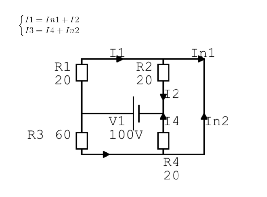
io ho impostato il circuito come nell' immagine e ho impostato il sistema delle correnti.
Dato che secondo il mio ragionamento in R2 e R4 non passa corrente (perché c'è il cortocircuito), il generatore di Norton mi verrebbe I1-I3 (sbagliato)... Ma non capisco cosa sbaglio!

Elettrotecnica e non solo (admin)
Un gatto tra gli elettroni (IsidoroKZ)
Esperienza e simulazioni (g.schgor)
Moleskine di un idraulico (RenzoDF)
Il Blog di ElectroYou (webmaster)
Idee microcontrollate (TardoFreak)
PICcoli grandi PICMicro (Paolino)
Il blog elettrico di carloc (carloc)
DirtEYblooog (dirtydeeds)
Di tutto... un po' (jordan20)
AK47 (lillo)
Esperienze elettroniche (marco438)
Telecomunicazioni musicali (clavicordo)
Automazione ed Elettronica (gustavo)
Direttive per la sicurezza (ErnestoCappelletti)
EYnfo dall'Alaska (mir)
Apriamo il quadro! (attilio)
H7-25 (asdf)
Passione Elettrica (massimob)
Elettroni a spasso (guidob)
Bloguerra (guerra)
e su
? ...io, per sicurezza, non toccherei i loro terminali 





