Cos'è ElectroYou | Login Iscriviti

ElectroYou - la comunità dei professionisti del mondo elettrico

Qualche dubbio da chiarire!!

Circuiti, campi elettromagnetici e teoria delle linee di trasmissione e distribuzione dell’energia elettrica

Moderatori: Foto Utenteg.schgor, Foto UtenteIsidoroKZ

0
voti

[31] Re: Qualche dubbio da chiarire!!

Messaggioda Foto UtenteRenzoDF » 1 ott 2010, 22:27

alexlovesusa ha scritto:Wow, bella questa. Praticamente isoli il circuito con una resistenza R4 e lo colleghi a un generatore di tensione in serie, almeno così si può operare la trasformazione che dicevo io.

quale?

alexlovesusa ha scritto: A quel punto cosa è il teorema RDF? O meglio, quale è?

un teorema da "idraulici" :D, ovvero questo
http://www.electroportal.net/renzodf/wiki/articolo22

alexlovesusa ha scritto:Certo che li a Santa Barbara avete un bel modo di risolvere le cose.

sono venuto quaggiu' proprio per questa ragione :mrgreen:
"Il circuito ha sempre ragione" (Luigi Malesani)
Avatar utente
Foto UtenteRenzoDF
55,9k 8 12 13
G.Master EY
G.Master EY
 
Messaggi: 13189
Iscritto il: 4 ott 2008, 9:55

0
voti

[32] Re: Qualche dubbio da chiarire!!

Messaggioda Foto UtenteIsidoroKZ » 1 ott 2010, 22:44

alexlovesusa ha scritto:Certo che li a Santa Barbara avete un bel modo di risolvere le cose :lol: .


Solo perche' non hai mai visto quello che usiamo noi a Los Angeles :)
Per usare proficuamente un simulatore, bisogna sapere molta più elettronica di lui
Plug it in - it works better!
Il 555 sta all'elettronica come Arduino all'informatica! (entrambi loro malgrado)
Se volete risposte rispondete a tutte le mie domande
Avatar utente
Foto UtenteIsidoroKZ
121,2k 1 3 8
G.Master EY
G.Master EY
 
Messaggi: 21059
Iscritto il: 17 ott 2009, 0:00

0
voti

[33] Re: Qualche dubbio da chiarire!!

Messaggioda Foto Utentealexlovesusa » 1 ott 2010, 22:47

Ah perché, tu sei a L.A.?. Cos'è una riunione di italiani all'estero affetti da manie elettrotecniche :lol: ?
Avatar utente
Foto Utentealexlovesusa
-21 6
Frequentatore
Frequentatore
 
Messaggi: 159
Iscritto il: 27 set 2010, 18:12

0
voti

[34] Re: Qualche dubbio da chiarire!!

Messaggioda Foto Utentealexlovesusa » 1 ott 2010, 23:11

Ho letto quello che mi hai postato riguardo il teorema RDF :lol: . Devo farti i miei complimenti. Davvero motlo efficace. Inizialmente ho avuto difficoltà a capire di cosa si trattasse poiché nel nostro programma non è incluso il teorema di Millman e non l'avevo mai visto.
Avatar utente
Foto Utentealexlovesusa
-21 6
Frequentatore
Frequentatore
 
Messaggi: 159
Iscritto il: 27 set 2010, 18:12

0
voti

[35] Re: Qualche dubbio da chiarire!!

Messaggioda Foto UtenteRenzoDF » 1 ott 2010, 23:16

NON avete visto Millman ? INCREDIBILE #-o ... immagina se potevi aver visto il mio ! :mrgreen:

Comunque si puo' risolvere in poche righe anche con il metodo dei "potenziali ai nodi"




\left\{ \begin{align}
  & \frac{12-V_{A}}{0.6}-\frac{V_{A}}{0.4}+\frac{V_{B}-V_{A}}{0.2}=0 \\ 
 & \frac{12-V_{B}}{0.2}+\frac{V_{A}-V_{B}}{0.2}-\frac{V_{B}}{0.4}=0 \\ 
\end{align} \right.


\left\{ \begin{align}
  & 2(12-V_{A})-3V_{A}+6(V_{B}-V_{A})=0 \\ 
 & 2(12-V_{B})+2(V_{A}-V_{B})-V_{B}=0 \\ 
\end{align} \right.


\left\{ \begin{align}
  & -11V_{A}+6V_{B}+24=0 \\ 
 & -5V_{B}+2V_{A}+24=0 \\ 
\end{align} \right.


\left\{ \begin{align}
  & -22V_{A}+12V_{B}+48=0 \\ 
 & +22V_{A}-55V_{B}+264=0 \\ 
\end{align} \right.


V_{B}=-\frac{312}{43}\,\,\,\text{V}
"Il circuito ha sempre ragione" (Luigi Malesani)
Avatar utente
Foto UtenteRenzoDF
55,9k 8 12 13
G.Master EY
G.Master EY
 
Messaggi: 13189
Iscritto il: 4 ott 2008, 9:55

0
voti

[36] Re: Qualche dubbio da chiarire!!

Messaggioda Foto Utentealexlovesusa » 2 ott 2010, 11:58

Il problema è che mi si richiede di usare solo Thevenin e nessun'altro teorema, altrimenti avrei applicato correnti di maglia o pot. di nodo. Quindi, come trovo la tensione a vuoto tra a e b non usando ness'un altro teorema? Il prof. Zeno mi ha detto di usare Kirchhoff e poi trovare I5.
Avatar utente
Foto Utentealexlovesusa
-21 6
Frequentatore
Frequentatore
 
Messaggi: 159
Iscritto il: 27 set 2010, 18:12

0
voti

[37] Re: Qualche dubbio da chiarire!!

Messaggioda Foto Utentealexlovesusa » 2 ott 2010, 13:15

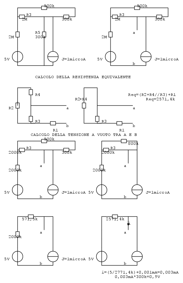
Ragazzi, questa volta sono stato molto preciso e ho cercato di spiegare tutto molto attentamente. Dovete aiutarmi a capire una volta per tutte come si risolve bene un esercizio con Thevenin e Norton perché, a quanto pare, non mi è molto chiaro. Devo trovare la potenza assorbita da R5 con thevenine quelle assorbita da R3 con Norton. Ecco l'immagine

Come potete vedere, prima di tutto trasformo le resistenze di 2M in 2000k per uniformarle alle altre. A questo punto calcolo la Req. Per il calcolo ridisegno il circuito in quel modo e trovo che R4 è in serie a R2 e R4+R2//R3. Poi tutto è in serie con R1. Trovo Req che è uguale al valore del disegno. A quel punto per la tensione a vuoto faccio quello che vedete ma sicuramente è tutto sbagliato perché Pr5 deve venire 2,08microW. Cosa sbaglio? Il mio problema è rconoscere quando le resistenze, in un circutio di forma un o strana, sono in parallelo o in serie. Alla fine vedo i con Kirchhoff come la somma delle 2 correnti e trovo Vab facendo i*R5 e poi la potenza i^2*R5 ma non mi viene qul risultato.
Avatar utente
Foto Utentealexlovesusa
-21 6
Frequentatore
Frequentatore
 
Messaggi: 159
Iscritto il: 27 set 2010, 18:12

0
voti

[38] Re: Qualche dubbio da chiarire!!

Messaggioda Foto UtenteRenzoDF » 2 ott 2010, 14:34

Se non metti i versi sui generatori sarà difficile :mrgreen:

BTW cerca di sistemare la posizione dei parametri nel disegno in modo che on si sovrappongano ai componenti :!:
"Il circuito ha sempre ragione" (Luigi Malesani)
Avatar utente
Foto UtenteRenzoDF
55,9k 8 12 13
G.Master EY
G.Master EY
 
Messaggi: 13189
Iscritto il: 4 ott 2008, 9:55

0
voti

[39] Re: Qualche dubbio da chiarire!!

Messaggioda Foto Utentealexlovesusa » 2 ott 2010, 14:51

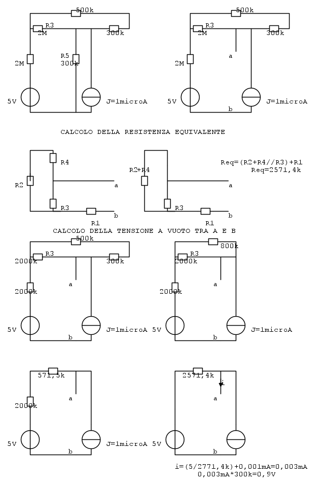
Ecco il circuito con i versi dei generatori :
Avatar utente
Foto Utentealexlovesusa
-21 6
Frequentatore
Frequentatore
 
Messaggi: 159
Iscritto il: 27 set 2010, 18:12

0
voti

[40] Re: Qualche dubbio da chiarire!!

Messaggioda Foto UtenteRenzoDF » 2 ott 2010, 15:07

se non sistemi questo "pasticcio" di schemi non si puo' andare avanti :!: :?
"Il circuito ha sempre ragione" (Luigi Malesani)
Avatar utente
Foto UtenteRenzoDF
55,9k 8 12 13
G.Master EY
G.Master EY
 
Messaggi: 13189
Iscritto il: 4 ott 2008, 9:55

PrecedenteProssimo

Torna a Elettrotecnica generale

Chi c’è in linea

Visitano il forum: Nessuno e 94 ospiti