Cos'è ElectroYou | Login Iscriviti

ElectroYou - la comunità dei professionisti del mondo elettrico

Grafo di Rete

Circuiti, campi elettromagnetici e teoria delle linee di trasmissione e distribuzione dell’energia elettrica

Moderatori: Foto Utenteg.schgor, Foto UtenteIsidoroKZ

1
voti

[41] Re: Grafo di Rete

Messaggioda Foto UtenteRenzoDF » 28 giu 2012, 13:35

Nico89 ha scritto:Eh, non penso di avere la "velocità" di arrivare subito alla forma normale, a meno che ci sia qualche consiglio o metodo per farlo, che non sia "solo" l'esperienza.

Prova a ridisegnare la rete sostituendo GIC agli induttori e GIT ai condensatori e vedrai che è facilissimo. ;-)

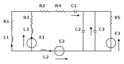
Edit ... se per esempio partiamo dalla vL3, basterà considerare la sottorete di figura



per scrivere la prima equazione di stato

v_{L3}=e-R_{2}(i_{L12}+i_{L3})

equivalente alla forma più standardizzata

\frac{\text{d}i_{L3}}{\text{d}t}=\frac{1}{L_{3}}\left[ e-R_{2}(i_{L12}+i_{L3}) \right]

non ti sembra?
"Il circuito ha sempre ragione" (Luigi Malesani)
Avatar utente
Foto UtenteRenzoDF
55,9k 8 12 13
G.Master EY
G.Master EY
 
Messaggi: 13189
Iscritto il: 4 ott 2008, 9:55

0
voti

[42] Re: Grafo di Rete

Messaggioda Foto UtenteNico89 » 29 giu 2012, 10:11

Fantastico :-)
Quindi si riduce tutto a una grande sovrapposizione degli effetti!
Avatar utente
Foto UtenteNico89
76 1 7
Frequentatore
Frequentatore
 
Messaggi: 132
Iscritto il: 13 set 2010, 16:36

0
voti

[43] Re: Grafo di Rete

Messaggioda Foto UtenteRenzoDF » 29 giu 2012, 11:49

Nico89 ha scritto:...Quindi si riduce tutto a una grande sovrapposizione degli effetti!

Si, ma in questo primo caso direi che non è altro che una legge di Ohm generalizzata. ;-)

Hai completato il sistema?
"Il circuito ha sempre ragione" (Luigi Malesani)
Avatar utente
Foto UtenteRenzoDF
55,9k 8 12 13
G.Master EY
G.Master EY
 
Messaggi: 13189
Iscritto il: 4 ott 2008, 9:55

0
voti

[44] Re: Grafo di Rete

Messaggioda Foto UtenteNico89 » 29 giu 2012, 12:16

v_{L4}=R_{1}i_{L12}-(R_{1}+R_{4})i_{L4}+v_{C1}+v_{C2}
i_{C23}=i_{L12}-i_{L4}-\frac{v_{C2}}{R3}

Ma sei sicuro che la v_{L12} che hai scritto sia giusta?
Avatar utente
Foto UtenteNico89
76 1 7
Frequentatore
Frequentatore
 
Messaggi: 132
Iscritto il: 13 set 2010, 16:36

0
voti

[45] Re: Grafo di Rete

Messaggioda Foto UtenteRenzoDF » 29 giu 2012, 13:40

Nico89 ha scritto: ... Ma sei sicuro che la v_{L12} che hai scritto sia giusta?

No, mi sono dimenticato "un pezzo"! :mrgreen:

... correggi tu e posta tutto il sistema ... controlla anche le tue. ;-)
"Il circuito ha sempre ragione" (Luigi Malesani)
Avatar utente
Foto UtenteRenzoDF
55,9k 8 12 13
G.Master EY
G.Master EY
 
Messaggi: 13189
Iscritto il: 4 ott 2008, 9:55

0
voti

[46] Re: Grafo di Rete

Messaggioda Foto UtenteNico89 » 30 giu 2012, 15:28

Scusami per il ritardo ma ero in viaggio :cool:

Il sistema dovrebbe essere:

v_{L12}=-(R_{1}+R_{2})i_{L12}-R_{2}i_{L3}+R_{1}i_{L4}-v_{C1}-v_{C23}+e
v_{L3}=-R_{2}i_{L12}-R_{2}i_{L3}+e
v_{L4}=R_{1}i_{L12}-(R_{1}+R_{4})i_{L4}+v_{C1}+v_{C2}
i_{C1}=i_{L12}-i_{L4}
i_{C23}=i_{L12}-i_{L4}-\frac{v_{C2}}{R3}+a
Avatar utente
Foto UtenteNico89
76 1 7
Frequentatore
Frequentatore
 
Messaggi: 132
Iscritto il: 13 set 2010, 16:36

0
voti

[47] Re: Grafo di Rete

Messaggioda Foto UtenteRenzoDF » 30 giu 2012, 16:29

Nico89 ha scritto: ... Il sistema dovrebbe essere: ...

Togli il dovrebbe! :ok:

... hai visto quanto è veloce quel metodo ?
"Il circuito ha sempre ragione" (Luigi Malesani)
Avatar utente
Foto UtenteRenzoDF
55,9k 8 12 13
G.Master EY
G.Master EY
 
Messaggi: 13189
Iscritto il: 4 ott 2008, 9:55

0
voti

[48] Re: Grafo di Rete

Messaggioda Foto UtenteNico89 » 30 giu 2012, 16:34

RenzoDF ha scritto:... hai visto quanto è veloce quel metodo ?


Si è fantastico :D

Quindi paradossalmente per ricavare il sistema di stato non è per nulla necessario disegnare albero e coalbero!
Basta individuare le variabili di stato (stando attenti a semplificare prima la rete in caso di induttori in serie e condensatori in parallelo) e ridisegnare la rete come da te spiegato!
Avatar utente
Foto UtenteNico89
76 1 7
Frequentatore
Frequentatore
 
Messaggi: 132
Iscritto il: 13 set 2010, 16:36

1
voti

[49] Re: Grafo di Rete

Messaggioda Foto UtenteRenzoDF » 30 giu 2012, 16:58

Nico89 ha scritto:Quindi paradossalmente per ricavare il sistema di stato non è per nulla necessario disegnare albero e coalbero!

Gli alberi e i coalberi servono solo per dare un fondamento teorico allo studio dei grafi e quindi delle reti, e non intendo dire che questa base teorica sia inutile, ma per lo studio pratico, specie se iniziale, sono più utili le regole "idrauliche". :-)

Nico89 ha scritto: ... Basta individuare le variabili di stato (stando attenti a semplificare prima la rete in caso di induttori in serie e condensatori in parallelo) e ridisegnare la rete come da te spiegato!

Si, individuate le variabili di stato (correnti negli induttori e tensioni sui condensatori) devi cercare di scrivere le loro derivate (sostanzialmente: tensioni sugli induttori e correnti nei condensatori) usando solamente i reali GIT, GIC della rete ed i GIC e i GIT virtuali che vengono sostituiti per comodità di analisi ai due bipoli con memoria.
"Il circuito ha sempre ragione" (Luigi Malesani)
Avatar utente
Foto UtenteRenzoDF
55,9k 8 12 13
G.Master EY
G.Master EY
 
Messaggi: 13189
Iscritto il: 4 ott 2008, 9:55

0
voti

[50] Re: Grafo di Rete

Messaggioda Foto UtenteNico89 » 30 giu 2012, 17:13

Ok tutto chiaro :ok:

Quindi per questo circuito:


Prendo come variabili di stato solo i_{L1} e i_{L2} per gli induttori, e solo v_{C1} e v_{C2} per i condensatori.
Sostituisco a L1 e L2 due GIC fittizi e a C1 e C2 due GIT fittizi e procedo come prima.

Ma la domanda è, come tratto L3??
Avatar utente
Foto UtenteNico89
76 1 7
Frequentatore
Frequentatore
 
Messaggi: 132
Iscritto il: 13 set 2010, 16:36

PrecedenteProssimo

Torna a Elettrotecnica generale

Chi c’è in linea

Visitano il forum: Nessuno e 54 ospiti