Isidoro, ho un dubbio su un esercizio.
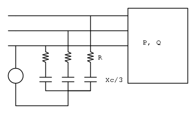
Ti posto la traccia, poi ti posto il circuito con Fidocadj:
Io questo trifase l'ho trasformato così:
Se è corretta la trasformazione, c'è qualcosa di strano..
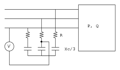
Così facendo, il voltmetro incognito legge la tensione stellata del tripolo in basso (che è la stessa della scatola ed è anche la stessa nella ''zona'' del voltmetro noto), data dal prodotto tra la corrente di linea e l'impedenza. Ma un valore noto è la tensione concatenata del voltmetro V, che è pari alla tensione concatenata nella scatola a destra e nello stesso tripolo in basso.
A questo punto, la lettura del voltmetro incognito non è semplicemente data dal voltmetro noto fratto radical 3 ?!? Ovvero il valore efficace della tensione stellata.
Rete trifase simmetrica ed equilibrata
Moderatori:
g.schgor,
IsidoroKZ
0
voti
0
voti
SimoneLP ha scritto:
Se è corretta la trasformazione
Non lo è
0
voti
E la lettura del voltmetro incognito qual è in tal caso?
Se è la tensione tra A e B:
Facendo una LKT direi che è data dalla somma della tensione stellata del filo a sinistra più la tensione ai capi del condensatore del filo centrale.
Se è la tensione tra A e B:
Facendo una LKT direi che è data dalla somma della tensione stellata del filo a sinistra più la tensione ai capi del condensatore del filo centrale.
0
voti
Direi anch'io. Il più od il meno dipende dai versi che assumi come positivi
0
voti
Ma il valore delle potenze nella scatola, non è un dato in più ?
Dalla lettura del voltmetro noto, ottengo il valore della tensione stellata del tripolo in basso (pari proprio a V fratto radical 3), quindi ottengo facilmente la corrente di linea e, dopo aver ottenuto tutte le fasi necessarie delle correnti, calcolo la tensione incognita.
Proprio non capisco a cosa mi servano i dati di P e Q.
Dalla lettura del voltmetro noto, ottengo il valore della tensione stellata del tripolo in basso (pari proprio a V fratto radical 3), quindi ottengo facilmente la corrente di linea e, dopo aver ottenuto tutte le fasi necessarie delle correnti, calcolo la tensione incognita.
Proprio non capisco a cosa mi servano i dati di P e Q.
0
voti
P e Q della scatola sono esseziali, servono a confondere le idee allo studente se questi non ha ben chiara l'elettrotecnica 
Per usare proficuamente un simulatore, bisogna sapere molta più elettronica di lui
Plug it in - it works better!
Il 555 sta all'elettronica come Arduino all'informatica! (entrambi loro malgrado)
Se volete risposte rispondete a tutte le mie domande
Plug it in - it works better!
Il 555 sta all'elettronica come Arduino all'informatica! (entrambi loro malgrado)
Se volete risposte rispondete a tutte le mie domande
0
voti
IsidoroKZ ha scritto:P e Q della scatola sono esseziali, servono a confondere le idee allo studente se questi non ha ben chiara l'elettrotecnica
E sapresti dirmi se le ha confuse anche a me ?
Oppure non vanno utilizzati nella risoluzione dell'esercizio e quindi non mi sono fatto ingannare ?
0
voti
Non servono nel tuo esercizio, quindi non ti sei fatto ingannare!
Per usare proficuamente un simulatore, bisogna sapere molta più elettronica di lui
Plug it in - it works better!
Il 555 sta all'elettronica come Arduino all'informatica! (entrambi loro malgrado)
Se volete risposte rispondete a tutte le mie domande
Plug it in - it works better!
Il 555 sta all'elettronica come Arduino all'informatica! (entrambi loro malgrado)
Se volete risposte rispondete a tutte le mie domande
0
voti
IsidoroKZ ha scritto:Non servono nel tuo esercizio, quindi non ti sei fatto ingannare!
Ottimo !

Torna a Elettrotecnica generale
Chi c’è in linea
Visitano il forum: Nessuno e 9 ospiti

Elettrotecnica e non solo (admin)
Un gatto tra gli elettroni (IsidoroKZ)
Esperienza e simulazioni (g.schgor)
Moleskine di un idraulico (RenzoDF)
Il Blog di ElectroYou (webmaster)
Idee microcontrollate (TardoFreak)
PICcoli grandi PICMicro (Paolino)
Il blog elettrico di carloc (carloc)
DirtEYblooog (dirtydeeds)
Di tutto... un po' (jordan20)
AK47 (lillo)
Esperienze elettroniche (marco438)
Telecomunicazioni musicali (clavicordo)
Automazione ed Elettronica (gustavo)
Direttive per la sicurezza (ErnestoCappelletti)
EYnfo dall'Alaska (mir)
Apriamo il quadro! (attilio)
H7-25 (asdf)
Passione Elettrica (massimob)
Elettroni a spasso (guidob)
Bloguerra (guerra)








