Grazie per la risposta, ora spulciando a destra e a sinistra e leggendo il thread di admin ho imparato a trasformare da stella a triangolo ed ora anche i circuiti piu complessi mi escono, per cui con la resistenza equivalente sono apposto.
Grazie.
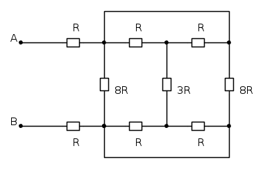
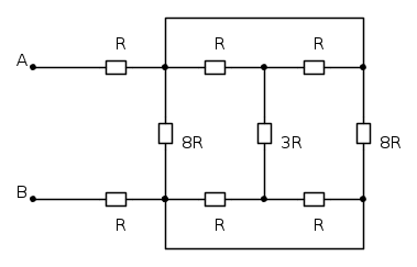
Equivalente di Thevenin
Moderatori:
g.schgor,
IsidoroKZ
0
voti
0
voti
Bene, con un po' di pazienza i risultati non tardano ad arrivare
Buon lavoro 
Emanuele Lorina
- Chi lotta contro i mostri deve fare attenzione a non diventare lui stesso un mostro. E se tu riguarderai a lungo in un abisso, anche l'abisso vorrà guardare dentro di te (F. Nietzsche)
- Tavole della legge by admin
- Chi lotta contro i mostri deve fare attenzione a non diventare lui stesso un mostro. E se tu riguarderai a lungo in un abisso, anche l'abisso vorrà guardare dentro di te (F. Nietzsche)
- Tavole della legge by admin
-

Lele_u_biddrazzu
8.154 3 8 13 - Master EY

- Messaggi: 1288
- Iscritto il: 23 gen 2007, 16:13
- Località: Modena
3
voti
Vicar1992 ha scritto:La resistenza equivalente è la resistenza misurata tra i morsetti A e B.
E' corretto?
Vedi cosa ottieni facendo così? Scusa se te lo dico, ma sono certo che puoi comportarti in modo più intelligente.
BTW, calcola questa resistenza equivalente.
-

PietroBaima
90,7k 7 12 13 - G.Master EY

- Messaggi: 12207
- Iscritto il: 12 ago 2012, 1:20
- Località: Londra
0
voti
Eccomi tornato dall'università, comunque la resistenza equivalente è di 3ohm.
e' corretto?
e' corretto?
3
voti
Vicar1992 ha scritto:Eccomi tornato dall'università, comunque la resistenza equivalente è di 3ohm.
e' corretto?
Se intendi dire
sì. Vai con la seconda rete:
Ultima modifica di
PietroBaima il 24 ott 2012, 17:16, modificato 1 volta in totale.
-

PietroBaima
90,7k 7 12 13 - G.Master EY

- Messaggi: 12207
- Iscritto il: 12 ago 2012, 1:20
- Località: Londra
1
voti
lillo ha scritto:se R=1Ω
si.

-

PietroBaima
90,7k 7 12 13 - G.Master EY

- Messaggi: 12207
- Iscritto il: 12 ago 2012, 1:20
- Località: Londra
1
voti
1
voti
lillo ha scritto:questa si che è bella
Troppo 'bbuono Don Lillo...
-

PietroBaima
90,7k 7 12 13 - G.Master EY

- Messaggi: 12207
- Iscritto il: 12 ago 2012, 1:20
- Località: Londra
Torna a Elettrotecnica generale
Chi c’è in linea
Visitano il forum: Nessuno e 31 ospiti

Elettrotecnica e non solo (admin)
Un gatto tra gli elettroni (IsidoroKZ)
Esperienza e simulazioni (g.schgor)
Moleskine di un idraulico (RenzoDF)
Il Blog di ElectroYou (webmaster)
Idee microcontrollate (TardoFreak)
PICcoli grandi PICMicro (Paolino)
Il blog elettrico di carloc (carloc)
DirtEYblooog (dirtydeeds)
Di tutto... un po' (jordan20)
AK47 (lillo)
Esperienze elettroniche (marco438)
Telecomunicazioni musicali (clavicordo)
Automazione ed Elettronica (gustavo)
Direttive per la sicurezza (ErnestoCappelletti)
EYnfo dall'Alaska (mir)
Apriamo il quadro! (attilio)
H7-25 (asdf)
Passione Elettrica (massimob)
Elettroni a spasso (guidob)
Bloguerra (guerra)


pigreco]=π
