Ho necessità di calcolare l'impedenza incognita Z, conosciuti il |V|=100V e |I|=5 A e la potenza reattiva
assorbita dall'intero bipolo Q=150var.
Come posso fare?
Io ho determinato che la potenza reattiva assorbita da Z è -100var ma come faccio a determinare
Z?. Ho derminato al pari l'impedenza complessiva del bipolo la quale resta Zeq=16+J12.
Ma qui mi fermo in quanto imponendo Zeq=alla impedenza totale mi escono due equazioni
di secondo grado in R e X, dove R e X sono la Resistenza e la Reattanza di Z incognita, difficilmente
risolvibili.
Grazie Molto
Calcolo impedenza incognita
Moderatori:
g.schgor,
IsidoroKZ
17 messaggi
• Pagina 1 di 2 • 1, 2
0
voti
0
voti
Romolus ha scritto:io ho determinato che la potenza reattiva assorbita da Z è -100var
come hai fatto?
0
voti
Per calcolare che Z incognita assorbe -100var ho proceduto come segue:
conosco il modulo della corrente entrante nel bipole e che attraversa quindi l'induttore.
|I|=5A
Pertanto![Q=1/2*\mathit{Im}[j20*|I|^2] = 250 var Q=1/2*\mathit{Im}[j20*|I|^2] = 250 var](/forum/latexrender/pictures/ff8c0a7d5d256c04524f864d8fe34f72.png)
di sapendo che il resistore non assorbe potenza reattiva Z deve necessariamente assorbire -100 var
150-250=-100var
conosco il modulo della corrente entrante nel bipole e che attraversa quindi l'induttore.
|I|=5A
Pertanto
![Q=1/2*\mathit{Im}[j20*|I|^2] = 250 var Q=1/2*\mathit{Im}[j20*|I|^2] = 250 var](/forum/latexrender/pictures/ff8c0a7d5d256c04524f864d8fe34f72.png)
di sapendo che il resistore non assorbe potenza reattiva Z deve necessariamente assorbire -100 var
150-250=-100var
0
voti
Io farei in questo modo.
Proverei a trovare l'impedenza Z=R+jX da mettere in serie all'induttanza per avere una potenza reattiva assorbita di 150var e una corrente in modulo di 5A.
Trovato Z, che e` in versione "serie", lo trasformi in versione parallelo, viene una capacita` e una resistenza. Della resistenza complessiva che ti serve una parte e` gia` presente come resistenza da 200ohm, e quindi basta scorporare questi 200ohm dalla resistenza complessiva e hai il risultato cercato.
Prova a fare i vari passi se ti pianti spiego meglio, adesso non posso neanche fare uno schemino.
Proverei a trovare l'impedenza Z=R+jX da mettere in serie all'induttanza per avere una potenza reattiva assorbita di 150var e una corrente in modulo di 5A.
Trovato Z, che e` in versione "serie", lo trasformi in versione parallelo, viene una capacita` e una resistenza. Della resistenza complessiva che ti serve una parte e` gia` presente come resistenza da 200ohm, e quindi basta scorporare questi 200ohm dalla resistenza complessiva e hai il risultato cercato.
Prova a fare i vari passi se ti pianti spiego meglio, adesso non posso neanche fare uno schemino.
Per usare proficuamente un simulatore, bisogna sapere molta più elettronica di lui
Plug it in - it works better!
Il 555 sta all'elettronica come Arduino all'informatica! (entrambi loro malgrado)
Se volete risposte rispondete a tutte le mie domande
Plug it in - it works better!
Il 555 sta all'elettronica come Arduino all'informatica! (entrambi loro malgrado)
Se volete risposte rispondete a tutte le mie domande
0
voti
Grazie isidoro,
in effetti ero già arrivato a determinare la Z serie la quale ha il valore di 16-j8.
a questo punto per passare al parallelo ho fatto come segue, non so come poter scorporare
la resistenza da 200ohm prima:

a tal punto a parte la complessità dell'espressione esce un sistema con R e X al quadrato.
Ho tentato anche operando con le ammettenze impostanto

con quest'ultima arrivo al sistema

e da qui non so come ricavare x e r
in effetti ero già arrivato a determinare la Z serie la quale ha il valore di 16-j8.
a questo punto per passare al parallelo ho fatto come segue, non so come poter scorporare
la resistenza da 200ohm prima:

a tal punto a parte la complessità dell'espressione esce un sistema con R e X al quadrato.
Ho tentato anche operando con le ammettenze impostanto

con quest'ultima arrivo al sistema

e da qui non so come ricavare x e r
1
voti
Io userei il metodo delle potenze, partendo da
e proseguendo ricavando Vz, Iz ed infine Z.
BTW non ho capito quel tuo calcolo dei 250 var, suppongo che i 5 ampere siano relativi al valore efficace, non al valore massimo (se non altrimenti specificato nel testo).
e proseguendo ricavando Vz, Iz ed infine Z.
BTW non ho capito quel tuo calcolo dei 250 var, suppongo che i 5 ampere siano relativi al valore efficace, non al valore massimo (se non altrimenti specificato nel testo).
"Il circuito ha sempre ragione" (Luigi Malesani)
0
voti
Fai troppi passaggi contemporaneamente. La resistenza da 200Ω toglila alla fine.
Si parte da
che e` una impedenza e quindi rappresenta una resistenza e una capacita` in serie (somma di due impedenze). Si passa all'ammettenza pr avere una rappresentazione parallela:
da cui si vede che l'impedenza che stai cercando e` data da 
L'ultima espressione dice che e` il parallelo di una resistenza da 20Ω con una reattanza capacitiva. Non tutta la resistenza da 20Ω deve essere in Z, perche' c'e` gia` la R da 200Ω nel circuito, quindi devi trovare una resistenza per Z che messa in parallelo a 200Ω dia in totale 20Ω. Cioe`, per scriverla complicata
da cui 
Si parte da
che e` una impedenza e quindi rappresenta una resistenza e una capacita` in serie (somma di due impedenze). Si passa all'ammettenza pr avere una rappresentazione parallela:
da cui si vede che l'impedenza che stai cercando e` data da 
L'ultima espressione dice che e` il parallelo di una resistenza da 20Ω con una reattanza capacitiva. Non tutta la resistenza da 20Ω deve essere in Z, perche' c'e` gia` la R da 200Ω nel circuito, quindi devi trovare una resistenza per Z che messa in parallelo a 200Ω dia in totale 20Ω. Cioe`, per scriverla complicata
da cui 
Per usare proficuamente un simulatore, bisogna sapere molta più elettronica di lui
Plug it in - it works better!
Il 555 sta all'elettronica come Arduino all'informatica! (entrambi loro malgrado)
Se volete risposte rispondete a tutte le mie domande
Plug it in - it works better!
Il 555 sta all'elettronica come Arduino all'informatica! (entrambi loro malgrado)
Se volete risposte rispondete a tutte le mie domande
0
voti
IsidoroKZ ha scritto:Fai troppi passaggi contemporaneamente. La resistenza da 200Ω toglila alla fine...
Grazie Mille,
in effetti sto problema mi stava distruggendo.
Per Renzo, non ho ben capito come procedere, Q=reattiva, P=Attiva? e S=?, se è l'attiva come l'hai calcolata
senza determinare l'impenza serie come fatto più sopra?
0
voti
RenzoDF ha scritto:
BTW non ho capito quel tuo calcolo dei 250 var, suppongo che i 5 ampere siano relativi al valore efficace, non al valore massimo (se non altrimenti specificato nel testo).
Renzo, in effetti è il valor massimo.
0
voti
Romolus ha scritto:Per Renzo, non ho ben capito come procedere, Q=reattiva, P=Attiva? e S=?, se è l'attiva come l'hai calcolata senza determinare l'impenza serie come fatto più sopra?
Con Pitagora.
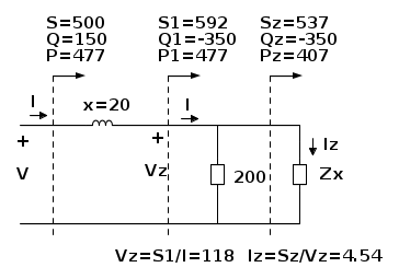
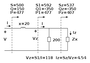
Con S indico la potenza apparente e il metodo consiste nel procedere verso Z aggiornando le tre potenze su ogni "sezione", per esempio sulla seconda sezione transitera' la stessa potenza attiva P1=P ma un potenza reattiva

"Il circuito ha sempre ragione" (Luigi Malesani)
17 messaggi
• Pagina 1 di 2 • 1, 2
Torna a Elettrotecnica generale
Chi c’è in linea
Visitano il forum: Google [Bot] e 20 ospiti

Elettrotecnica e non solo (admin)
Un gatto tra gli elettroni (IsidoroKZ)
Esperienza e simulazioni (g.schgor)
Moleskine di un idraulico (RenzoDF)
Il Blog di ElectroYou (webmaster)
Idee microcontrollate (TardoFreak)
PICcoli grandi PICMicro (Paolino)
Il blog elettrico di carloc (carloc)
DirtEYblooog (dirtydeeds)
Di tutto... un po' (jordan20)
AK47 (lillo)
Esperienze elettroniche (marco438)
Telecomunicazioni musicali (clavicordo)
Automazione ed Elettronica (gustavo)
Direttive per la sicurezza (ErnestoCappelletti)
EYnfo dall'Alaska (mir)
Apriamo il quadro! (attilio)
H7-25 (asdf)
Passione Elettrica (massimob)
Elettroni a spasso (guidob)
Bloguerra (guerra)






