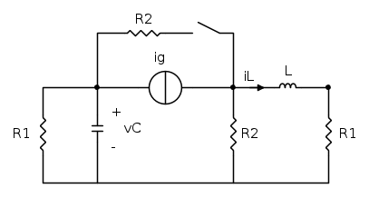
l'interruttore è chiuso per t<0 e a t=0- il circuito è a regime.
Il dubbio in particolare è il seguente:
il generatore ig ha la legge

ma a t=0 ig=0, posso dire che le condizioni iniziali sono nulle poiché ig è nullo in t=0?
Moderatori:
g.schgor,
IsidoroKZ

nell'induttanza e la tensione
ai capi del condensatore. Il fatto che un generatore abbia corrente istantanea nulla non significa in generale che nel resto del circuito tutti i componenti siano "scarichi".

e
per t<0, nelle loro equazioni figura
e poi quando vado a calcolarli nell'istante t=0 si annullano.
e
non sono nulli per tutto l'intervallo t<0, ma che lo sono in quel paricolare istante, cioè t=0.rock85 ha scritto:Ma se vado a calcolarmie
per t<0, nelle loro equazioni figura
e poi quando vado a calcolarli nell'istante t=0 si annullano.
come un circuito aperto e
come un cortocircuito... 
e
per t>0, sapendo che all'istante t=0 l'interruttore si apre e prima di tale istante il circuito è a regime.
Torna a Elettrotecnica generale
Visitano il forum: Nessuno e 86 ospiti