Cos'è ElectroYou | Login Iscriviti

ElectroYou - la comunità dei professionisti del mondo elettrico

Due enormi dubbi di un ignorante

Circuiti, campi elettromagnetici e teoria delle linee di trasmissione e distribuzione dell’energia elettrica

Moderatori: Foto Utenteg.schgor, Foto UtenteIsidoroKZ

0
voti

[1] Due enormi dubbi di un ignorante

Messaggioda Foto Utentedartfener » 12 ott 2012, 11:17

1)
Legge di Kirchhoff alle correnti: data una superficie chiusa orientata la somma algebrica delle correnti misurate nei terminali che tagliano il bordo della superficie è nulla.

Io dico ok, mettiamo che in questa superficie ci sia solo un componente, cioè un generatore di corrente ideale.

i1-------->generatoredicorrenteideale->-----------i2

A me sembra che Kirchhoff dica che i1 deve essere uguale ad i2, ma allora questo generatore di corrente che corrente ha generato?

2)
Generatore qualsiasi in parallelo ad un resistore: in uno dei rami del parallelo (quello del generatore), non c'è resistenza. Perché la corrente non passa tutta lì?

Grazie ?%
Avatar utente
Foto Utentedartfener
0 2
 
Messaggi: 6
Iscritto il: 12 ott 2012, 11:06

2
voti

[2] Re: Due enormi dubbi di un niubbo

Messaggioda Foto Utentemrc » 12 ott 2012, 11:22

Ciao Foto Utentedartfener.

dartfener ha scritto:i1-------->generatoredicorrenteideale->-----------i2

:shock:
Per disegnare i circuiti e postarli usa FidoCADJ:

A questi link trovi alcune guide all' uso:

http://www.electroyou.it/darwinne/wiki/ ... electroyou

http://www.electroyou.it/darwinne/wiki/fidocadj

http://www.electroyou.it/elettrodomus/w ... -per-tonni
Avatar utente
Foto Utentemrc
10,5k 6 11 13
Expert EY
Expert EY
 
Messaggi: 4023
Iscritto il: 16 apr 2009, 9:32

2
voti

[3] Re: Due enormi dubbi di un niubbo

Messaggioda Foto UtenteRenzoDF » 12 ott 2012, 11:30

dartfener ha scritto:... ma allora questo generatore di corrente che corrente ha generato? ...

Generata non significa "creata"! ... in generatore crea la corrente forzando un movimento del "gas" elettronico ... che non genera, ma che "risucchia" da uno dei suoi morsetti e "spinge fuori" dall'altro.

La corrente è spinta dal generatore per far si che circoli nel resistore, di conseguenza esce (convenzionalmente) dal morsetto positivo del generatore e rientra dal morsetto negativo; la corrente per circolare ha sempre bisogno di un circuito chiuso, come l'acqua dell'impianto di riscaldamento che viene spinta dalla pompa e poi vi ritorna dopo essere passata attraverso i radiatori di casa tua.
"Il circuito ha sempre ragione" (Luigi Malesani)
Avatar utente
Foto UtenteRenzoDF
55,9k 8 12 13
G.Master EY
G.Master EY
 
Messaggi: 13189
Iscritto il: 4 ott 2008, 9:55

0
voti

[4] Re: Due enormi dubbi di un niubbo

Messaggioda Foto Utentematteo375 » 12 ott 2012, 11:48

Generatore qualsiasi in parallelo ad un resistore: in uno dei rami del parallelo (quello del generatore), non c'è resistenza. Perché la corrente non passa tutta lì?


:shock:

Se passasse tutta da lì non esisterebbe neppure la corrente, perché non si potrebbe muovere nulla :lol: :lol:
La corrente ha sempre bisogno di un percorso chiuso in cui circolare, non può esistere in un componente unico ed isolato :!: Quindi, la corrente che viene "spinta" dai fenomeni interni al generatore, ha sempre bisogno di altri componenti (nel tuo caso resistori) in cui poter scorrere
Avatar utente
Foto Utentematteo375
340 3 6
Expert
Expert
 
Messaggi: 150
Iscritto il: 12 giu 2012, 19:21

0
voti

[5] Re: Due enormi dubbi di un niubbo

Messaggioda Foto Utentedartfener » 12 ott 2012, 13:11

Allora chiudiamo il circuito, cad e rigiriamo le stesse domande

Prendo una superficie chiusa orientata che contiene soltanto il generatore ideale. Kirchhoff alle correnti dice che i1 deve essere uguale ad i2, ma allora questo generatore di corrente che corrente ha generato e non creato ? A me hanno detto che le leggi di Kirchhoff si possono applicare anche a circuiti aperti e a valori nulli, serve per forza un generatore di tensione? Se sì, mettetecelo in serie al resistore e rispondete alla domanda per favore.


Consideriamo il parallelo generatore ideale e resistore. Nel ramo col solo generatore non c'è resistenza (ok c'è dopo, ma è un'altra), perché la corrente non passa tutta lì? CERTAMENTE che non passa tutta lì, perché un parallelo generatore ideale di corrente e resistore sicuramente non può essere trasformato in un solo generatore ideale di corrente (altrimenti ad esempio non sarebbe possibile che fosse equivalente ad un generatore ideale di tensione in serie con un resistore con caratteristiche bla bla).
Avatar utente
Foto Utentedartfener
0 2
 
Messaggi: 6
Iscritto il: 12 ott 2012, 11:06

1
voti

[6] Re: Due enormi dubbi di un niubbo

Messaggioda Foto Utentemrc » 12 ott 2012, 13:29



i1 è uguale ad i2 che a sua volta è uguale alla corrente di A
RenzoDF ha scritto:..che "risucchia" da uno dei suoi morsetti e "spinge fuori" dall'altro.

In poche parole è la stessa corrente, di A, che circola.

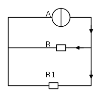
Questo:


Diventerebbe:



Dove la somma delle correnti che attraversano le due resistenze è uguale alla corrente
RenzoDF ha scritto:..che "risucchia" da uno dei suoi morsetti e "spinge fuori" dall'altro.

di A.
Avatar utente
Foto Utentemrc
10,5k 6 11 13
Expert EY
Expert EY
 
Messaggi: 4023
Iscritto il: 16 apr 2009, 9:32

0
voti

[7] Re: Due enormi dubbi di un niubbo

Messaggioda Foto Utenteadmin » 12 ott 2012, 14:02

dartfener ha scritto:Nel ramo col solo generatore non c'è resistenza

Cosa intendi con non c'è resistenza?
Avatar utente
Foto Utenteadmin
196,7k 9 12 17
Manager
Manager
 
Messaggi: 11953
Iscritto il: 6 ago 2004, 13:14

0
voti

[8] Re: Due enormi dubbi di un niubbo

Messaggioda Foto Utentematteo375 » 12 ott 2012, 14:06

serve per forza un generatore di tensione?


Le leggi di Kirckoff sono applicabili a tutti i circuiti elettrici, può esserci un generatore di corrente anzichè di tensione (come in questo caso) ma ciò non cambia la loro validità
Avatar utente
Foto Utentematteo375
340 3 6
Expert
Expert
 
Messaggi: 150
Iscritto il: 12 giu 2012, 19:21

1
voti

[9] Re: Due enormi dubbi di un niubbo

Messaggioda Foto UtenteRenzoDF » 12 ott 2012, 14:10

dartfener ha scritto:... questo generatore di corrente che corrente ha generato e non creato ?

Ha "generato" il movimento del fluido elettrico e ovviamente "tanto" fluido entra nella superficie, "tanto" ne esce, ovvero i1 che rappresenta la quantità di carica entrante al secondo nella superficie è pari a i2 che rappresenta la quantità di carica uscente al secondo ... in quanto, in regime stazionario, dentro la superficie non può esserci accumulo di carica; in sostanza il generatore A non "crea" ma solo e semplicemente "spinge" generando un movimento di carica.

Per chiarirti le idee dai un occhio a questa animazione

http://educypedia.karadimov.info/librar ... ump_UK.swf

come vedi la pompa non "genera" il fluido ma lo "spinge", contrastato dalle resistenze della condotta; ovviamente l'animazione si riferisce all'equivalente idraulico di un circuito con generatore di tensione (e resistenza serie), non di corrente, il quale tenderebbe non a mantenere la stessa differenza di potenziale (prevalenza) ma bensì a mantenere la stessa corrente (portata di fluido) in qualsiasi situazione di carico ... e per mantenerla costante, al limite, romperebbe anche la valvola di chiusura. :-)
"Il circuito ha sempre ragione" (Luigi Malesani)
Avatar utente
Foto UtenteRenzoDF
55,9k 8 12 13
G.Master EY
G.Master EY
 
Messaggi: 13189
Iscritto il: 4 ott 2008, 9:55

0
voti

[10] Re: Due enormi dubbi di un niubbo

Messaggioda Foto Utentedartfener » 12 ott 2012, 15:02

admin ha scritto:
dartfener ha scritto:Nel ramo col solo generatore non c'è resistenza

Cosa intendi con non c'è resistenza?

Credo che non sono entrato nell'ottica, vedendo il circuito come l'ha scritto mrc ho capito, sul mio disegno nella mia testa la corrente arrivata al parallelo a quel punto si divideva e sceglieva il ramo senza resistore, non so perché ma mi veniva e forse mi viene da ragionare in questo modo.

matteo375 ha scritto:
serve per forza un generatore di tensione?


Le leggi di Kirckoff sono applicabili a tutti i circuiti elettrici, può esserci un generatore di corrente anzichè di tensione (come in questo caso) ma ciò non cambia la loro validità

Guarda che sei tu che mi correggi a scriverlo male.


RenzoDF ha scritto:CUT

Mi hai molto chiarito le idee. Io pensavo che A, a priori, prima di risolvere il circuito, poteva generare una corrente diversa da quella entrante, ma ne deduco che per Kirchhoff questo è impossibile!
Avatar utente
Foto Utentedartfener
0 2
 
Messaggi: 6
Iscritto il: 12 ott 2012, 11:06

Prossimo

Torna a Elettrotecnica generale

Chi c’è in linea

Visitano il forum: Nessuno e 28 ospiti