evidentemente non ti è chiaro il concetto di neutro.
immagino che per te sia il conduttore blu che trovi aprendo una qualsiasi presa o cassetta a causa tua.
effettivamente quello è un conduttore di neutro, ipoteticamente a potenziale di terra.
ma se risali questo neutro, fino al contatore, e poi ancora a ritroso, fino alla cabina di trasformazione, scopri che questo conduttore è connesso a quello che è il centro stella del trasformatore.
è li, che è collegato a terra.
ma d'altronde lo si comprende osservando un qualsiasi schema elementare di un sistema TT.
Messa a terra TT e IT
Moderatori:
sebago,
MASSIMO-G,
lillo,
Mike
24 messaggi
• Pagina 2 di 3 • 1, 2, 3
0
voti
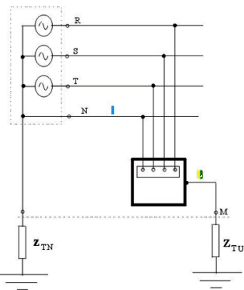
Lo schema nel manuale è così:
Un principiante, vedendo questo schema e la definizione che ho precedentemente dato, senza parlare di cabine, centro stella e compagnia bella, può capire??
Un principiante, vedendo questo schema e la definizione che ho precedentemente dato, senza parlare di cabine, centro stella e compagnia bella, può capire??
-

Elettrico91
68 1 2 8 - Frequentatore

- Messaggi: 242
- Iscritto il: 22 apr 2013, 18:02
0
voti
Perdona il tono, ma se tu avessi visto il PRIMO disegno del link al post [2] avresti capito!
Comunque ti posto due foto esplicative
Comunque ti posto due foto esplicative
Ultima modifica di
lillo il 15 mag 2013, 18:59, modificato 1 volta in totale.
Motivazione: Inserite immagini in linea con il testo.
Motivazione: Inserite immagini in linea con il testo.
0
voti
Eh però, cavolo, un conto è specificare, evitando di dare per scontato tutto il discorso della cabina e del neutro con la messa a terra della cabina, e un altro conto è mettere tre linee così, due impedenze, due simboli della terra e via. Che poi la cosa che mi rode è che "terra dell'utente" è scritto nel manuale,invece, "terra di cabina" o comunque un indizio per far capire che non c'entra niente con l'impianto da realizzare in atto pratico, no.
Ringrazio Mattew e lillo per la disponibilità e la pazienza. Chiedo scusa per l'ignoranza.
Ringrazio Nunziato per la "terra di cabina" specificata nello schema
Ringrazio Mattew e lillo per la disponibilità e la pazienza. Chiedo scusa per l'ignoranza.
Ringrazio Nunziato per la "terra di cabina" specificata nello schema
-

Elettrico91
68 1 2 8 - Frequentatore

- Messaggi: 242
- Iscritto il: 22 apr 2013, 18:02
0
voti
non scusarti
fa come me: se mi viene un dubbio, uso la funzione Cerca in alto a destra, qualcuno qui dentro ne avrà sicuramente già parlato.
ho sfogliato anche io i manuali ABB, ma per altre applicazioni, e sono sicuramente rivolti a chi si presume abbia già qualche conoscenza a rigurdo.
fa come me: se mi viene un dubbio, uso la funzione Cerca in alto a destra, qualcuno qui dentro ne avrà sicuramente già parlato.
ho sfogliato anche io i manuali ABB, ma per altre applicazioni, e sono sicuramente rivolti a chi si presume abbia già qualche conoscenza a rigurdo.
1
voti
marco61 ha scritto:Il fatto di avere una bassa corrente fa si che sulle masse non vi sia una tensione di contatto pericolosa ma il guasto deve essere segnalato attraverso dispositivi che rilevino questa perdita di isolamento. In caso di un secondo guasto (un'altra fase che va a terra per guasto) si ha un cortocircuito che fa intervenire i dispositivi di massima corrente. Infine, nel sistema IT, l'uso del differenziale non è considerato sia perché, date le basse correnti di guasto, non interverrebbe e sia proprio per una continuità di servizio.
Esistono fondamentalmente due "filosofie", due applicazioni dell'IT.
Una è questa, serve a ottenere una elevata continuità di servizio.
Esiste anche l'IT ove è richiesta l'interruzione al primo guasto. E' un IT che è un "quasi TT". E' il caso della distribuzione pubblica in Norvegia. Qualcosa di simile si ha nei sistemi di ricarica dei veicoli in corrente continua: al primo guasto non c'è una tensione di contatto pericolosa ma viene ugualemnte interrotta l'alimentazione senza aspettare il secondo.
0
voti
mi sfugge l'utilità della cosa.
se ho bisogno di interrompere al primo guasto, perché allora ho progettato in IT?
se ho bisogno di interrompere al primo guasto, perché allora ho progettato in IT?
0
voti
Se può essere utile aggiungo un collegamento a una parte della norma CEI 0-21 (Stato del Neutro).
https://docs.google.com/file/d/0B5xN-8PFFHDDZWVSUjZLUDJHdmc/edit?usp=sharing
Se vuoi, approfondisci le varie modalità di esercizio del neutro.
Per i sistemi IT, i circuiti terminali portetti da differenziali si dovrebbe fare in modo che la lunghezza dei conduttori sia la più breve possibile, e prevedere il differenziale per ogni circuito terminale.
Per impianti utilizzatori a 400/230 V si assume una corrente di guasto capacitiva di circa 0,4 A per 1 MVA di potenza installata.
In generale i sistemi IT (suppongo) danno il meglio per piccoli impianti (tipo la zona paziente in sala operatoria).
In questi impianti non vedrei di buon grado l'installazione di prese a spina, da cui a volte può svilupparsi un impianto più complesso di quello a monte.
https://docs.google.com/file/d/0B5xN-8PFFHDDZWVSUjZLUDJHdmc/edit?usp=sharing
Se vuoi, approfondisci le varie modalità di esercizio del neutro.
Per i sistemi IT, i circuiti terminali portetti da differenziali si dovrebbe fare in modo che la lunghezza dei conduttori sia la più breve possibile, e prevedere il differenziale per ogni circuito terminale.
Per impianti utilizzatori a 400/230 V si assume una corrente di guasto capacitiva di circa 0,4 A per 1 MVA di potenza installata.
In generale i sistemi IT (suppongo) danno il meglio per piccoli impianti (tipo la zona paziente in sala operatoria).
In questi impianti non vedrei di buon grado l'installazione di prese a spina, da cui a volte può svilupparsi un impianto più complesso di quello a monte.
"La progettazione, il primo presidio della sicurezza" [Michele Guetta]
24 messaggi
• Pagina 2 di 3 • 1, 2, 3
Torna a Impianti, sicurezza e quadristica
Chi c’è in linea
Visitano il forum: Nessuno e 87 ospiti

Elettrotecnica e non solo (admin)
Un gatto tra gli elettroni (IsidoroKZ)
Esperienza e simulazioni (g.schgor)
Moleskine di un idraulico (RenzoDF)
Il Blog di ElectroYou (webmaster)
Idee microcontrollate (TardoFreak)
PICcoli grandi PICMicro (Paolino)
Il blog elettrico di carloc (carloc)
DirtEYblooog (dirtydeeds)
Di tutto... un po' (jordan20)
AK47 (lillo)
Esperienze elettroniche (marco438)
Telecomunicazioni musicali (clavicordo)
Automazione ed Elettronica (gustavo)
Direttive per la sicurezza (ErnestoCappelletti)
EYnfo dall'Alaska (mir)
Apriamo il quadro! (attilio)
H7-25 (asdf)
Passione Elettrica (massimob)
Elettroni a spasso (guidob)
Bloguerra (guerra)



...sovrapposto.




