Cos'è ElectroYou | Login Iscriviti

ElectroYou - la comunità dei professionisti del mondo elettrico

Schema elettrico relé + pompa ricircolo + caldaia+valvola

Progettazione, esercizio, manutenzione, sicurezza, leggi, normative...

Moderatori: Foto Utentesebago, Foto UtenteMASSIMO-G, Foto Utentelillo, Foto UtenteMike

0
voti

[11] Re: Schema elettrico relé + pompa ricircolo + caldaia+valvol

Messaggioda Foto UtenteWALTERmwp » 19 giu 2023, 9:20

Foto UtenteEdnaKnight ha scritto:Ecco uno schema semplice che potresti utilizzare: (...)
non è uno schema.

Saluti
W - U.H.F.
Avatar utente
Foto UtenteWALTERmwp
30,2k 4 8 13
G.Master EY
G.Master EY
 
Messaggi: 8990
Iscritto il: 17 lug 2010, 18:42
Località: le 4 del mattino

0
voti

[12] Re: Schema elettrico relé + pompa ricircolo + caldaia+valvol

Messaggioda Foto Utentedjnz » 19 giu 2023, 10:21

WALTERmwp ha scritto:
Foto UtenteEdnaKnight ha scritto:Ecco uno schema semplice che potresti utilizzare: (...)
non è uno schema.


Lo sa, e non gliene può fregare di meno. Il problema è il link che ha furbescamente aggiunto alla citazione: semplice spam oppure malware?


NSE ha scritto:Se nessuno ti trova una soluzione, la via di fuga è installare un commutatore a 0-10v e lo setti a 1v, quando il segnale di comando è al 10% la pompa parte.


Non potrebbe funzionare comunque in on/off?
Una domanda ben posta è già mezza risposta.
Avatar utente
Foto Utentedjnz
1.590 1 4 7
Master
Master
 
Messaggi: 709
Iscritto il: 26 lug 2020, 14:52

0
voti

[13] Re: Schema elettrico relé + pompa ricircolo + caldaia+valvol

Messaggioda Foto UtenteNSE » 19 giu 2023, 10:29

djnz ha scritto:
Non potrebbe funzionare comunque in on/off?


NO!
é un segnale modulante, varia da 0 a 10 volt,
e la potenza è irrisoria, non ci puoi comandare nulla.
Altrove. .Volutamente Anonimo
Avatar utente
Foto UtenteNSE
3.117 2 5 7
Expert
Expert
 
Messaggi: 1178
Iscritto il: 30 nov 2014, 18:25

0
voti

[14] Re: Schema elettrico relé + pompa ricircolo + caldaia+valvol

Messaggioda Foto Utentedjnz » 19 giu 2023, 10:44

Ma se io fornisco o 0V o 10V, non è come un comando on/off?
Una domanda ben posta è già mezza risposta.
Avatar utente
Foto Utentedjnz
1.590 1 4 7
Master
Master
 
Messaggi: 709
Iscritto il: 26 lug 2020, 14:52

0
voti

[15] Re: Schema elettrico relé + pompa ricircolo + caldaia+valvol

Messaggioda Foto Utentedjnz » 19 giu 2023, 16:03

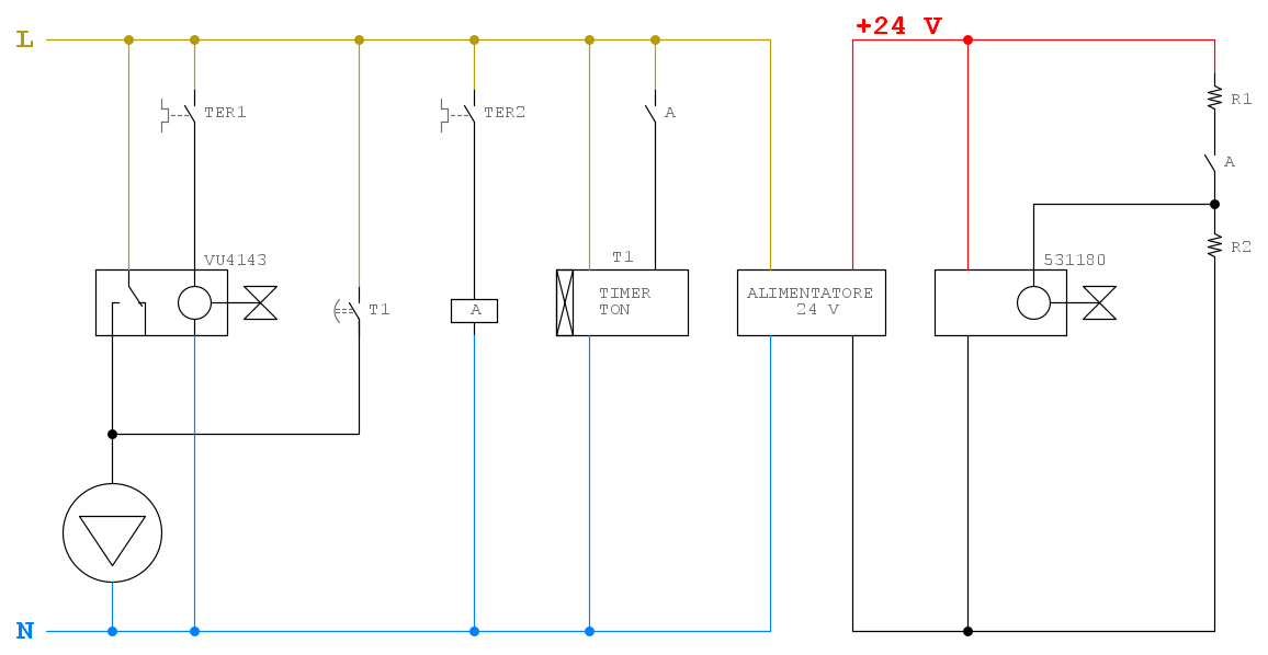
Qualcosa tipo questo:

Una domanda ben posta è già mezza risposta.
Avatar utente
Foto Utentedjnz
1.590 1 4 7
Master
Master
 
Messaggi: 709
Iscritto il: 26 lug 2020, 14:52

0
voti

[16] Re: Schema elettrico relé + pompa ricircolo + caldaia+valvol

Messaggioda Foto Utentenicsergio » 19 giu 2023, 19:35

NSE ha scritto:
djnz ha scritto:
Non potrebbe funzionare comunque in on/off?


NO!
é un segnale modulante, varia da 0 a 10 volt,


Non sono d'accordo, per come la vedo io è una valvola proporzionale, con segnale di comando 10V si apre completamente, con 0V si chiude completamente, con segnale tra 0 e 10V assume una posizione intermedia che dipende dalla caratteristica della valvola. Mediante dip-switch si può selezionare il comando 4-20 mA, si può ribaltare la caratteristica (10V=chiusa) e si può renderla lineare.
Allegati
531180.jpg
Estratto datasheet valvola
Avatar utente
Foto Utentenicsergio
4.701 3 9 13
Master
Master
 
Messaggi: 938
Iscritto il: 1 gen 2020, 16:42

0
voti

[17] Re: Schema elettrico relé + pompa ricircolo + caldaia+valvol

Messaggioda Foto Utentedjnz » 20 giu 2023, 15:43

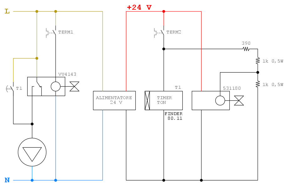
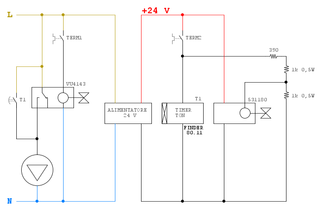
E si può semplificare ancora...

Una domanda ben posta è già mezza risposta.
Avatar utente
Foto Utentedjnz
1.590 1 4 7
Master
Master
 
Messaggi: 709
Iscritto il: 26 lug 2020, 14:52

1
voti

[18] Re: Schema elettrico relé + pompa ricircolo + caldaia+valvol

Messaggioda Foto UtenteNSE » 20 giu 2023, 16:02

Secondo me vi state avvitando.
Comanda lo schema idraulico, se non si sa come gira lo schema idraulico è inutile pensare lo schema elettrico conseguente.
é presente una valvola 0-10 significa che riceve un segnale 0-10 da un regolatore e la valvola si posizionerà ad una percentuale di apertura che varia da 0 al 100% a seconda del segnale ricevuto.

Se uno vuole utilizzare il segnale 0-10 per far partire la pompa, deve cercare di capire come è lo schema idraulico e cosa vai a comandare.

Se comandi una valvola a 2 vie e utilizzi uno switch analogico (ad un tot di volt del segnale commuti un contatto e questo attiva una pompa) ti potresti trovare a basse percentuali di carico, un impianto che pendola (apre / chiude / apre / chiude).

Insisto: devi sentire il termotecnico che schema aveva in testa. . magari quella valvola è solo un errore.
Altrove. .Volutamente Anonimo
Avatar utente
Foto UtenteNSE
3.117 2 5 7
Expert
Expert
 
Messaggi: 1178
Iscritto il: 30 nov 2014, 18:25

0
voti

[19] Re: Schema elettrico relé + pompa ricircolo + caldaia+valvol

Messaggioda Foto UtenteWALTERmwp » 20 giu 2023, 16:15

NSE ha scritto:(...) Comanda lo schema idraulico, se non si sa come gira lo schema idraulico è inutile pensare lo schema elettrico conseguente (...)
concordo.

Saluti
W - U.H.F.
Avatar utente
Foto UtenteWALTERmwp
30,2k 4 8 13
G.Master EY
G.Master EY
 
Messaggi: 8990
Iscritto il: 17 lug 2010, 18:42
Località: le 4 del mattino

0
voti

[20] Re: Schema elettrico relé + pompa ricircolo + caldaia+valvol

Messaggioda Foto Utentedjnz » 20 giu 2023, 16:32

djnz ha scritto:Ho dato per scontato che si stia parlando di semplici termostati con uscita on/off.

OP non ha ancora né confermato, né smentito, quindi si, stiamo ancora parlando di teorie.
Una domanda ben posta è già mezza risposta.
Avatar utente
Foto Utentedjnz
1.590 1 4 7
Master
Master
 
Messaggi: 709
Iscritto il: 26 lug 2020, 14:52

PrecedenteProssimo

Torna a Impianti, sicurezza e quadristica

Chi c’è in linea

Visitano il forum: Nessuno e 71 ospiti