Cos'è ElectroYou | Login Iscriviti

ElectroYou - la comunità dei professionisti del mondo elettrico

Allarme !! Sovraccarico Reti ENEL BT

Progettazione, esercizio, manutenzione, sicurezza, leggi, normative...

Moderatori: Foto Utentesebago, Foto UtenteMASSIMO-G, Foto Utentelillo, Foto UtenteMike

6
voti

[21] Re: Allarme !! Sovraccarico Reti ENEL BT

Messaggioda Foto Utentem_dalpra » 3 nov 2011, 23:13

Ragazzi, forse mi sono spiegato male, o qualcuno di voi ha "divagato" troppo!!!
;-)

Non ci sono effetti che tengano : queste solo linee BT semplicemente SOTTODIMENSIONATE !!
(da parte del distributore)
Che poi sono anche alimentate da un banalissimo trasformatore a palo.

Ricordo che le cabine ENEL locali (cioè MT/Bt) non hanno alcun sistema automatico di regolazione della tensione (almeno tutte quelle che ho visto io).
La regolazione della tensione deriva solo dalla Cabina Primaria (AT/MT).
I problemi di una zona/linea Bt, quindi, sono localizzati e circoscritti dove abbiamo la linea sottodimensionate/sovraccaricata.
E' solo questione di spendere o meno soldi per potenziare le linee di distribuzione Bt.
Marco

Quel che ci dà la vera forza per affrontare con piacere la vita è il sentirsi utile agli altri. z.m.
Avatar utente
Foto Utentem_dalpra
37,5k 6 10 12
-EY Legend-
-EY Legend-
 
Messaggi: 1155
Iscritto il: 30 ago 2004, 11:04
Località: Mestre (Venezia)

0
voti

[22] Re: Allarme !! Sovraccarico Reti ENEL BT

Messaggioda Foto Utentepaolo a m » 4 nov 2011, 9:38

m_dalpra ha scritto:Non ci sono effetti che tengano : queste solo linee BT semplicemente SOTTODIMENSIONATE !!

Concordo. Ti sei spiegato bene.
Avatar utente
Foto Utentepaolo a m
5.337 1 2 4
G.Master EY
G.Master EY
 
Messaggi: 1802
Iscritto il: 23 apr 2008, 8:55

0
voti

[23] Re: Allarme !! Sovraccarico Reti ENEL BT

Messaggioda Foto Utenteelettro » 6 nov 2011, 15:00

Assodato che in questa zona le "cabine" MT/BT sono di fato assodate da "trafo" a palo senza spire di correzione rapporto trasformazione, e comunque si sa, l'Enel non può aggiornare la linea distribuzione di tutta la rete, pena il fallimento....
Comunque, detto questo, questa benedetta sovratensione come si manifesta...????
Di solito è assodata a fenomeni di potenza reattiva in eccesso immessa i rete....???
D'altronde, non possiamo escludere una determinata capacità parassita sule linee BT della zona o dell'impianto fotovoltaico...
Avatar utente
Foto Utenteelettro
942 3 5 9
Expert
Expert
 
Messaggi: 2813
Iscritto il: 9 mar 2005, 19:23

1
voti

[24] Re: Allarme !! Sovraccarico Reti ENEL BT

Messaggioda Foto Utentepaolo a m » 6 nov 2011, 17:27

E dai. Eppure mi pare che in questa discussione sia emerso con chiarezza quale sia la causa, in fondo molto banale, del problema:
m_dalpra ha scritto:Non ci sono effetti che tengano : queste solo linee BT semplicemente SOTTODIMENSIONATE !!

andre.rubiu ha scritto:La vera causa delle sovratensione è da imputare alla debolezza della rete in cui viene connesso l'impianto di produzione. In altri termini una linea lunga se prima la rete era dimensionata per portare una certa quantità di energia e ora attraverso una linea lunga si trova a portarne meno è evidente che a fine linea si avrà una minor caduta di tensione...

Semmai la difficoltà sta nel risolvere il problema che si ritrova l'utente quando il distributore non interviene ad adeguare le reti terminali di BT.
Avatar utente
Foto Utentepaolo a m
5.337 1 2 4
G.Master EY
G.Master EY
 
Messaggi: 1802
Iscritto il: 23 apr 2008, 8:55

5
voti

[25] Re: Allarme !! Sovraccarico Reti ENEL BT

Messaggioda Foto Utenteadmin » 7 nov 2011, 17:07

elettro ha scritto:[..]
Comunque, detto questo, questa benedetta sovratensione come si manifesta...????
[..].


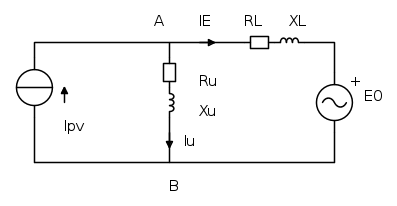
Basta sapere che il generatore fotovoltaico è un generatore di corrente.
Lo schema semplificato da considerare è il seguente e non serve fantasticare sulle capacità di esercizio (non parassite) né, tantomeno, sull'effetto Ferranti.



La tensione sul carico si ottiene aggiungendo vettorialmente alla tensione a vuoto \dot E_0 del trasformatore Enel, le cadute di tensione di linea e trasformatore (RL ed XL rappresentano l'impedenza complessiva, ma preponderante sarà quella della linea)

\dot U_{AB}=\dot E_0 + (R_L + jX_L ) \dot I_E

\dot I_{PV}=\dot I_E+\dot I_u

Se supponiamo che il carico non assorba corrente e che l'inverter fornisca solo potenza attiva, abbiamo il seguente diagramma vettoriale



dove si vede che U_{AB}>E_0 tanto più poi quanto maggiore è I_{PV }, quindi nelle ore di massima produzione, e quanto maggiore è R_L, cioè quanto più è sottodimensionata la linea, come è stato già detto.
Avatar utente
Foto Utenteadmin
196,7k 9 12 17
Manager
Manager
 
Messaggi: 11953
Iscritto il: 6 ago 2004, 13:14

-1
voti

[26] Re: Allarme !! Sovraccarico Reti ENEL BT

Messaggioda Foto Utenteelettro » 8 nov 2011, 16:20

Prendo atto delle indicazioni di Admin....ma non posso fare a meno di elaborare una nuova teoria:----

Probabilmente, nella progettazione di questo impianto, non è stata rispettata la giusta proporzione nel raffronto tra il numero di stringhe in serie e le associazioni con gli inverter....
In questo caso, nelle giornate + congeniali al fine della produzione fotovoltaica, si verifica una sovratensione prodotta dalle stringhe associate al singolo inverter, il quale, non può fare alto che regolare la sovratensione in uscita mediante l'intervento del classico triac, il quale non può esercitare una azione spropositata sulla tensione di uscita...
Di fatto bisogna vedere se gli inverter sono a sinusoide pura o equivalente...comunque, anche se l'inverter è tenuto a mantenere il punto di maggiore rendimento, non si può nemmeno pretendere il contenimento di un errore di valutazione a monte impianto....

In questo caso, e a questo punto della storia, mi sento di consigliare, il modulo di regolazione di tensione a nucleo-mobile pilotato da motore passo-passo; veloce, affidabile e sicuro, peccato il prezzo....

Questi 275 VAC letti in regime di picco di tensione transiente, si devono per forza inibire in qualche modo.......
Avatar utente
Foto Utenteelettro
942 3 5 9
Expert
Expert
 
Messaggi: 2813
Iscritto il: 9 mar 2005, 19:23

0
voti

[27] Re: Allarme !! Sovraccarico Reti ENEL BT

Messaggioda Foto Utentepaolo a m » 9 nov 2011, 9:54

E dai di nuovo. Sarebbe però il caso di non esagerare con la fantasia quando si parla di elettrotecnica. Soprattutto dopo la chiara spiegazione di admin.
Avatar utente
Foto Utentepaolo a m
5.337 1 2 4
G.Master EY
G.Master EY
 
Messaggi: 1802
Iscritto il: 23 apr 2008, 8:55

0
voti

[28] Re: Allarme !! Sovraccarico Reti ENEL BT

Messaggioda Foto Utenteelettro » 9 nov 2011, 13:46

La mia è una ipotesi supportata da basi oggettive e non una fantasia....!!

Il problema è stato risolto...?? credo di no...?? quindi non è così facile come sembra...
Avatar utente
Foto Utenteelettro
942 3 5 9
Expert
Expert
 
Messaggi: 2813
Iscritto il: 9 mar 2005, 19:23

2
voti

[29] Re: Allarme !! Sovraccarico Reti ENEL BT

Messaggioda Foto Utentem_dalpra » 15 nov 2011, 23:14

Ringrazio Admin per l'ottima spiegazione con il diagramma vettoriale.

Ricordo ad Elettro che gli inverter per il fotovoltaico, come prevede la normativa (e come chiaramente indicato nel diagramma di Admin), non sono generatori di tensione, ma sono generatori di corrente.
Tra l'altro i TRIAC non si usano da anni, forse decenni, negli inverter.
Marco

Quel che ci dà la vera forza per affrontare con piacere la vita è il sentirsi utile agli altri. z.m.
Avatar utente
Foto Utentem_dalpra
37,5k 6 10 12
-EY Legend-
-EY Legend-
 
Messaggi: 1155
Iscritto il: 30 ago 2004, 11:04
Località: Mestre (Venezia)

0
voti

[30] Re: Allarme !! Sovraccarico Reti ENEL BT

Messaggioda Foto Utentebryel83 » 4 set 2012, 10:30

Buongiorno a tutti,
la questione è stata ampiamente discussa ed il risultato evidenzia che il problema sta nell'inadeguatezza delle linee elettriche BT.
A questo punto però, volendo risolvere il problema in altro modo (date le tempistiche Enel), è possibile utilizzare uno stabilizzatore bidirezionale? Si tratta di un dispositivo a norma di legge? Quali inconvenienti possono sorgere?

Grazie a chiunque saprà rispondermi. O_/
Avatar utente
Foto Utentebryel83
0 2
 
Messaggi: 8
Iscritto il: 26 gen 2011, 12:47

PrecedenteProssimo

Torna a Impianti, sicurezza e quadristica

Chi c’è in linea

Visitano il forum: Nessuno e 145 ospiti