Ottenere una tensione monofase dalla trifase
Moderatori:
sebago,
MASSIMO-G,
lillo,
Mike
2
voti
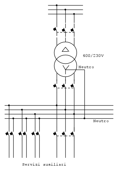
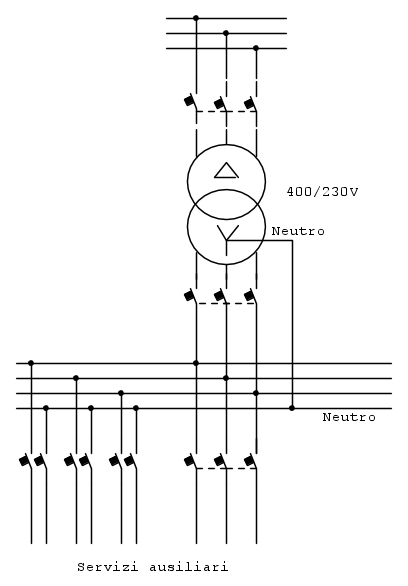
Lo schema del tuo trasformatore non chiarisce niente - tu essendo anche un diplomato in elettrotecnica avresti dovuto rilevare un fax simile di schema perché ci sei tu nella nave, noi dobbiamo immaginare, con le poche informazioni che dai. Cerca di aggiornare questo schema - verifica schemi elettrici in dotazione della nave.
-

StefanoSunda
2.885 3 6 10 - Master

- Messaggi: 1965
- Iscritto il: 16 set 2010, 19:29
0
voti
Certo per carità tu hai ragione, io ho controllato anche tutti gli altri schemi ed le monografie se vi serve c'è lo schema della distribuzione generale elettrica della nave, ma non c'è nulla di piu dettagliato per quanto riguarda l'argomento da me richiesto. 
-

schumy91
134 1 6 8 - Sostenitore

- Messaggi: 797
- Iscritto il: 13 gen 2008, 0:30
- Località: Cittadino del Mondo
3
voti
0
voti
admin ha scritto:No.
Lo scafo è il centro stella delle capacità dei cavi rispetto allo stesso scafo.
avevo presupposto che questa fosse la configurazione, ma non pensavo che si potesse ottenere una centro massa "virtuale" attraverso la capacità parassita degli avvolgimenti e cavi.
saluti.
-

lelerelele
4.899 3 7 9 - Master

- Messaggi: 5505
- Iscritto il: 8 giu 2011, 8:57
- Località: Reggio Emilia
0
voti
Bisogna appurare quale delle due configurazioni di distribuzione si è adottato nella nave.Certo per carità tu hai ragione, io ho controllato anche tutti gli altri schemi ed le monografie se vi serve c'è lo schema della distribuzione generale elettrica della nave, ma non c'è nulla di piu dettagliato per quanto riguarda l'argomento da me richiesto
-

StefanoSunda
2.885 3 6 10 - Master

- Messaggi: 1965
- Iscritto il: 16 set 2010, 19:29
Torna a Impianti, sicurezza e quadristica
Chi c’è in linea
Visitano il forum: Nessuno e 111 ospiti

Elettrotecnica e non solo (admin)
Un gatto tra gli elettroni (IsidoroKZ)
Esperienza e simulazioni (g.schgor)
Moleskine di un idraulico (RenzoDF)
Il Blog di ElectroYou (webmaster)
Idee microcontrollate (TardoFreak)
PICcoli grandi PICMicro (Paolino)
Il blog elettrico di carloc (carloc)
DirtEYblooog (dirtydeeds)
Di tutto... un po' (jordan20)
AK47 (lillo)
Esperienze elettroniche (marco438)
Telecomunicazioni musicali (clavicordo)
Automazione ed Elettronica (gustavo)
Direttive per la sicurezza (ErnestoCappelletti)
EYnfo dall'Alaska (mir)
Apriamo il quadro! (attilio)
H7-25 (asdf)
Passione Elettrica (massimob)
Elettroni a spasso (guidob)
Bloguerra (guerra)




