Lampada comandata da tre pulsanti
Moderatori:
sebago,
MASSIMO-G,
lillo,
Mike
26 messaggi
• Pagina 1 di 3 • 1, 2, 3
0
voti
Ciao a tutti,dovrei comandare una lampada da tre punti diversi,con 3 pulsanti ed un rele.
Il rele ha i seguenti contatti: A1-A2-1 e 2 (ovvero ha 4 contatti in totale....mai visto prima d ora...mi trovo in germania,e sto facendo qua´un impiantino a casa di mio zio...purtroppo quelli della finder non riesco a trovarli qua.)
Come devo collegare il tutto?
Grazie anticipatamente
Il rele ha i seguenti contatti: A1-A2-1 e 2 (ovvero ha 4 contatti in totale....mai visto prima d ora...mi trovo in germania,e sto facendo qua´un impiantino a casa di mio zio...purtroppo quelli della finder non riesco a trovarli qua.)
Come devo collegare il tutto?
Grazie anticipatamente
0
voti
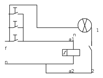
A1 e A2 se non erro dovrebbero essere Fase e Neutro della bobbina del relè...1 e 2 interruzione della fase..drovrebbe andare cosi...controlla che sia 220 vac
-

carlomusumeci
353 5 7 - Sostenitore

- Messaggi: 526
- Iscritto il: 8 apr 2011, 0:35
0
voti
per avere info dettagliate dovresti postare il codice del relè finder che stai utilizzando, premesso che la finder la trovi qui verifica se nel pdf il modello è quell oche hai disponibile oppure posta il modello e vediamo.
0
voti
carlomusumeci ha scritto:.drovrebbe andare cosi..
è consigliabile inviare al corpo illuminante (lampada) direttamente il conduttore di neutro ed interrompere il conduttore di fase
1
voti
carlomusumeci ha scritto:A1 e A2 se non erro dovrebbero essere Fase e Neutro della bobbina del relè...1 e 2 interruzione della fase..drovrebbe andare cosi...controlla che sia 220 vac
Forse è meglio che fai a meno di dare consigli su schemi elettrici
-

Pierluigi2002
1.048 2 3 6 - Expert

- Messaggi: 1599
- Iscritto il: 23 gen 2008, 23:12
0
voti
Ciao Fabio, non seguire lo schema postato da Musumeci.
Ti voglio chiedere una cosa, leggo nel tuo post che stai facendo un impianto a tuo zio in germania, ma in germania chi esegue impianti elettrici deve rilasciare una documentazione (tipo DICO per l'italia ) o lo spreed è talmente basso che la MERCHELL (non so se si scrive cosi ma si capisce) lascia libero il mercato?
Rispondimi seriamente non è una scherzo
Ti voglio chiedere una cosa, leggo nel tuo post che stai facendo un impianto a tuo zio in germania, ma in germania chi esegue impianti elettrici deve rilasciare una documentazione (tipo DICO per l'italia ) o lo spreed è talmente basso che la MERCHELL (non so se si scrive cosi ma si capisce) lascia libero il mercato?
Rispondimi seriamente non è una scherzo
-

Pierluigi2002
1.048 2 3 6 - Expert

- Messaggi: 1599
- Iscritto il: 23 gen 2008, 23:12
0
voti
mir ha scritto:carlomusumeci ha scritto:.drovrebbe andare cosi..
è consigliabile inviare al corpo illuminante (lampada) direttamente il conduttore di neutro ed interrompere il conduttore di fase![]()
vorrei prendere in considerazione questo schema,pero´non mi quadrano i contatti..rispetto allo schema,quali sarebbero i contatti che ho io sul rele´?? I pulsanti vanno in parallelo?? Grazie
0
voti
fabio1011 ha scritto:quali sarebbero i contatti che ho io sul rele´??
fabio1011 ha scritto:I pulsanti vanno in parallelo??
si.
mi ripeto però dicendo che se posti la sigla del relè finder potremmo esser più precisi.
0
voti
grazie Mir....ti posto direttamente il rele......fammi sapere
PS: da come potrai leggere nel mio primo messaggio,il rele´non e´finder,in quanto non riesco a trovarne in germania.. :)
PS: da come potrai leggere nel mio primo messaggio,il rele´non e´finder,in quanto non riesco a trovarne in germania.. :)
26 messaggi
• Pagina 1 di 3 • 1, 2, 3
Torna a Impianti, sicurezza e quadristica
Chi c’è in linea
Visitano il forum: Google Adsense [Bot] e 70 ospiti

Elettrotecnica e non solo (admin)
Un gatto tra gli elettroni (IsidoroKZ)
Esperienza e simulazioni (g.schgor)
Moleskine di un idraulico (RenzoDF)
Il Blog di ElectroYou (webmaster)
Idee microcontrollate (TardoFreak)
PICcoli grandi PICMicro (Paolino)
Il blog elettrico di carloc (carloc)
DirtEYblooog (dirtydeeds)
Di tutto... un po' (jordan20)
AK47 (lillo)
Esperienze elettroniche (marco438)
Telecomunicazioni musicali (clavicordo)
Automazione ed Elettronica (gustavo)
Direttive per la sicurezza (ErnestoCappelletti)
EYnfo dall'Alaska (mir)
Apriamo il quadro! (attilio)
H7-25 (asdf)
Passione Elettrica (massimob)
Elettroni a spasso (guidob)
Bloguerra (guerra)





