sto costruendo un piccolo quadro elettrico per far funzionare un motore 12V (molto piccolo).
Le funzioni sono:
- Interruttore a chiave
- Marcia
- Arresto
- Rallentamento
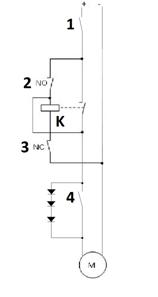
Dato che ho messo dei numeri ecco qua una breve legenda:
1) Interruttore a chiave
2) Marcia (pulsante NO) http://it.rs-online.com/web/p/pulsanti/4793576/
3) Arresto (pulsante NC) http://it.rs-online.com/web/p/pulsanti/4793627/
4) Rallentamento (pulsante NA, mantenuto) http://it.rs-online.com/web/p/pulsanti/4793790/
k) relè 1 scambio, 12V.
Fatto ciò, mi chiedevo se poteva andare bene e soprattutto se con qualche piccola modifica (a prezzo il più possibile basso, dato che non ne ho molti a disposizione) si poteva aggiungere un led per ciascuna funzione che si illuminasse all'attivazione (led rosso quando il motore è spento, verde quando gira, giallo quando rallenta).
Sapete aiutarmi?
Grazie in anticipo

Elettrotecnica e non solo (admin)
Un gatto tra gli elettroni (IsidoroKZ)
Esperienza e simulazioni (g.schgor)
Moleskine di un idraulico (RenzoDF)
Il Blog di ElectroYou (webmaster)
Idee microcontrollate (TardoFreak)
PICcoli grandi PICMicro (Paolino)
Il blog elettrico di carloc (carloc)
DirtEYblooog (dirtydeeds)
Di tutto... un po' (jordan20)
AK47 (lillo)
Esperienze elettroniche (marco438)
Telecomunicazioni musicali (clavicordo)
Automazione ed Elettronica (gustavo)
Direttive per la sicurezza (ErnestoCappelletti)
EYnfo dall'Alaska (mir)
Apriamo il quadro! (attilio)
H7-25 (asdf)
Passione Elettrica (massimob)
Elettroni a spasso (guidob)
Bloguerra (guerra)








