Cos'è ElectroYou | Login Iscriviti

ElectroYou - la comunità dei professionisti del mondo elettrico

Consigli su piccolo quadro

Progettazione, esercizio, manutenzione, sicurezza, leggi, normative...

Moderatori: Foto Utentesebago, Foto UtenteMASSIMO-G, Foto Utentelillo, Foto UtenteMike

0
voti

[1] Consigli su piccolo quadro

Messaggioda Foto UtenteInterested » 13 apr 2012, 14:50

Salve a tutti,
sto costruendo un piccolo quadro elettrico per far funzionare un motore 12V (molto piccolo).
Le funzioni sono:
  • Interruttore a chiave
  • Marcia
  • Arresto
  • Rallentamento
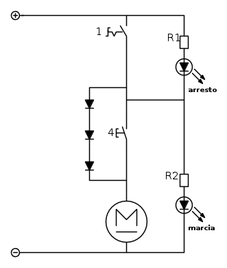
Ho già fatto una bozza, la potete vedere qua sotto:
schema 1.JPG
schema 1.JPG (4.06 KiB) Osservato 10893 volte



Dato che ho messo dei numeri ecco qua una breve legenda:
1) Interruttore a chiave
2) Marcia (pulsante NO) http://it.rs-online.com/web/p/pulsanti/4793576/
3) Arresto (pulsante NC) http://it.rs-online.com/web/p/pulsanti/4793627/
4) Rallentamento (pulsante NA, mantenuto) http://it.rs-online.com/web/p/pulsanti/4793790/
k) relè 1 scambio, 12V.
Fatto ciò, mi chiedevo se poteva andare bene e soprattutto se con qualche piccola modifica (a prezzo il più possibile basso, dato che non ne ho molti a disposizione) si poteva aggiungere un led per ciascuna funzione che si illuminasse all'attivazione (led rosso quando il motore è spento, verde quando gira, giallo quando rallenta).
Sapete aiutarmi?
Grazie in anticipo
Ultima modifica di Foto Utentemir il 13 apr 2012, 16:59, modificato 1 volta in totale.
Motivazione: edit mir : ridimensionamento immagine.
Avatar utente
Foto UtenteInterested
90 4
New entry
New entry
 
Messaggi: 59
Iscritto il: 12 apr 2012, 14:57

0
voti

[2] Re: Consigli su piccolo quadro

Messaggioda Foto Utentemir » 13 apr 2012, 16:56

Foto UtenteInteresteduna piccola nota:

le immagini devono avere dimensioni corrette cioè non enormi, e gli schemi vanno postati con fidocadj semplice software di disegno tecnico, si trovano le info nella barra dei menu in alto alla voce Help
Avatar utente
Foto Utentemir
66,0k 9 12 13
G.Master EY
G.Master EY
 
Messaggi: 21870
Iscritto il: 19 ago 2004, 21:10

0
voti

[3] Re: Consigli su piccolo quadro

Messaggioda Foto UtenteInterested » 13 apr 2012, 17:02

Ah scusa, in effetti avevo letto il post delle regole, ma l'immagine mi sembrava ancora abbastanza accettabile.
Il software appena posso lo scarico. :ok:
Consigli per i led? :roll:
Avatar utente
Foto UtenteInterested
90 4
New entry
New entry
 
Messaggi: 59
Iscritto il: 12 apr 2012, 14:57

0
voti

[4] Re: Consigli su piccolo quadro

Messaggioda Foto Utentemir » 13 apr 2012, 17:16

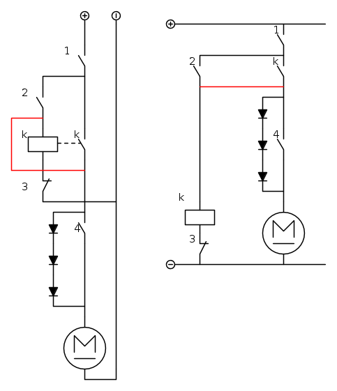
negli schemi che ho ridisegnato con fidocadj ho rispettato il tuo disegno, ma rivedendoli ho notato che c'è qualche correzione da fare sia per i simboli utilizzati che sul circuito di marcia arresto, pertanto lo schema diventa del tipo:

mancano le specifiche del valore di tensione di alimentazione e del motore.
Avatar utente
Foto Utentemir
66,0k 9 12 13
G.Master EY
G.Master EY
 
Messaggi: 21870
Iscritto il: 19 ago 2004, 21:10

0
voti

[5] Re: Consigli su piccolo quadro

Messaggioda Foto UtenteInterested » 13 apr 2012, 18:39

Uhm, ho provato ad interpretare il tuo schema.
Ho capito tutto, tranne la parte che ho cerchiato qui sotto in rosso...

4d963bafa2478ae45d74681457e59902df2b8380_3.png
4d963bafa2478ae45d74681457e59902df2b8380_3.png (13 KiB) Osservato 10874 volte


Sono mica i led?
E k1, k2, k3 chi sono?
Avatar utente
Foto UtenteInterested
90 4
New entry
New entry
 
Messaggi: 59
Iscritto il: 12 apr 2012, 14:57

0
voti

[6] Re: Consigli su piccolo quadro

Messaggioda Foto Utentemir » 13 apr 2012, 21:09

esatto sono i diodi led per la segnalazione di marcia e di arresto ed i k2 k3 sono rispettivamente il contatto NO (normalmente aperto) ed NC (normalmente chiuso) del relè k;
pertanto il relè k dovrà avere più di un contatto NO ed NC.
non ho indicato i valori in Ohm dei resistori poiché non conosco il valore di tensione in gioco ed il tipo di diodo led che vuoi utilizzare.
Avatar utente
Foto Utentemir
66,0k 9 12 13
G.Master EY
G.Master EY
 
Messaggi: 21870
Iscritto il: 19 ago 2004, 21:10

0
voti

[7] Re: Consigli su piccolo quadro

Messaggioda Foto UtenteCandy » 13 apr 2012, 22:11

Scusate, ma qual è la corrente nominale del motore?
Parli di voler risparmiare ma pensi ad un circuito inutilmente complesso...

Avatar utente
Foto UtenteCandy
32,5k 7 10 13
CRU - Account cancellato su Richiesta utente
 
Messaggi: 10123
Iscritto il: 14 giu 2010, 22:54

0
voti

[8] Re: Consigli su piccolo quadro

Messaggioda Foto UtenteInterested » 14 apr 2012, 12:53

La corrente nominale è di 12V. Scusate, potreste fare disegnare i circuiti in verticale, come il primo mio, così riesco a capirli meglio? Altrimenti faccio molta più fatica...
Interessante l'ultimo schema proposto, devo solo capirlo... :roll:
Avatar utente
Foto UtenteInterested
90 4
New entry
New entry
 
Messaggi: 59
Iscritto il: 12 apr 2012, 14:57

0
voti

[9] Re: Consigli su piccolo quadro

Messaggioda Foto Utente6367 » 14 apr 2012, 21:22

La corrente nominale è di 12 V.



#-o
Avatar utente
Foto Utente6367
22,3k 6 9 12
G.Master EY
G.Master EY
 
Messaggi: 6997
Iscritto il: 9 set 2005, 0:00

0
voti

[10] Re: Consigli su piccolo quadro

Messaggioda Foto UtenteInterested » 14 apr 2012, 22:20

Ehm, scusa, ma oltre a 12V non saprei cosa dirti, visto che è l'unica cosa che al momento so.
Ma non mi sembra possa influire sullo schema (a parte il n°diodi e il relè che comunque non cambia come circuito)
Avatar utente
Foto UtenteInterested
90 4
New entry
New entry
 
Messaggi: 59
Iscritto il: 12 apr 2012, 14:57

Prossimo

Torna a Impianti, sicurezza e quadristica

Chi c’è in linea

Visitano il forum: Nessuno e 101 ospiti