Buonasera a tutti.
Vorrei un aiuto su come realizzare un circuito accensione luci in una stanza con due gruppi di lampade o tre gruppi di lampade.
Vorrei montare all'ingresso un pulsante o un interruttore che mi accenda due gruppi di lampade o tre gruppi di lampade contemporaneamente (devo ancora decidere ovviamente se è possibile), ma poi poterle spegnere singolarmente i gruppi di lampade da altri pulsanti o interruttori.
E' possibile farlo ?
Grazie a chiunque mi voglia aiutare
Problema con circuito accensioni luci
Moderatori:
sebago,
MASSIMO-G,
lillo,
Mike
19 messaggi
• Pagina 1 di 2 • 1, 2
0
voti
Svolgo il compitino di
nicsergio
- P1 agisce sulle due lampade L1, L2 contmporaneamente
- P2 agisce su L1
- P3 agisce su L2
Partendo dalla situazione "L1, L2 spente", qual e' lo stato "finale" di L1, L2 (ON/OFF) premendo I pulsanti P1, P2, P3 nelle sequenze da A a U?
- P1 agisce sulle due lampade L1, L2 contmporaneamente
- P2 agisce su L1
- P3 agisce su L2
Partendo dalla situazione "L1, L2 spente", qual e' lo stato "finale" di L1, L2 (ON/OFF) premendo I pulsanti P1, P2, P3 nelle sequenze da A a U?
0
voti
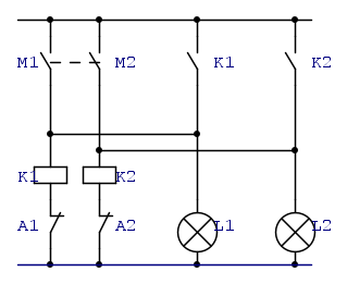
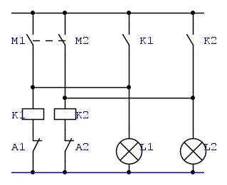
io farei così:
M1-M2 è un pulsante con due contatti n.a. , se servissero tre lampade dovresti trovare un pulsante sul quale si possono montare tre contatti, oppure adottare uno schema leggermente più complesso con un altro contattore con tre contatti
M1-M2 è un pulsante con due contatti n.a. , se servissero tre lampade dovresti trovare un pulsante sul quale si possono montare tre contatti, oppure adottare uno schema leggermente più complesso con un altro contattore con tre contatti
-

SediciAmpere
4.187 5 5 8 - Master

- Messaggi: 4848
- Iscritto il: 31 ott 2013, 15:00
0
voti
Io ho l'impressione che il problema sia mal posto, perché un funzionamento come descritto in modo strettamente letterale sarebbe qualcosa di scomodissimo.
Immagino che volesse dire: "vorrei comandare tutti i gruppi insieme da un punto, sia in accensione che in spegnimento, e da altri punti comandare singolarmente i gruppi, sempre sia in accensione che in spegnimento".
È una logica e una complessità ben diversa.
Il che crea la necessità di ulteriori chiarimenti su cosa dovrebbe succedere quando agendo dal primo punto di comando ci siano alcuni gruppi accesi e altri no.
In sostanza l'interessato dovrebbe prima di tutto rispondere alle domande che sono state fatte, altrimenti per noi è inutile ipotizzare qualsiasi "soluzione"
Immagino che volesse dire: "vorrei comandare tutti i gruppi insieme da un punto, sia in accensione che in spegnimento, e da altri punti comandare singolarmente i gruppi, sempre sia in accensione che in spegnimento".
È una logica e una complessità ben diversa.
Il che crea la necessità di ulteriori chiarimenti su cosa dovrebbe succedere quando agendo dal primo punto di comando ci siano alcuni gruppi accesi e altri no.
In sostanza l'interessato dovrebbe prima di tutto rispondere alle domande che sono state fatte, altrimenti per noi è inutile ipotizzare qualsiasi "soluzione"
Una domanda ben posta è già mezza risposta.
0
voti
djnz ha scritto:Io ho l'impressione che il problema sia mal posto, perché un funzionamento come descritto in modo strettamente letterale sarebbe qualcosa di scomodissimo.
Immagino che volesse dire: "vorrei comandare tutti i gruppi insieme da un punto, sia in accensione che in spegnimento, e da altri punti comandare singolarmente i gruppi, sempre sia in accensione che in spegnimento".
È una logica e una complessità ben diversa.
Il che crea la necessità di ulteriori chiarimenti su cosa dovrebbe succedere quando agendo dal primo punto di comando ci siano alcuni gruppi accesi e altri no.
In sostanza l'interessato dovrebbe prima di tutto rispondere alle domande che sono state fatte, altrimenti per noi è inutile ipotizzare qualsiasi "soluzione"
Si, io vorrei comandare più gruppi di lampade in accensione e spegnimento da un solo punto. Per poi comandare questi gruppi singolarmente da altri pulsanti. L'idea mi è venuta perché sono stato in una camera d'albergo che funzionava così. Ovviamente mettendo la carta nel badgê accendeva tutte le luci della camera per poi da vari pulsante mi permetteva di accendere o spegnere gruppi di lampade.
0
voti
SediciAmpere ha scritto:io farei così:
M1-M2 è un pulsante con due contatti n.a. , se servissero tre lampade dovresti trovare un pulsante sul quale si possono montare tre contatti, oppure adottare uno schema leggermente più complesso con un altro contattore con tre contatti
Grazie ma mi sa che non mi sono saputo spiegare.
19 messaggi
• Pagina 1 di 2 • 1, 2
Torna a Impianti, sicurezza e quadristica
Chi c’è in linea
Visitano il forum: Nessuno e 104 ospiti

Elettrotecnica e non solo (admin)
Un gatto tra gli elettroni (IsidoroKZ)
Esperienza e simulazioni (g.schgor)
Moleskine di un idraulico (RenzoDF)
Il Blog di ElectroYou (webmaster)
Idee microcontrollate (TardoFreak)
PICcoli grandi PICMicro (Paolino)
Il blog elettrico di carloc (carloc)
DirtEYblooog (dirtydeeds)
Di tutto... un po' (jordan20)
AK47 (lillo)
Esperienze elettroniche (marco438)
Telecomunicazioni musicali (clavicordo)
Automazione ed Elettronica (gustavo)
Direttive per la sicurezza (ErnestoCappelletti)
EYnfo dall'Alaska (mir)
Apriamo il quadro! (attilio)
H7-25 (asdf)
Passione Elettrica (massimob)
Elettroni a spasso (guidob)
Bloguerra (guerra)






