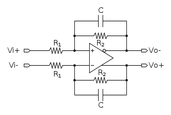
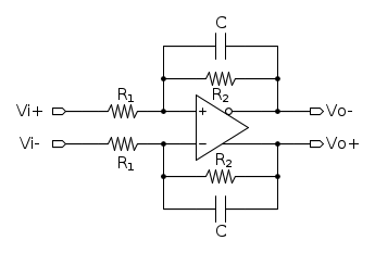
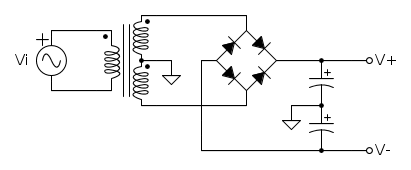
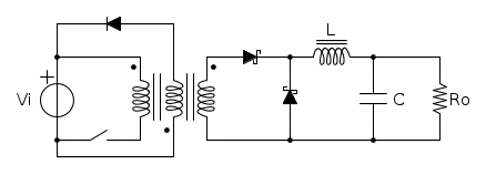
Gli schemi sono molto belli
EnChamade ha scritto:Si, sarebbe una buona idea revisionare quella, così si evita di avere molte librerie. Si potrebbe revisionare anche il modo con cui sono divisi i vari elementi? Nel senso, se io sostituisco il simbolo vecchio con quello nuovo, tenendo i stessi riferimenti, ho un sorta di retrocompatibilità. Però se raggruppo i simboli in modo diverso, la retrocompatibilità rimane comunque?
Se sostituisci un simbolo vecchio con uno nuovo, è indispensabile che le dimensioni siano identiche e che un vecchio schema, ridisegnato utilizzando il nuovo simbolo, rimanga comunque corretto.
Puoi cambiare di posto come vuoi i simboli nella libreria, il programma mostra le categorie solo per l'utente, ma non hanno nessuna importanza per il database interno.
Quello che conta è invece il nome del file e la "chiave". Per esempio, il componente con chiave "pippo" nella libreria contenuta nel file "pluto.fcl" verrà richiamato con MC seguito da alcuni dati e poi "pluto.pippo".
C'è una categoria un po' speciale, che si chiama "hidden" ed i componenti lì dentro non vengono mostrati, anche se rimangono disponibili se un disegno già li usa: servono a mantenere la retrocompatibilità, ma anche a scoraggiare l'uso di certi simboli.
Vi lascerei l'onere di manifestarvi con i moderatori di it.hobby.radioamatori.moderato, se sono d'accordo, per me si può revisionare la libreria e poi includere la libreria revisionata fra quelle di default della prossima versione di FidoCadJ.
Semai, però, prevedete un
acid test per essere sicuri che la compatibilità con il passato venga mantenuta (una sorta di disegno, generato automaticamente, contenente tutti i simboli, libreria per libreria?).
P.S.
EnChamade, tu sai usare svn, per caso?
