mi pare sia stato detto che il tutto si può fare con una sola andata e il rispettivo ritorno, nel tuo metodo ho contato almeno il doppio di strada
inoltre mi pare anche sia stato affermato, che il metodo in questione (e quindi deduco anche il numero di "andata e ritorno") vale qualsiasi sia il numero di cavi "anonimi" purché dispari (179??)
io confesso che uso un altro metodo, ma ho pensato a questa soluzione:
1. mangio con calma il panino con la mortadella, a stomaco pieno si ragiona meglio
2. con gli spezzoni di filo, unisco a coppie 10 fili, l' undicesimo rimane fuori e mi serve per battezzarli al ritorno
3. andato dall'altra parte della riva, inizio a verificare la continuità fino ad avere individuato 5 coppie (anonime) e il filo 11
4. a questo punto avrò cinque coppie ma nessuna informazione su quali esse siano rispetto a quelle che ho ponticellato in partenza, allora le nomino a caso 1-2, 3-4, 5-6, 7-8, 9-10 e subito dopo con altri spezzoni di filo, ponticello 2-3, 4-5, 6-7, 8-9 mentre i fili 1 e 10 rimangono liberi, collego il numero 1 al filo noto (11) sicché al mio ritorno questa sarà la prima coppia individuabile con certezza (dopo che avrò tolto i ponticelli iniziali)
5. ritorno alla base più confuso che persuaso, dopo avere segnato le coppie ponticellate all'inizio (a, b, c, d, e), rimuovo i ponticelli e cerco subito il filo 1 che sarà l'unico in continuità col filo 11, ma allo stesso tempo, cerco anche il filo 10, che sarà invece l'unico che non avrà continuità con nessun altro filo
6. a questo punto ho tre fili identificati (1, 10 e 11) e cinque coppie (10 fili) con due elementi noti (1 e 10)
ma a pensarci bene, avendo trovato il numero 1, guardando le coppie formate in origine, posso risalire anche al filo 2, e vedendo con quale altro filo (uno solo) esso è ora in continuità ho trovato il filo 3
a parole viene male...
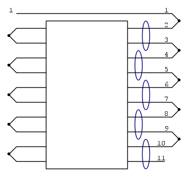
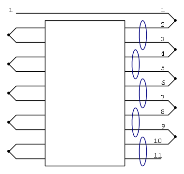
questa è la situazione iniziale
e questo è quello che si vede e si fa, arrivati sull'altra sponda
ora manca lo sviluppo, delle verifiche una volta ritornati "alla base",
si tratta solo di sbrogliare una serie di confronti tra i fili in continuità tra la prima e la seconda traversata
nel foglio avevo iniziato, una volta identificato il numero 1, poi è tutta una sequenza che porta a trovare in ordine tutti i fili mancanti
almeno credo
