Controllo pompa Nuova Elettronica
27 messaggi
• Pagina 1 di 3 • 1, 2, 3
0
voti
Buon giorno a tutti, sono alle prese con un circuito di Nuova Elettronica che mi serviva per pompare l'acqua in una cisterna quando l'acqua scende ad un livello prescelto. Datosi che l'acqua che pompo viene da un invaso e a causa delle alghe che si formano, l'acqua risulta alquanto sporca e con elettrodi metallici dopo poco vi si attacca una sostanza che isola questi sensori. ho deciso di comprarne due di quelli con magnete e contatto REED, purtroppo la scheda non funziona, credo perché il filo di minima attiva da solo la scheda difatti se provo a staccarlo lei parte vorrei sapere se si potrebbe diminuire la sensibilità di dell'entrata MAX, se si come devo intervenire. Allego lo schema.
-

elektronik
7.800 4 6 7 - Master

- Messaggi: 3836
- Iscritto il: 12 mag 2015, 22:26
2
voti
elektronik ha scritto:Allego lo schema.
è il PCB con la disposizione dei componenti, lo schema eccolo, in fidocadJ così rendiamo semplici le migliorie ..
I circuiti sono controcorrente. Seguono sempre la massa
-Per rispondere utilizza il tasto [RISPONDI] e non il tasto [CITA], grazie.-
-Per rispondere utilizza il tasto [RISPONDI] e non il tasto [CITA], grazie.-
0
voti
mir ha scritto:elektronik ha scritto:Allego lo schema.
è il PCB con la disposizione dei componenti, lo schema eccolo, in fidocadJ così rendiamo semplici le migliorie ..![]()
Ciao
Ultima modifica di
WALTERmwp il 2 ago 2020, 16:29, modificato 1 volta in totale.
Motivazione: Rettifica "quote"
Motivazione: Rettifica "quote"
-

elektronik
7.800 4 6 7 - Master

- Messaggi: 3836
- Iscritto il: 12 mag 2015, 22:26
0
voti
elfo ha scritto:Dall'articolo di NE
io ho inserito questo tipo di sensore:
- Allegati
-
- float switch.jpg (6.11 KiB) Osservato 7705 volte
-

elektronik
7.800 4 6 7 - Master

- Messaggi: 3836
- Iscritto il: 12 mag 2015, 22:26
0
voti
questo è il circuito che ho costruito:
-

elektronik
7.800 4 6 7 - Master

- Messaggi: 3836
- Iscritto il: 12 mag 2015, 22:26
1
voti
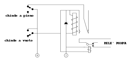
Il tuo schema "leggibile" dovrebbe essere questo:
- il contatto di serbatoio pieno dovrebbe essere NC (Normalmente Chiuso) ed aprirsi quando il serbatoio e' pieno
- il contatto di serbatoio vuoto dovrebbe essere NO (Normalmente Open (aperto)) e chiudersi quando il serbatoio e' vuoto
- il contato K1-1 e' il contatto di autoritenuta della bobina K1
- i due fili che vanno alla pompa sono un contatto "pulito" che puo' essere utilizzato per azionare un contattore o la pompa direttamente
- il contatto di serbatoio pieno dovrebbe essere NC (Normalmente Chiuso) ed aprirsi quando il serbatoio e' pieno
- il contatto di serbatoio vuoto dovrebbe essere NO (Normalmente Open (aperto)) e chiudersi quando il serbatoio e' vuoto
- il contato K1-1 e' il contatto di autoritenuta della bobina K1
- i due fili che vanno alla pompa sono un contatto "pulito" che puo' essere utilizzato per azionare un contattore o la pompa direttamente
0
voti
elfo ha scritto:Il tuo schema "leggibile" dovrebbe essere questo (...)
perfetto
Ultima modifica di
WALTERmwp il 2 ago 2020, 16:28, modificato 1 volta in totale.
Motivazione: Rettifica "quote", riduzione citazione
Motivazione: Rettifica "quote", riduzione citazione
-

elektronik
7.800 4 6 7 - Master

- Messaggi: 3836
- Iscritto il: 12 mag 2015, 22:26
27 messaggi
• Pagina 1 di 3 • 1, 2, 3
Torna a Costruzione, riparazione, riutilizzo
Chi c’è in linea
Visitano il forum: Nessuno e 10 ospiti

Elettrotecnica e non solo (admin)
Un gatto tra gli elettroni (IsidoroKZ)
Esperienza e simulazioni (g.schgor)
Moleskine di un idraulico (RenzoDF)
Il Blog di ElectroYou (webmaster)
Idee microcontrollate (TardoFreak)
PICcoli grandi PICMicro (Paolino)
Il blog elettrico di carloc (carloc)
DirtEYblooog (dirtydeeds)
Di tutto... un po' (jordan20)
AK47 (lillo)
Esperienze elettroniche (marco438)
Telecomunicazioni musicali (clavicordo)
Automazione ed Elettronica (gustavo)
Direttive per la sicurezza (ErnestoCappelletti)
EYnfo dall'Alaska (mir)
Apriamo il quadro! (attilio)
H7-25 (asdf)
Passione Elettrica (massimob)
Elettroni a spasso (guidob)
Bloguerra (guerra)






