Cos'è ElectroYou | Login Iscriviti

ElectroYou - la comunità dei professionisti del mondo elettrico

Riparazione frullatore Trevi mod. P101

Tecniche per la costruzione e la riparazione di apparecchiature elettriche e non. Ricerca guasti. Adattamenti e riutilizzazioni
0
voti

[1] Riparazione frullatore Trevi mod. P101

Messaggioda Foto UtenteAlan18 » 11 set 2021, 18:51

Buonasera a tutti. Ho tra le mani un frullatore consegnatomi dai miei genitori, il quale, dopo un paio di utilizzi, ha inspiegabilmente smesso di funzionare. Purtroppo era già stato aperto ed alcune connessioni sono rimaste "volanti" e non so come ricollegare il tutto. Questa è la foto del motore.
IMG_20210911_180643.jpg

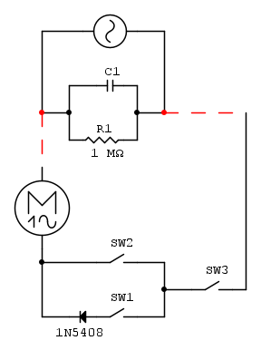
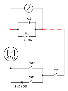
Come si può notare c'è un condensatore in classe X2 completamente scollegato, il quale ha, in parallelo, direttamente saldato sui pin, un resistore da 1 M\Omega.
Sono presenti 3 switch di cui 2 sono le velocità di rotazione (SW1 e SW2) ed uno chiude il circuito quando la parte alta del frullatore è correttamente posizionata nella sua sede (SW3). Sul cavo di una delle 2 velocità (su quella presumo più lenta indicata sul tasto con il numero 1) è presente un diodo 1N5408 (diodo testato su circuito, funzionante).
Il motore ha le spazzole. Tra ogni spazzola e lo statore è presente un condensatore.
IMG_20210911_182513.jpg

Non so se può essere utile, comunque per quello che ho capito, i tasti della velocità consentono l'azionamento del frullatore solo se vengono tenuti premuti, non è previsto che restino bloccati. Per la velocità 1 (lento) premi e tieni premuto il tasto 1, per la velocità 2 (rapido) premi e tieni premuto il tasto 2.
Qui di seguito ho provato ad abbozzare uno schema sperando di non aver sbagliato niente.
Le connessioni rosse che partono dalla linea 230 VAC sono solo una mia (abbastanza ignorante) ipotesi.
Avatar utente
Foto UtenteAlan18
514 1 3 7
Frequentatore
Frequentatore
 
Messaggi: 225
Iscritto il: 8 mar 2020, 13:11

1
voti

[2] Re: Riparazione frullatore Trevi mod. P101

Messaggioda Foto Utenteclaudiocedrone » 12 set 2021, 1:35

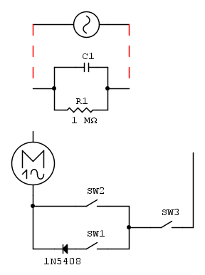
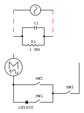
Sì giusto, il condensatore X2 col resistore in parallelo è il filtro di rete e va come lo hai disegnato tra i due conduttori di linea.
Strano che si sia guastato dopo solo un paio di utilizzi, verifica la continuità degli avvolgimenti di statore, se lo trovi aperto magari c'è "affogato" un fusibile termico che è intervenuto per surriscaldamento.

Edit: da smartphone non avevo visto bene la foto, la guaina termorestringente su uno dei conduttori rossi mi fa sospettare che il fusibile termico in realtà sia proprio lì.
"Non farei mai parte di un club che accettasse la mia iscrizione" (G. Marx)
Avatar utente
Foto Utenteclaudiocedrone
21,3k 4 7 9
Master EY
Master EY
 
Messaggi: 15303
Iscritto il: 18 gen 2012, 13:36

0
voti

[3] Re: Riparazione frullatore Trevi mod. P101

Messaggioda Foto UtenteAlan18 » 12 set 2021, 10:26

Grazie Foto Utenteclaudiocedrone per la risposta.
Partendo dal circuito, si dovrebbe chiudere in questo modo quindi?

Per quanto riguarda il componente che si vede avvolto nella guaina sul cavo rosso, è il diodo 1N5408 che ho inserito nello schema. Non si nota molto, ma se guardi bene, si vede la guaina tagliata per verificare il componente. Quello che, a posteriori ho scoperto (e magari se ci avessi ragionato un po' di più....) è che quel diodo, consentendo il passaggio di sole semionde, dovrebbe servire a dimezzare la velocità di rotazione del motore (non disdegno una conferma/smentita o precisazioni). Ad ogni modo, per testarlo, ho dovuto per forza sguainarlo.

Essendo un novizio, e nonostante abbia cercato di studiarmi le basi del funzionamento di un motore monofase, ho dovuto osservare per bene gli avvolgimenti per capire il giro che fanno, quindi espongo quanto più dettagliatamente possibile come ho fatto a testarne la continuità.
Partendo da questa foto,
IMG_20210912_084948[1].jpg

ho seguito il cavo nero scollegato che si vede sulla sinistra, entra nello statore e, nascosto da un nastro isolante, si collega all'inizio avvolgimento. Allo stesso modo, la fine dell'avvolgimento, sempre nascosto dal medesimo nastro, si collega ad un altro cavo, sempre nero che termina su una spazzola.
Non so se dalle foto seguenti si riescono ad intravedere i collegamenti in prossimità dell'inizio avvolgimento, e sul lato opposto, della fine avvolgimento, il tutto ben coperto dal nastro.
Screenshot_20210912_094935[1].jpg

Screenshot_20210912_094718[1].jpg

Quindi in pratica, con il multimetro in modalità continuità, ho collegato il cavo nero di inizio avvolgimento, con il contatto della relativa spazzola. E mi dà continuità.

Ho fatto la stessa cosa dal lato opposto, ma, come aveva intuito claudiocedrone, con esito negativo.
Approfondendo meglio, trovo continuità tra il cavo nero (non lo stesso di prima naturalmente, ma quello dall'altro lato) ed il punto di collegamento con l'inizio avvolgimento (quello nascosto dal nastro per intenderci).
Con fatica (tra poco spiego cosa intendo) trovo continuità anche tra il cavo nero ed il punto di collegamento sotto al nastro in prossimità della fine avvolgimento.
Mentre tra il cavo nero ed il contatto con la spazzola, trovo circuito aperto.

Spiego meglio cosa intendo quando dico che trovo continuità con fatica. In pratica, se inserisco il puntale del multimetro nella minuscola fessura disponibile nel nastro di protezione, trovo continuità solo se spingo un po' più a fondo. Questo mi fa pensare che io stia toccando l'avvolgimento vero e proprio (il cavo di rame scoperto per capirci) e che l'interruzione sia proprio qui, tra il cavo nero ed il filo dell'avvolgimento.

Ho cercato di spiegarmi al meglio e spero di aver reso l'idea di quello che ho fatto. Un video di 20 secondi avrebbe risolto, ma mi sa che non è possibile allegarli.

Posto ovviamente che il problema sia proprio questo, è possibile ripararlo? Dovrei fare altri test?
Ho cercato in giro eventuali fusibili, ma non ho visto niente, a meno che non sia super nascosto.

Grazie.

PS: Non so se c'è una regola per definire inizio e fine avvolgimento, ad ogni modo, ho inteso "inizio" il lato dell'avvolgimento da cui partivo a controllare. Nel mio caso partendo dal lato del cavo scollegato, quello è l'inizio e il contatto con le spazzole è la fine.
Avatar utente
Foto UtenteAlan18
514 1 3 7
Frequentatore
Frequentatore
 
Messaggi: 225
Iscritto il: 8 mar 2020, 13:11

0
voti

[4] Re: Riparazione frullatore Trevi mod. P101

Messaggioda Foto Utentemir » 12 set 2021, 10:34

Come già anticipato da Foto Utenteclaudiocedrone, a volte sono presenti dei fusibili termici, collegati in serie agli avvolgimenti di statore su un lato, e sono nascosti dal nastro di isolamento proprio in prossimità della connessione del conduttore di collegamento avvolgimento/spazzola, prova a dare un'occhiata; fermo restando che potrebbe essersi anche semplicemente staccata la saldatura dal cavo (a mo di fusibile, a me è successo), prova pazientemente a scoprire il nastro di isolamento. ;-)
I circuiti sono controcorrente. Seguono sempre la massa

-Per rispondere utilizza il tasto [RISPONDI] e non il tasto [CITA], grazie.-
Avatar utente
Foto Utentemir
66,0k 9 12 13
G.Master EY
G.Master EY
 
Messaggi: 21870
Iscritto il: 19 ago 2004, 21:10

0
voti

[5] Re: Riparazione frullatore Trevi mod. P101

Messaggioda Foto UtenteAlan18 » 12 set 2021, 10:43

Mi sa che per controllare devo per forza estrarre il rotore anche perché il lembo del nastro è proprio sul lato interno ed è tutto talmente stretto che non sarebbe affatto agevole svolgerlo.
Per estrarre il rotore dovrei però dissaldare un piedino dei condensatori dal contatto spazzole.
Se non hai consigli diversi, io farei così.
Avatar utente
Foto UtenteAlan18
514 1 3 7
Frequentatore
Frequentatore
 
Messaggi: 225
Iscritto il: 8 mar 2020, 13:11

0
voti

[6] Re: Riparazione frullatore Trevi mod. P101

Messaggioda Foto Utentemir » 12 set 2021, 11:03

.. :-k eviterei di estrarre il rotore, il controllo a cui mi riferivo è proprio nel punto di collegamento del conduttore all'avvolgimento,potresti provare ad intervenire proprio in quel punto preciso
I circuiti sono controcorrente. Seguono sempre la massa

-Per rispondere utilizza il tasto [RISPONDI] e non il tasto [CITA], grazie.-
Avatar utente
Foto Utentemir
66,0k 9 12 13
G.Master EY
G.Master EY
 
Messaggi: 21870
Iscritto il: 19 ago 2004, 21:10

0
voti

[7] Re: Riparazione frullatore Trevi mod. P101

Messaggioda Foto Utentemir » 12 set 2021, 11:05

connessione ad avvolgimento statorico.jpg
connessione ad avvolgimento statorico.jpg (17.58 KiB) Osservato 8070 volte

proprio nel punto che hai indicato con la freccia azzurra
I circuiti sono controcorrente. Seguono sempre la massa

-Per rispondere utilizza il tasto [RISPONDI] e non il tasto [CITA], grazie.-
Avatar utente
Foto Utentemir
66,0k 9 12 13
G.Master EY
G.Master EY
 
Messaggi: 21870
Iscritto il: 19 ago 2004, 21:10

1
voti

[8] Re: Riparazione frullatore Trevi mod. P101

Messaggioda Foto UtenteAlan18 » 12 set 2021, 11:38

Allora, senza togliere lo statore, ma togliendo un paio di viti e facendolo scorrere un paio di cm sul suo asse, sono riuscito ad avere un pochino di spazio di manovra.
Ho svolto il nastro ed entrambe le connessioni di inizio e fine avvolgimento sono ben saldate.
Ho fatto qualche prova di continuità un po' più comodo e fino alla connessione di fine avvolgimento è tutto ok. Da lì al contatto spazzola è aperto.
C'era un solo posto in cui poter trovare un fusibile...vado in esplorazione ( ho dovuto per forza dissaldare il contatto spazzola/filo fine avvolgimento) e....
IMG_20210912_112359.jpg


Ma hanno paura che qualcuno se lo rubi, che lo mettono nascosto?
Confermo che è aperto.
È un fusibile termico? Immagino che si apra in funzione di una sovratemperatura dell'avvolgimento.
Domanda da 1000000 $: può essere frutto di un guasto altrove ( ipotesi?), oppure in questi apparecchi può essere che salti il fusibile per motivi non dipendenti da guasti al circuito?
Immagino che l'unico modo per scoprirlo sia cambiare fusibile e vedere se salta di nuovo.
Grazie

EDIT
Sfilando completamente la guaina è venuto fuori un secondo componente
IMG_20210912_114718.jpg

Di cosa si tratta? Purtroppo è rivestito, comunque si intravede, al di sotto del rivestimento, un filo avvolto in maniera pseudo-elicoidale attorno al corpo centrale.
Su questo componente è presente continuità ai suoi estremi.
Avatar utente
Foto UtenteAlan18
514 1 3 7
Frequentatore
Frequentatore
 
Messaggi: 225
Iscritto il: 8 mar 2020, 13:11

0
voti

[9] Re: Riparazione frullatore Trevi mod. P101

Messaggioda Foto Utenteedgar » 12 set 2021, 12:12

Alan18 ha scritto:Ma hanno paura che qualcuno se lo rubi, che lo mettono nascosto?

Essendo una protezione da surriscaldamento va piazzata nel punto più critico, che di solito non è in bella vista :mrgreen:
Avatar utente
Foto Utenteedgar
10,0k 4 5 8
Master
Master
 
Messaggi: 5229
Iscritto il: 15 set 2012, 22:59

0
voti

[10] Re: Riparazione frullatore Trevi mod. P101

Messaggioda Foto Utentealev » 12 set 2021, 12:30

Secondo me, non è un fusibile visto che è contrassegnato anche da una tensione, per un fusibile mi aspetterei un'indicazione solo di corrente e temperatura (per quelli termici)
Essendo stato rivestito da guaina termica, mi pare pure strano si stratti di fusibile termico

Secondo me, è una capacità e con il resistore (?) che lo segue farebbe uno SPARK QUENCHER, ossia resistore+capacità in serie
Avatar utente
Foto Utentealev
5.990 2 9 12
free expert
 
Messaggi: 6283
Iscritto il: 19 lug 2010, 14:38
Località: Altrove

Prossimo

Torna a Costruzione, riparazione, riutilizzo

Chi c’è in linea

Visitano il forum: Nessuno e 61 ospiti