LM358
31 messaggi
• Pagina 2 di 4 • 1, 2, 3, 4
1
voti
[15] Re: LM358
abusivo ha scritto:Certo che è singolo ma il 358 è più adatto per alimentazione singola!
Atansion, spesso dimentichiamo una cosa importante: l'operazionale non sa se l'alimentazione è singola o duale. Lui vede solo la differenza fra Vcc+ e Vcc-, quindi per lui l'alimentazione è sempre singola!
Il TL081, paradossalmente, con alimentazione singola a 5V funziona meglio del LM358, dipende dall'applicazione.
Il parametro fondamentale per valutare un opamp è la specifica sulla tensione di modo comune agli ingressi:
- Per l'LM358 andiamo da (Vcc-) a (Vcc+ -2V) --> ottimo per applicazioni riferite a "massa", stando ben 2V sotto il rail positivo d'alimentazione. In altre parole, con 5V d'alimentazione possiamo andare da 0V a 3V.
- Per il TL081 andiamo da (Vcc- +2V)a (Vcc+ +0,1V), dunque addirittura sopra il rail positivo d'alimentazione. Ideale per un pilotaggio high-side, che sarebbe impensabile con un LM358.
La specifica sulla tensione di modo comune all'ingresso (Common-Mode Input Voltage Range) è sempre tra le primissime in ogni datasheet, eppure viene sistematicamente tralasciata da molti progettisti.
Proprio la settimana scorsa ho fatto la schematic review con un fornitore per un progettino da 3 milioni di €: mi aveva cannato TUTTE le tensioni di modo comune sugli operazionali!
Un video autografo sull'argomento: https://www.electroyou.it/brabus/wiki/e ... tage-range
Alberto.
1
voti
[16] Re: LM358
abusivo ha scritto:Certo che è singolo ma il 358 è più adatto per alimentazione singola!
Insieme con il video di
Per usare proficuamente un simulatore, bisogna sapere molta più elettronica di lui
Plug it in - it works better!
Il 555 sta all'elettronica come Arduino all'informatica! (entrambi loro malgrado)
Se volete risposte rispondete a tutte le mie domande
Plug it in - it works better!
Il 555 sta all'elettronica come Arduino all'informatica! (entrambi loro malgrado)
Se volete risposte rispondete a tutte le mie domande
0
voti
[17] Re: LM358
Grazie
IsidoroKZ per il link all'articolo! È fantastico.
Ammetto colpevolmente di non aver mai visto il tuo articolo, complice la mia assenza dal Forum all'epoca.
Una importante lettura che recupero immediatamente.
Noto con piacere che entrambi abbiamo dato dell'ignorante all'opamp, scrivendo che "non sa" se l'alimentazione è singola o duale.
Trovo sia un modo davvero chiaro per sfatare finalmente il mito dell'opamp senziente.
Ammetto colpevolmente di non aver mai visto il tuo articolo, complice la mia assenza dal Forum all'epoca.
Una importante lettura che recupero immediatamente.

Noto con piacere che entrambi abbiamo dato dell'ignorante all'opamp, scrivendo che "non sa" se l'alimentazione è singola o duale.
Trovo sia un modo davvero chiaro per sfatare finalmente il mito dell'opamp senziente.
Alberto.
0
voti
[18] Re: LM358
Non perdere tempo!
Per usare proficuamente un simulatore, bisogna sapere molta più elettronica di lui
Plug it in - it works better!
Il 555 sta all'elettronica come Arduino all'informatica! (entrambi loro malgrado)
Se volete risposte rispondete a tutte le mie domande
Plug it in - it works better!
Il 555 sta all'elettronica come Arduino all'informatica! (entrambi loro malgrado)
Se volete risposte rispondete a tutte le mie domande
0
voti
[20] Re: LM358
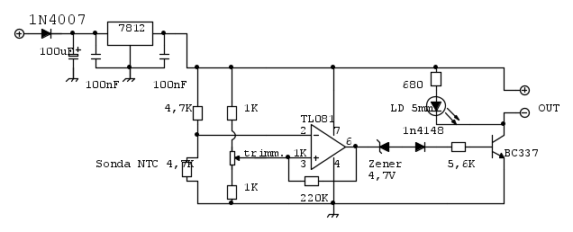
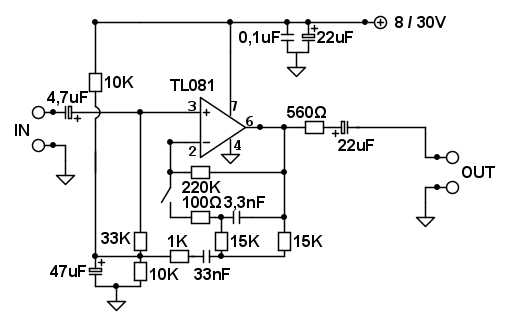
Questo circuito non è mai stato provato a 30V ma a 12 e 24 V funziona egregiamente da anni.
31 messaggi
• Pagina 2 di 4 • 1, 2, 3, 4
Torna a Costruzione, riparazione, riutilizzo
Chi c’è in linea
Visitano il forum: Google [Bot] e 52 ospiti

Elettrotecnica e non solo (admin)
Un gatto tra gli elettroni (IsidoroKZ)
Esperienza e simulazioni (g.schgor)
Moleskine di un idraulico (RenzoDF)
Il Blog di ElectroYou (webmaster)
Idee microcontrollate (TardoFreak)
PICcoli grandi PICMicro (Paolino)
Il blog elettrico di carloc (carloc)
DirtEYblooog (dirtydeeds)
Di tutto... un po' (jordan20)
AK47 (lillo)
Esperienze elettroniche (marco438)
Telecomunicazioni musicali (clavicordo)
Automazione ed Elettronica (gustavo)
Direttive per la sicurezza (ErnestoCappelletti)
EYnfo dall'Alaska (mir)
Apriamo il quadro! (attilio)
H7-25 (asdf)
Passione Elettrica (massimob)
Elettroni a spasso (guidob)
Bloguerra (guerra)







