angus ha scritto:(...) per i due pulsanti esterni "su e giù" (e purtroppo,Max2433BO devo mantenere quelli altrimenti resta un buco sul divano
)

angus ha scritto:(...) per i due pulsanti esterni "su e giù" (e purtroppo,Max2433BO devo mantenere quelli altrimenti resta un buco sul divano
)



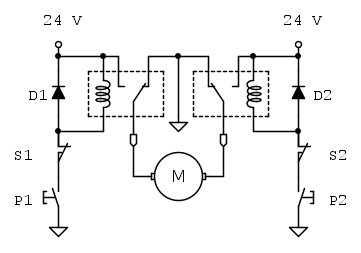
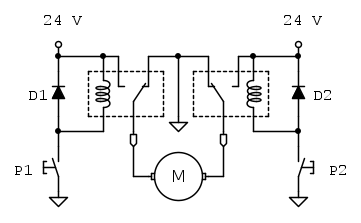
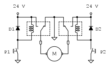
Sto pensando a quei transistor... l'unica cosa che mi viene in mente (ecc) è che potessero servire per togliere alimentazione alla bobina dei relè in altri casi indipendenti dai pulsanti.... ad esempio, non vedo una gestione del fine corsa

angus ha scritto:Sto pensando a quei transistor... l'unica cosa che mi viene in mente, ma aspetto un vostro parere più autorevole, è che potessero servire per togliere alimentazione alla bobina dei relè in altri casi indipendenti dai pulsanti.... ad esempio, non vedo una gestione del fine corsa...secondo voi può essere che venga fatto in qualche modo valutando la corrente assorbita dal carico?
angus ha scritto:ripensandoci, sarebbe più logico che il finecorsa sia già "integrato" nel motore
Torna a Costruzione, riparazione, riutilizzo
Visitano il forum: Nessuno e 20 ospiti