Come al solito il tutto è nato da una necessità e dalla voglia di distrarsi un attimo dal lavoro. Per il mio lavoro (sviluppo di apparecchiature basate su microcontrollori) non necessito di alimentatori particolari, solitamente mi bastano i 5V e i 3,3V. Raramente ho bisogno di un 12V quindi continuo ad utilizzare delle baracche di alimentatori di qualità dozzinale che comprai a poco prezzo quasi trent'anni fa in un negozietto di elettronica.
Allora comprai due alimentatori regolabili come quello in foto ed un alimentatore fisso a 12V (l fratello scemo di quelli regolabili, stesso case ma più baracca).
Uno di questi due l'ho modificato sostituendo il voltmetro analogico con uno di quei voltmetri digitali cinesi a 3 fili.
L'altro giorno avevo bisogno di un 5V 1A per alimentare un prototipo ed ho pensato di usare l'alimentatore/baracca che monta il voltmetro digitale. In quell'occasione mi sono accorto che questo alimentatore è veramente una baracca, un alimentatore (come diciamo a Torino) "della mutua". Beh, la cosa non mi ha sorpreso. Lo era al tempo e lo è oggi. Regolare un "quasi 5V" è un'operazione che richiede virtuosismo nel maneggiare la manopola del potenziomentro. Con il voltmetro digitale mi sono reso conto di quanto "mutalistico" fosse perché deriva pure in tensione. Dopo un'ora di funzionamento la tensione era scesa di più di mezzo volt.
Al ché ho pensato di costruirmene uno migliore con componenti di recupero. Ho rovistato nei cassetti e negli scaffali ed ho trovato:
- Un trasformatore 12+12V 30VA (a spanne)
- Un modulo convertitore buck cinese (ne ho tanti, li uso nelle pre-serie) con LM2596 che, anche se il componente è un po' datato, funzionano bene.
- Un voltmetro cinese a tre fili.
- Un pezzo di basetta millefori cinese da quattro soldi (ne vendo 10 per volta la prezzo delle patate).
- Una bomboletta di vernice spray nero lucido a metà.
- L'alimentatore a tensione fissa (per recuperarci il case).
- Un condensatore/bombolone 4700uF 63V nel cassetto da tempi immemorabili
- Un ponte
- Un condensatore 100uF 35V dormiente da un bel po'.
- Un potenziometro da 10K multigiri che avevo comprato dalla Cina anche se non mi ricordo più perché l'avevo comprato.
- Alcune manopole (che non vanno bene per quel potenziometro) anche quelle cinesi di prezzo infimo.
- Morsetti da circuito stampato di bassa qualità.
Quindi un rapido schizzo su carta del circuito per poi passare alla parte meccanica ricavando un'apertura per il voltmetro usando il dremel, lima ed olio di gomito. Le boccole di uscita c'erano già, come pure l'interruttore di alimentazione. Il foro per il potenziometro l'ho fatto ad occhio calcolando la posizione con il sistem "si, più o meno va bene qui".
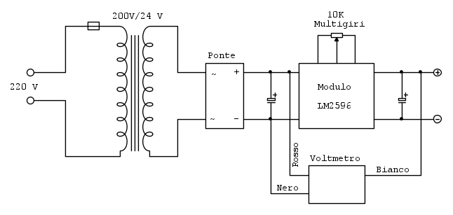
Il circuito è questo:
Il case era un po' rovinato e sbiadito (per non dire disastrato) con delle scritte sul frontale che facevano pietà, ho usato la bomboletta spray per riverniciarlo e renderlo un po' meno orrendo.
Ho dissaldato il trimmer da 10K presente nel modulo e ci ho collegato il potenziometro multigiri, un'operazione estremamente bovina.
Per collegare l'uscita non avevo capicorda, o meglio, di sicuro da qualche parte ci sono ma non li ho trovati. Ho optato per gli occhielli fatti direttamente con il filo e stagnati.
Per fissare il voltmetro ho appoggiato il frontale su di un piano e l'ho fissato con la colla a caldo.
Il foro della manopola era troppo stretto, l'ho allargato con il trapano e l'ho fissato anche ui con un po' di colla a caldo.
Il risultato è questo.
Ovviamente ho usato un voltmetro con le cifre blu perché il blu fa figo, anche il LED è blu sempre per lo stesso motivo.
Come si può notare è un alimentatore tipo "frankestein" montato un po' come capita ma funziona bene. E' stabile, il riplle in uscita è praticamente trascurabile, fornisce tutta la corrente che mi serve (su 12V mi eroga più di 2A senza problemi), la regolazione della tensione è agevole e precisa.
Ed eccolo in funzione mentre fornisce i 5V al mio circuito (notare il 5,00V).
E niente, buona serata e buon fine settimana.

Elettrotecnica e non solo (admin)
Un gatto tra gli elettroni (IsidoroKZ)
Esperienza e simulazioni (g.schgor)
Moleskine di un idraulico (RenzoDF)
Il Blog di ElectroYou (webmaster)
Idee microcontrollate (TardoFreak)
PICcoli grandi PICMicro (Paolino)
Il blog elettrico di carloc (carloc)
DirtEYblooog (dirtydeeds)
Di tutto... un po' (jordan20)
AK47 (lillo)
Esperienze elettroniche (marco438)
Telecomunicazioni musicali (clavicordo)
Automazione ed Elettronica (gustavo)
Direttive per la sicurezza (ErnestoCappelletti)
EYnfo dall'Alaska (mir)
Apriamo il quadro! (attilio)
H7-25 (asdf)
Passione Elettrica (massimob)
Elettroni a spasso (guidob)
Bloguerra (guerra)







pigreco]=π


