[Esercizio Controllo automatico]
Moderatori:
dimaios,
carlomariamanenti
28 messaggi
• Pagina 3 di 3 • 1, 2, 3
0
voti
Ci sentiamo stasera. Tu intanto scrivi l'espressione completa di Y(s).
Il Conte di Montecristo
Se non studio un giorno, me ne accorgo io. Se non studio due giorni, se ne accorge il pubblico.
Io devo studiare sodo e preparare me stesso perché prima o poi verrà il mio momento.
Abraham Lincoln
Se non studio un giorno, me ne accorgo io. Se non studio due giorni, se ne accorge il pubblico.
Io devo studiare sodo e preparare me stesso perché prima o poi verrà il mio momento.
Abraham Lincoln
-

EdmondDantes
11,9k 8 11 13 - Disattivato su sua richiesta
- Messaggi: 3619
- Iscritto il: 25 lug 2009, 22:18
- Località: Marsiglia
0
voti
Faccio fatica a leggere le formule nello schema a blocchi ! Infatti non tento !
Per risolvere adopero il seguente criterio:
Ricordo che puoi ridurre uno schema a blocchi complesso a uno schema semplificato
con:
un ingresso I (oppure S set per gli inglesofoni)
una uscita U ( oppure O output)
un nodo sottrattore
un blocco diretto G
un blocco di reazione H
ingresso/uscita = G/(1+GH)
Nel tuo caso hai un ingresso U , un ingresso Z,
una uscita Y
tre blocchi: C controller P plant H feedback
i conti puoi farli a mente

Per risolvere adopero il seguente criterio:
Ricordo che puoi ridurre uno schema a blocchi complesso a uno schema semplificato
con:
un ingresso I (oppure S set per gli inglesofoni)
una uscita U ( oppure O output)
un nodo sottrattore
un blocco diretto G
un blocco di reazione H
ingresso/uscita = G/(1+GH)
Nel tuo caso hai un ingresso U , un ingresso Z,
una uscita Y
tre blocchi: C controller P plant H feedback
i conti puoi farli a mente

0
voti
Buona a sapersi.
Nei prossimi esercizi provo a semplificare.
Comunque ritornando a l'esercizio appena svolto , sarei riuscito a risolverlo molto prima se stavo attento alle tue indicazioni.
Quando mi avevi scritto di stare attento a i segni .
Per questo ti ringrazio e ti saluto.
Nei prossimi esercizi provo a semplificare.
Comunque ritornando a l'esercizio appena svolto , sarei riuscito a risolverlo molto prima se stavo attento alle tue indicazioni.
Quando mi avevi scritto di stare attento a i segni .
Per questo ti ringrazio e ti saluto.
0
voti
Lo so.
Non scrivo per dire qualcosa...
Più tardi sistemo le tue espressioni e ti faccio vedere come risolverlo tramite la riduzione dei blocchi, come ti ho già accennato.
Non scrivo per dire qualcosa...
Più tardi sistemo le tue espressioni e ti faccio vedere come risolverlo tramite la riduzione dei blocchi, come ti ho già accennato.
Il Conte di Montecristo
Se non studio un giorno, me ne accorgo io. Se non studio due giorni, se ne accorge il pubblico.
Io devo studiare sodo e preparare me stesso perché prima o poi verrà il mio momento.
Abraham Lincoln
Se non studio un giorno, me ne accorgo io. Se non studio due giorni, se ne accorge il pubblico.
Io devo studiare sodo e preparare me stesso perché prima o poi verrà il mio momento.
Abraham Lincoln
-

EdmondDantes
11,9k 8 11 13 - Disattivato su sua richiesta
- Messaggi: 3619
- Iscritto il: 25 lug 2009, 22:18
- Località: Marsiglia
0
voti
Mi sono accorto che non scherzate per niente. Siete ad un livello elevato di conoscenza in questo campo.
Io sono un tipo che quando c'e' qualcosa che non capisce va nel panico e combina qualche pasticcio pero' sono testardo e su le cose ci ritorno sopra.
I tuoi preziosi suggerimenti li avrei senz'altro riletti e riguardati piu' volte.
Io sono un tipo che quando c'e' qualcosa che non capisce va nel panico e combina qualche pasticcio pero' sono testardo e su le cose ci ritorno sopra.
I tuoi preziosi suggerimenti li avrei senz'altro riletti e riguardati piu' volte.
0
voti
Siete ad un livello elevato di conoscenza in questo campo.
Probabilmente dovresti riferirti solo a EdmondDantes,
io ritengo di aver acquisito anni fa solo un livello passabile di conoscenza e qualche modesta esperienza
4
voti
MarcoD ha scritto:Probabilmente dovresti riferirti solo a EdmondDantes,
io ritengo che dovrebbe riferirsi solo a
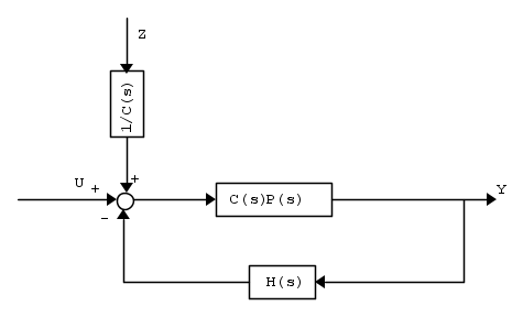
Ricapitoliamo.
Lo schema a blocchi e' il seguente
Esplicitiamo i vari termini



Svolgendo qualche passaggio algebrico e sostituendo la prima espressione di E
![Y=ZP\left ( s \right )+\left [U-YH\left ( s \right ) \right ]C\left ( s \right )P\left ( s \right ) Y=ZP\left ( s \right )+\left [U-YH\left ( s \right ) \right ]C\left ( s \right )P\left ( s \right )](/forum/latexrender/pictures/b2008e3f18c5aaec10fbc7b0fbb8540d.png)
![Y\left [ 1+H\left ( s \right )C\left ( s \right )P\left ( s \right ) \right ]=UP\left ( s \right )C\left ( s \right )+ZP\left ( s \right ) Y\left [ 1+H\left ( s \right )C\left ( s \right )P\left ( s \right ) \right ]=UP\left ( s \right )C\left ( s \right )+ZP\left ( s \right )](/forum/latexrender/pictures/2031d134c736d2e71c57552f9c5dde14.png)
In definitiva, l'uscita Y vale:

Conosci le regole di riduzione degli schemi a blocchi?
Una di queste regole ci permette di spostare un sommatore a monte di un blocco, inserendo un ulteriore blocco come da schema
E' chiaro, dato che l'ingresso Z non deve essere moltiplicato per C(s), no?
Possiamo assorbire i due sommatori e ridurre i due blocchi in cascata:
Adesso si applica la regola piu' importante: l'eliminazione dell'anello
Da questo schema finale si ricava l'espressione di Y.
P.S.
Tutti questi passaggi si facevano a mente. Basta un minimo di pratica.
Il Conte di Montecristo
Se non studio un giorno, me ne accorgo io. Se non studio due giorni, se ne accorge il pubblico.
Io devo studiare sodo e preparare me stesso perché prima o poi verrà il mio momento.
Abraham Lincoln
Se non studio un giorno, me ne accorgo io. Se non studio due giorni, se ne accorge il pubblico.
Io devo studiare sodo e preparare me stesso perché prima o poi verrà il mio momento.
Abraham Lincoln
-

EdmondDantes
11,9k 8 11 13 - Disattivato su sua richiesta
- Messaggi: 3619
- Iscritto il: 25 lug 2009, 22:18
- Località: Marsiglia
28 messaggi
• Pagina 3 di 3 • 1, 2, 3
Torna a Automazione industriale ed azionamenti
Chi c’è in linea
Visitano il forum: Nessuno e 6 ospiti

Elettrotecnica e non solo (admin)
Un gatto tra gli elettroni (IsidoroKZ)
Esperienza e simulazioni (g.schgor)
Moleskine di un idraulico (RenzoDF)
Il Blog di ElectroYou (webmaster)
Idee microcontrollate (TardoFreak)
PICcoli grandi PICMicro (Paolino)
Il blog elettrico di carloc (carloc)
DirtEYblooog (dirtydeeds)
Di tutto... un po' (jordan20)
AK47 (lillo)
Esperienze elettroniche (marco438)
Telecomunicazioni musicali (clavicordo)
Automazione ed Elettronica (gustavo)
Direttive per la sicurezza (ErnestoCappelletti)
EYnfo dall'Alaska (mir)
Apriamo il quadro! (attilio)
H7-25 (asdf)
Passione Elettrica (massimob)
Elettroni a spasso (guidob)
Bloguerra (guerra)






