Autoritenuta per due

PLC, servomotori, inverter...robot

Moderatori: Foto Utentedimaios, Foto Utentecarlomariamanenti

Avatar utente
Foto Utenteminer
0 3
Messaggi: 36
Iscritto il: 5 mag 2011, 10:57
0
voti

[1] Autoritenuta per due

Messaggioda Foto Utenteminer » 5 mag 2011, 13:05

Un saluto a tutti e un mea culpa nel caso l'argomento fosse stato già trattato.
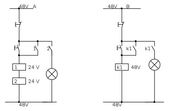
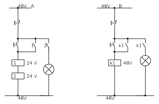
Il problema nasce da una immagine inserita in un testo che non coincide con la relativa didascalia: Azionare assieme due motori con un marcia - arresto attraverso due contattori eccitati contemporaneamente per mezzo delle relative bobine ed avere una segnalazione (luminosa in questo caso).

Ritengo che l'immagine inserita che ho riprodotto senza CAD sia errata.

Mi date conferma che gli interruttori dovrebbero essere in serie e le bobine in parallelo o mi sfugge altro?
Allegati
Immagine.png
Immagine.png (2.87 KiB) Visto 4099 volte

Avatar utente
Foto Utenteg.schgor
57,8k 9 12 13
G.Master EY
G.Master EY
Messaggi: 16971
Iscritto il: 25 ott 2005, 9:58
Località: MILANO
Contatta:
0
voti

[2] Re: Autoritenuta per due

Messaggioda Foto Utenteg.schgor » 5 mag 2011, 13:50

La tensione nominale delle bobine è la stessa della linea?

Avatar utente
Foto UtenteStefanoSunda
2.890 3 6 10
Master
Master
Messaggi: 1966
Iscritto il: 16 set 2010, 19:29
0
voti

[3] Re: Autoritenuta per due

Messaggioda Foto UtenteStefanoSunda » 5 mag 2011, 14:00

Il tuo circuito con bobine in serie potrebbe funzionare, se la tensione dei comandi è al doppio, della tensione nominale delle bobine, in questo caso 48V - e la tensione delle bobine 24 V. Lo schema corretto è quello figura B.

Avatar utente
Foto Utenteminer
0 3
Messaggi: 36
Iscritto il: 5 mag 2011, 10:57
0
voti

[4] Re: Autoritenuta per due

Messaggioda Foto Utenteminer » 5 mag 2011, 15:01

Bene anzi male, insomma: il testo non specifica nulla ma se dovessi ricollegarmi agli esempi precedenti allora le due bobine sono a 24 V così come la linea di alimentazione.
se così fosse le due bobine andrebbero in parallelo (vero?)
la segnalazione, quindi la lampadina, dovrebbe attivarsi se entrambe gli ausiliari si sono chiusi quindi si richiede collegamento in serie (vero?)

Gentile Stefano Sunda, mi sfugge (forse per l'attesa del pranzo) qunado la segnalazione si attiva, visto il collegamento in quel punto della spia luminosa. potrebbe illuminarmi? :lol:

Avatar utente
Foto Utentemir
66,0k 9 12 13
G.Master EY
G.Master EY
Messaggi: 21870
Iscritto il: 19 ago 2004, 21:10
Contatta:
0
voti

[5] Re: Autoritenuta per due

Messaggioda Foto Utentemir » 5 mag 2011, 15:22

miner ha scritto:se così fosse le due bobine andrebbero in parallelo (vero?)

esatto,
miner ha scritto:la segnalazione, quindi la lampadina, dovrebbe attivarsi se entrambe gli ausiliari si sono chiusi quindi si richiede collegamento in serie (vero?)

per un'unica segnalazione dei due contattori, si;
ello schema con alimentazione di 48 V e le due bobine in serie, al spia si attiva quando il contatto NO della bobina 2 si chiude quindi quando si eccita la bobina 2. ;-)
una domanda se possibile, perché due contattori ?

Avatar utente
Foto Utenteminer
0 3
Messaggi: 36
Iscritto il: 5 mag 2011, 10:57
0
voti

[6] Re: Autoritenuta per due

Messaggioda Foto Utenteminer » 5 mag 2011, 15:58

Due contattori? il libro parla di azionamento contemporaneo di due motori, quindi penso che l'immagine sia corretta.
Potrebbe essere sufficiente uno?
E ora che mi fai pensare penso di si, collegando l'uscita del contattore a due salvamotori (ma sarebbe poi normativamente e logicamente corretto? il salvamotore non va prima (cioè più vicino alla linea) del contattore?)

Avatar utente
Foto Utentemir
66,0k 9 12 13
G.Master EY
G.Master EY
Messaggi: 21870
Iscritto il: 19 ago 2004, 21:10
Contatta:
0
voti

[7] Re: Autoritenuta per due

Messaggioda Foto Utentemir » 5 mag 2011, 16:20

miner ha scritto:il libro parla di azionamento contemporaneo di due motori,...

ok, quindi presumo siano necessari due contattori, e relative protezioni termiche (o magnetotermiche),e la segnalazione di marcia per ogni motore.,volendo completare si potrebbe inserire la segnalazione per intervento della protezione termica su ogni singolo motore

Avatar utente
Foto UtenteCandy
32,5k 7 10 13
CRU - Account cancellato su Richiesta utente
Messaggi: 10123
Iscritto il: 14 giu 2010, 22:54
0
voti

[8] Re: Autoritenuta per due

Messaggioda Foto UtenteCandy » 5 mag 2011, 20:57

Leggendo il thread mi sono perso:
- l'immagine originale è desunta da un libro ? O è di tua realizzazione ?
- Far partire due motori, con unico comando, non necessariamente implica l'uso di due contattori: si può realizzare anche un protezione a fusibili contro il corto circuito ed un protezione termica sui singoli motori, per il sovraccarico.

In ogni caso la soluzione di due bobine in serie, pur se funzionante dal punto di vista elettrico, è abominevole dal punto di vista tecnico. (Almeno alcuni anni fa, la EN60204-1 voleva che uno dei due poli dei contattoti fosse collegato ad un comune, senza ulteriori interposizioni).

Avatar utente
Foto Utentemir
66,0k 9 12 13
G.Master EY
G.Master EY
Messaggi: 21870
Iscritto il: 19 ago 2004, 21:10
Contatta:
0
voti

[9] Re: Autoritenuta per due

Messaggioda Foto Utentemir » 5 mag 2011, 22:19

OT
:( mi sono accorto troppo tardi dello schema con parti mancanti, ho provato a ripostarlo, ma viene uguale, non saprei, non posso eliminarlo dal precedente topic, tempo scaduto..
probabilmente la libreria ( elettrotecnica.zip ) che ho utilizzato non è accettata... :-k

Avatar utente
Foto Utenteminer
0 3
Messaggi: 36
Iscritto il: 5 mag 2011, 10:57
0
voti

[10] Re: Autoritenuta per due

Messaggioda Foto Utenteminer » 6 mag 2011, 8:02

candy ha scritto:Leggendo il thread mi sono perso:
- l'immagine originale è desunta da un libro ? O è di tua realizzazione ?


l'immagine è estrapolata da un testo scolastico, ma non mi convinceva proprio in virtù di altri esempi e realizzazioni viste altrove. Di qui la mia domanda

candy ha scritto:- Far partire due motori, con unico comando, non necessariamente implica l'uso di due contattori: si può realizzare anche un protezione a fusibili contro il corto circuito ed un protezione termica sui singoli motori, per il sovraccarico.


Come avrà capito sono alle prime nel settore e più che affidarmi ai testi (che tengo a riferimento nello studio, visto il percorso universitario) ho necessità di sviluppare e approfondire le conoscenze a titolo personale. Pertanto, quando parla di non usare due contattori fa riferimento a usare fusibile e contattore unico e prtotezione termica mediante bimetallo sul motore direttamente, o altro?
[/quote]


Torna a “Automazione industriale ed azionamenti”