da
lelerelele » 22 dic 2025, 11:50
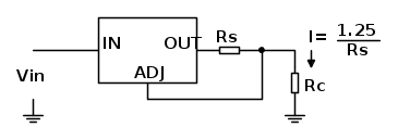
danielealfa ha scritto:come generatore a corrente costante intendi dire uno schema cosi?
quanto ne avrei di guadagno? non mi interessa il il valore esatto, solo per sapere se ne vale la pena
Non conosco il circuito da te proposto,

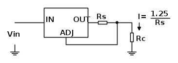
se è un generatore di corrente ok, io sono ignorante in materia, evidentemente, ho sempre usato
questo.
Il motivo sarebbe che all'inizio la tensione è elevata ed avrai una corrente maggiore del dovuto, con un generatore di corrente avresti questa fase con corrente più bassa ed avresti un leggero aumento del tempo. Per me non ne vale la pena in questo caso.
Sempre a scopo didattico, se si trattasse di correnti maggiori, sarebbe invece utile usare un convertitore, dopo il condensatore, in questo modo non andresti a trasferire una corrente, ma bensì una potenza, essendo la stessa proporzionale al quadrato della tensione del condensatore il vantaggio sarebbe notevole, anche dato il rendimento elevato del convertitore.
Saluti.