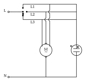
Walter2026 ha scritto:Non avro' problemi ad un ritorno di corrente da L1 a L2 o L3 tramite il neon?
Applica la legge di Ohm e vedrai che le correnti in gioco sono insignificanti.
Moderatori:
carloc,
g.schgor,
BrunoValente,
IsidoroKZ
Walter2026 ha scritto:Non avro' problemi ad un ritorno di corrente da L1 a L2 o L3 tramite il neon?
lucaking ha scritto:Se si, cosa cambierebbe utilizzando un solo resistore in serie sul conduttore N?



senza disegnarmi lo schema (uno scarabocchio a penna) non lo avevo mica visto 



Visitano il forum: Nessuno e 36 ospiti