Ciao a tutto lo staff!
Praticamente io vorrei attivare una ventola con un normalissino interruttore (tensione 12V e corrente circa 10A),poi vorrei metterci una spia (LED rosso) e fin qui tutto ok.... Però io vorrei che se la ventola si rompe,non funziona, la mia spia (LED) si deve spegnere;anche con interruttore su ON. Potreste consigliarmi qualche circuito,perché io è un po di tempo che ci stò impazzendo sopra...
Ciao ciao a grazie ancora!!
Led per segnalazione funzionamento ventola
Moderatori:
carloc,
g.schgor,
BrunoValente,
IsidoroKZ
14 messaggi
• Pagina 1 di 2 • 1, 2
1
voti
[3] Re: Interruttore
Specifica per favore se stiamo parlando di DC o AC , in funzione di questa discriminante vi possono essere diverse soluzioni.
Per esempio trattandosi di un circuito DC , una soluzione teorica e facile che usa solo componenti passivi , anche se non molto elegante , sarebbe quella di usare una resistenza come shunt per rilevare il passaggio di corrente verso il motore quando il circuito è chiuso ed il motore funziona correttamente.
Usando per sempio un LED che abbia come tensione di polarizzazione 2,2V e una corrente massima di 20mA , sapendo che il motore assorbe una corrente di 10A , metto in serie al circuito di alimentazione del motore la resistenza R1 , da 0,22 Ohm.
Ai capi di questa resistenza , quando essa sarà attraversata dalla corrente nominale del motore , si genera una DDP di 2,2V.
Questa tensione la uso per alimentare il led , inerponendo in serie un ulteriore resistenza limitatrice R del valore di 110 Ohm.
Chiaramente la resistenza R1 che si farà carico di tutta la corrente del motore dovrà essere dimensionata per dissipare una potenza superiore a 18 W (commercialmente si trovano con quel valore , resistenze di questo tipo da 25W).
Nel caso succeda qualche inconveniente alla resistenza R1 , bisogna evitare che come è naturale che sia , la corrente del motore passi in sovrabbondanza attraverso il circuito parallelo di R2 e LED con le immaginabili conseguenze per loro.
Quindi dovrai inserire quantomento un fusibile per proteggerli.
I
Per esempio trattandosi di un circuito DC , una soluzione teorica e facile che usa solo componenti passivi , anche se non molto elegante , sarebbe quella di usare una resistenza come shunt per rilevare il passaggio di corrente verso il motore quando il circuito è chiuso ed il motore funziona correttamente.
Usando per sempio un LED che abbia come tensione di polarizzazione 2,2V e una corrente massima di 20mA , sapendo che il motore assorbe una corrente di 10A , metto in serie al circuito di alimentazione del motore la resistenza R1 , da 0,22 Ohm.
Ai capi di questa resistenza , quando essa sarà attraversata dalla corrente nominale del motore , si genera una DDP di 2,2V.
Questa tensione la uso per alimentare il led , inerponendo in serie un ulteriore resistenza limitatrice R del valore di 110 Ohm.
Chiaramente la resistenza R1 che si farà carico di tutta la corrente del motore dovrà essere dimensionata per dissipare una potenza superiore a 18 W (commercialmente si trovano con quel valore , resistenze di questo tipo da 25W).
Nel caso succeda qualche inconveniente alla resistenza R1 , bisogna evitare che come è naturale che sia , la corrente del motore passi in sovrabbondanza attraverso il circuito parallelo di R2 e LED con le immaginabili conseguenze per loro.
Quindi dovrai inserire quantomento un fusibile per proteggerli.
I
-

Ivan_Iamoni
5.336 6 10 12 - Utente disattivato per decisione dell'amministrazione proprietaria del sito
- Messaggi: 2330
- Iscritto il: 22 ott 2006, 18:45
1
voti
Lo stesso principio del circuito di Ivan ma realizzato con un transistor.
"La follia sta nel fare sempre la stessa cosa aspettandosi risultati diversi".
"Parla soltanto quando sei sicuro che quello che dirai è più bello del silenzio".
Rispondere è cortesia, ma lasciare l'ultima parola ai cretini è arte.
"Parla soltanto quando sei sicuro che quello che dirai è più bello del silenzio".
Rispondere è cortesia, ma lasciare l'ultima parola ai cretini è arte.
-

TardoFreak
73,9k 8 12 13 - -EY Legend-

- Messaggi: 15754
- Iscritto il: 16 dic 2009, 11:10
- Località: Torino - 3° pianeta del Sistema Solare
0
voti
Ci ho provato anch'io con una soluzione a transistori che facesse cadere al massimo solo un centinaio di millivolt, sia per ridurre la potenza dissipata dalla resistenza che per non portare via troppa tensione al motore della ventola. Ma viene complicato
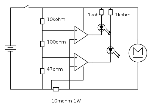
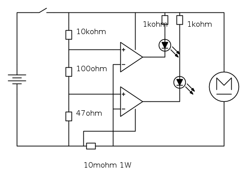
Cosi` suggerirei un LM393, comparatore doppio, che puo` segnalare sia quando la ventola si ferma sia quando si blocca o c'e` un sovraccarico.
Questo potrebbe essere lo schema
L'integrato e`un LM393, metti un condensatore da 100nF ceramico sulle alimentazioni dell'integrato. Se la corrente e` al di sotto di 6A circa non si accende nulla, con corrente fra 6A e 16A circa un led acceso, se la ventola si blocca e il motore assorbe piu` di 16A, si accendono i due led. Soglie modificabili.
La resistenza di sense, se non la trovi, la puoi fare con un pezzo di filo di rame da 2mm^2m lungo 1m.
Questo potrebbe essere lo schema
L'integrato e`un LM393, metti un condensatore da 100nF ceramico sulle alimentazioni dell'integrato. Se la corrente e` al di sotto di 6A circa non si accende nulla, con corrente fra 6A e 16A circa un led acceso, se la ventola si blocca e il motore assorbe piu` di 16A, si accendono i due led. Soglie modificabili.
La resistenza di sense, se non la trovi, la puoi fare con un pezzo di filo di rame da 2mm^2m lungo 1m.
Per usare proficuamente un simulatore, bisogna sapere molta più elettronica di lui
Plug it in - it works better!
Il 555 sta all'elettronica come Arduino all'informatica! (entrambi loro malgrado)
Se volete risposte rispondete a tutte le mie domande
Plug it in - it works better!
Il 555 sta all'elettronica come Arduino all'informatica! (entrambi loro malgrado)
Se volete risposte rispondete a tutte le mie domande
1
voti
Ciao a tutti!!! Allora rispondo a "mir" ...La corrente l'ho misurata stasera è di 3,8 A;
Grazie a "Ivan_Iamoni" ; "TardoFreak" e "IsidoroKZ" !!! Ottimi circuiti,
La ventola praticamente è una ventola supplementare di raffreddamento della
mia mitica Panda 4x4 che ha già diverse modifiche....(La uso come veicolo
per andare a funghi ed è una bomba!!!).
Il mio meccanico mi ha consigliato una ventola supplementare con una spia
come vi ho spiegato all'inizio.......
Domanda verso "IsidoroKZ" ma,"2mm^2m" significa :2 millimetri quadrati....,
il "2m"?? ; poi lungo 1 metro,ok.
In ogni modo grazie ancora a tutti siete in gamba come sempre!!
Ora devo scegliere.....
Se volete potete consigliarmi anche voi.....
ciao e grazie ancora!.
Grazie a "Ivan_Iamoni" ; "TardoFreak" e "IsidoroKZ" !!! Ottimi circuiti,
La ventola praticamente è una ventola supplementare di raffreddamento della
mia mitica Panda 4x4 che ha già diverse modifiche....(La uso come veicolo
per andare a funghi ed è una bomba!!!).
Il mio meccanico mi ha consigliato una ventola supplementare con una spia
come vi ho spiegato all'inizio.......
Domanda verso "IsidoroKZ" ma,"2mm^2m" significa :2 millimetri quadrati....,
il "2m"?? ; poi lungo 1 metro,ok.
In ogni modo grazie ancora a tutti siete in gamba come sempre!!
Ora devo scegliere.....
Se volete potete consigliarmi anche voi.....
ciao e grazie ancora!.
quark
-

fungaiolo2000
20 2 - Messaggi: 38
- Iscritto il: 21 giu 2007, 23:23
- Località: Montefalco
0
voti
Avevo un po' di m che avanzavano, e mi sono cadute li`
. Si`, 2 millimetri quadri, 1m di lunghezza.
Visto che sperimenti con la panda, suggerisco un inverter 12V->220 V, un'aspirapolvere (sara` femminile?) usato al contrario per pompare piu` aria nel carburatore. Visto fare, uno spettacolo!
Visto che sperimenti con la panda, suggerisco un inverter 12V->220 V, un'aspirapolvere (sara` femminile?) usato al contrario per pompare piu` aria nel carburatore. Visto fare, uno spettacolo!
Per usare proficuamente un simulatore, bisogna sapere molta più elettronica di lui
Plug it in - it works better!
Il 555 sta all'elettronica come Arduino all'informatica! (entrambi loro malgrado)
Se volete risposte rispondete a tutte le mie domande
Plug it in - it works better!
Il 555 sta all'elettronica come Arduino all'informatica! (entrambi loro malgrado)
Se volete risposte rispondete a tutte le mie domande
0
voti
Supponevo fosse la ventola di un veicolo , sinceramente quei 10A iniziali mi facevano pensare ad un veicolo da trasporto , grosso furgone camion o simile.
Ti dico solo che le soluzioni mia e di TardoFreak sono simili , io ho usato solo componenti passivi e lui anche un transistor.
Poco conta , solo che sono due soluzioni che impiegano uno shunt.
Essendo una resistenza attraverso cui fare passare la corrente del motore , dissipano potenza attiva , che per effetto Joule si trasformerà in calore.
La potenza trasformata in calore viene sottratta al sistema batteria e motore.
Come ti sarà già chiaro , funzionano ma a discapito di consumo e riscaldamento , non poi molto a dire il vero ma scaldano.
Quella di Isidoro è molto più "engineer oriented" più complessa ma con una ridottissima dissipazione termica.
A fronte del nuovo dato che fornisci , consumo di 3,8A i valori dei componenti vanno rivisti.
Ti dico solo che le soluzioni mia e di TardoFreak sono simili , io ho usato solo componenti passivi e lui anche un transistor.
Poco conta , solo che sono due soluzioni che impiegano uno shunt.
Essendo una resistenza attraverso cui fare passare la corrente del motore , dissipano potenza attiva , che per effetto Joule si trasformerà in calore.
La potenza trasformata in calore viene sottratta al sistema batteria e motore.
Come ti sarà già chiaro , funzionano ma a discapito di consumo e riscaldamento , non poi molto a dire il vero ma scaldano.
Quella di Isidoro è molto più "engineer oriented" più complessa ma con una ridottissima dissipazione termica.
A fronte del nuovo dato che fornisci , consumo di 3,8A i valori dei componenti vanno rivisti.
-

Ivan_Iamoni
5.336 6 10 12 - Utente disattivato per decisione dell'amministrazione proprietaria del sito
- Messaggi: 2330
- Iscritto il: 22 ott 2006, 18:45
0
voti
Salve a tutti!!! Bene,io vorrei realizzare il circuito che propone "IsidoroKZ" perché più
interessante e più ottimale sul piano energetico.....;
gli AO sono sempre tremendi!!,Però a me servirebbe un circuito con AO con il led
sempre acceso,(come spia) poi se c'è un sovraccarico un altro led che si accende......
E ovviamente i componenti dimensionati per i 3,8 A di assorbimento della ventola....
Siate gentili,e se capitate per Montefalco (PG) vi offro un po' di sagrantino!!!
http://www.sagrantino-montefalco.it/.... parola mia!
ciao e grazie!!
interessante e più ottimale sul piano energetico.....;
gli AO sono sempre tremendi!!,Però a me servirebbe un circuito con AO con il led
sempre acceso,(come spia) poi se c'è un sovraccarico un altro led che si accende......
E ovviamente i componenti dimensionati per i 3,8 A di assorbimento della ventola....
Siate gentili,e se capitate per Montefalco (PG) vi offro un po' di sagrantino!!!
http://www.sagrantino-montefalco.it/.... parola mia!
ciao e grazie!!
quark
-

fungaiolo2000
20 2 - Messaggi: 38
- Iscritto il: 21 giu 2007, 23:23
- Località: Montefalco
14 messaggi
• Pagina 1 di 2 • 1, 2
Chi c’è in linea
Visitano il forum: Nessuno e 238 ospiti

Elettrotecnica e non solo (admin)
Un gatto tra gli elettroni (IsidoroKZ)
Esperienza e simulazioni (g.schgor)
Moleskine di un idraulico (RenzoDF)
Il Blog di ElectroYou (webmaster)
Idee microcontrollate (TardoFreak)
PICcoli grandi PICMicro (Paolino)
Il blog elettrico di carloc (carloc)
DirtEYblooog (dirtydeeds)
Di tutto... un po' (jordan20)
AK47 (lillo)
Esperienze elettroniche (marco438)
Telecomunicazioni musicali (clavicordo)
Automazione ed Elettronica (gustavo)
Direttive per la sicurezza (ErnestoCappelletti)
EYnfo dall'Alaska (mir)
Apriamo il quadro! (attilio)
H7-25 (asdf)
Passione Elettrica (massimob)
Elettroni a spasso (guidob)
Bloguerra (guerra)



