dubbio su circuito magnetico
Moderatori:
g.schgor,
IsidoroKZ
29 messaggi
• Pagina 1 di 3 • 1, 2, 3
0
voti
ciao,
sapete dirmi dove vanno posizionati i contrassegni di mutua induttanza degli induttori di un circuito magnetico una volta trovati tramite il circuito equivalente elettrico i valori delle induttanze e del mutuo accoppiamento ?
sapete dirmi dove vanno posizionati i contrassegni di mutua induttanza degli induttori di un circuito magnetico una volta trovati tramite il circuito equivalente elettrico i valori delle induttanze e del mutuo accoppiamento ?
0
voti
Sperimentalmente verificando la fase, ovvero alimentando un avvolgimento e verificando la concordanza di fase sulla porta di uscita.
"Il circuito ha sempre ragione" (Luigi Malesani)
0
voti
RenzoDF ha scritto:Sperimentalmente verificando la fase, ovvero alimentando un avvolgimento e verificando la concordanza di fase sulla porta di uscita.
non sperimentalmente invece ? siccome devo fare un esercizio che devo trovare l'equivalente e mi serve sapere dove mettere il contrassegno... ora posto l'esercizio :

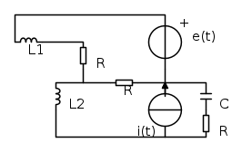
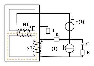
determinano le L e la M tramite il seguente circuito :
le R sono riluttanze e non resistenze chiaramente
comunque da qui calcolo
e 
arrivo cosi a costruire il seguente circuito elettrico equivalente :
le domande sono due :
1) i versi dei generatori del primo circuito che ho disegnato con fidocadj li posso stabilire arbitrariamente ?
2) in base a cosa devo posizionare i contrassegni del mutuo accoppiamento tra
?p.s : il circuito dell'esercizio non l'ho fatto con fidocadj perché non sapevo fare a disegnare il circuito XD
Ultima modifica di
aeroxr1 il 8 feb 2011, 23:37, modificato 1 volta in totale.
0
voti
"Il circuito ha sempre ragione" (Luigi Malesani)
0
voti
aeroxr1 ha scritto:1) i versi dei generatori del primo circuito che ho disegnato con fidocadj li posso stabilire arbitrariamente ?
Si, ma poi devi determinare M di conseguenza, che potra' risultare positiva o negativa a seconda della scelta.
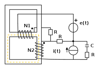
aeroxr1 ha scritto:2) in base a cosa devo posizionare i contrassegni del mutuo accoppiamento tra![]()
?
Se vuoi considerare solo il modulo del coefficiente di mutua induzione calcolato puoi fissare i contrassegni sui morsetti che, con correnti equiverse portano a flussi concordi nel circuito magnetico di accoppiamento (in arancione), come in figura, o parimenti quelli opposti.
aeroxr1 ha scritto:p.s : il circuito dell'esercizio non l'ho fatto con fidocadj perché non sapevo fare a disegnare il circuito XD
Come vedi non e' cosi' difficile, fatta una spira con un copia-incolla fai un'avvolgimento in un battibaleno
"Il circuito ha sempre ragione" (Luigi Malesani)
0
voti
EDIT ADMIN: non citare tutto inutilmente! Citazione integrale cancellata.
Lo scriviamo non so quante volte al giorno. Eppure sembrerebbe solo una questione di buon senso e di rispetto per il forum e la sua leggibilità. Ma il buon senso è un'opinione, ahimé non condivisa, ed il rispetto un optional
non mi riesce capire... non mi è ancora chiaro come posizionare i contrassegni .. me lo potresti rispiegare ?
cioè dipende tutto da come scelgo le correnti fittizie arbitrarie del primo circuito ?
cioè nel mio caso dato che ho scelto correnti in maniera che siano nello stesso verso allora il contrassegno di mutua come lo devo mettere ?
come son duro
Lo scriviamo non so quante volte al giorno. Eppure sembrerebbe solo una questione di buon senso e di rispetto per il forum e la sua leggibilità. Ma il buon senso è un'opinione, ahimé non condivisa, ed il rispetto un optional
non mi riesce capire... non mi è ancora chiaro come posizionare i contrassegni .. me lo potresti rispiegare ?
cioè dipende tutto da come scelgo le correnti fittizie arbitrarie del primo circuito ?
cioè nel mio caso dato che ho scelto correnti in maniera che siano nello stesso verso allora il contrassegno di mutua come lo devo mettere ?
come son duro

0
voti
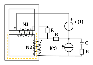
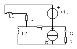
Disegnato l'avvolgimento, devi individuare i due terminali di ingresso, entrando nei quali le correnti danno luogo flussi equiversi nel circuito di accoppiamento. Io ho copiato il disegno di Renzo, e modificato il senso in cui è avvolto dell'avvolgimento orizzontale.
Ora la corrente per dar luogo ad un flusso che va verso sinistra nel giogo orizzontale la corrente deve entrare dal terminale di sinistra ed il puntino va messo lì. L'avvolgimento verticale è lasciato inalterato. Qui la corrente, entrando dal terminale contrassegnato col punto, dà luogo ad un flusso che va verso l'alto nella colonna e gira a sinistra nel giogo per cui è concorde con quello dell'altro avvolgimento. Il punto va lasciato lì. I punti indicano da quale terminale la corrente deve entrare per avere flussi concordi. Sono indispensabili quando il disegno è schematico ed in esso non compare il senso di avvolgimento; ma se questo lo si vede se ne può fare a meno.
Ora la corrente per dar luogo ad un flusso che va verso sinistra nel giogo orizzontale la corrente deve entrare dal terminale di sinistra ed il puntino va messo lì. L'avvolgimento verticale è lasciato inalterato. Qui la corrente, entrando dal terminale contrassegnato col punto, dà luogo ad un flusso che va verso l'alto nella colonna e gira a sinistra nel giogo per cui è concorde con quello dell'altro avvolgimento. Il punto va lasciato lì. I punti indicano da quale terminale la corrente deve entrare per avere flussi concordi. Sono indispensabili quando il disegno è schematico ed in esso non compare il senso di avvolgimento; ma se questo lo si vede se ne può fare a meno.
0
voti
ma quindi le correnti che ho scelto in questo circuito
se sono concordi stabiliscono che l'assegnazione del contrassegno debba esser fatta in maniera che i flussi siano equiversi , mentre se le correnti erano discordi dovevo far si che le correnti entrassero in maniera tale che i flussi avessero versi diversi ?
- come faccio a stabilire in che verso va il flusso una volta stabilito il punto di ingresso della corrente nell'induttore ?uso la regola della vite destrorsa ? se cosi fosse sia l'avvolgimento orizzontale di Renzo sia quello di Admin producono un flusso verso sinistra nonostante i contrassegni siano messi diversi, giusto ?
- il professore aveva scelto correnti discordi , perciò avrebbe dovuto mettere i contrassegni affinchè i flussi fossero discordi no ? e invece li mette così :
cosi messi a me tornerebbe che l'avvolgimento orizzontale crea un flusso che va verso destra mentre quello in verticale un flusso che va verso il basso , non dovrebbe esser invertito uno dei due contrassegni ?
mi sa che c'è qualcosa che sbaglio
se sono concordi stabiliscono che l'assegnazione del contrassegno debba esser fatta in maniera che i flussi siano equiversi , mentre se le correnti erano discordi dovevo far si che le correnti entrassero in maniera tale che i flussi avessero versi diversi ?
- come faccio a stabilire in che verso va il flusso una volta stabilito il punto di ingresso della corrente nell'induttore ?uso la regola della vite destrorsa ? se cosi fosse sia l'avvolgimento orizzontale di Renzo sia quello di Admin producono un flusso verso sinistra nonostante i contrassegni siano messi diversi, giusto ?
- il professore aveva scelto correnti discordi , perciò avrebbe dovuto mettere i contrassegni affinchè i flussi fossero discordi no ? e invece li mette così :
cosi messi a me tornerebbe che l'avvolgimento orizzontale crea un flusso che va verso destra mentre quello in verticale un flusso che va verso il basso , non dovrebbe esser invertito uno dei due contrassegni ?
mi sa che c'è qualcosa che sbaglio

0
voti
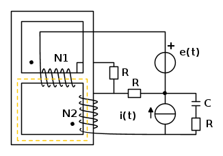
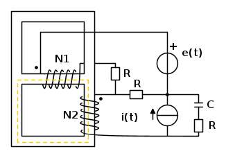
Visto il verso di avvolgimento nel circuito magnetico originale e il verso delle forze magnetomotrici nella tua rete elettrica equivalente ne deduco che le convenzioni per le correnti sono state assunte come in figura
di conseguenza essendo i versi "concordi" nella maglia magnetica di accoppiamento, potrai usare una M positiva; i punti come diceva admin in questo caso non servirebbero perche' conosciamo il circuito magnetico, ad ogni modo, per poter scrivere una coppia di relazioni ai morsetti con M positiva potrai mettere i contrassegni o sui morsetti di figura (punti) o sui loro opposti (*), come avevo fatto in precedenza.
di conseguenza essendo i versi "concordi" nella maglia magnetica di accoppiamento, potrai usare una M positiva; i punti come diceva admin in questo caso non servirebbero perche' conosciamo il circuito magnetico, ad ogni modo, per poter scrivere una coppia di relazioni ai morsetti con M positiva potrai mettere i contrassegni o sui morsetti di figura (punti) o sui loro opposti (*), come avevo fatto in precedenza.
"Il circuito ha sempre ragione" (Luigi Malesani)
0
voti
IL professore ha scelto
che entra nel morsetto di sinistra quindi flusso verso destra e corrente
che entra nel morsetto alto e quindi flusso verso l'alto . I flussi sono discordi quindi M è negativa .
Per avere flussi discordi io non dovevo mettere il contrassegno su
a sinistra e su
in alto ???
che entra nel morsetto di sinistra quindi flusso verso destra e corrente
che entra nel morsetto alto e quindi flusso verso l'alto . I flussi sono discordi quindi M è negativa .Per avere flussi discordi io non dovevo mettere il contrassegno su
a sinistra e su
in alto ???
29 messaggi
• Pagina 1 di 3 • 1, 2, 3
Torna a Elettrotecnica generale
Chi c’è in linea
Visitano il forum: Nessuno e 63 ospiti

Elettrotecnica e non solo (admin)
Un gatto tra gli elettroni (IsidoroKZ)
Esperienza e simulazioni (g.schgor)
Moleskine di un idraulico (RenzoDF)
Il Blog di ElectroYou (webmaster)
Idee microcontrollate (TardoFreak)
PICcoli grandi PICMicro (Paolino)
Il blog elettrico di carloc (carloc)
DirtEYblooog (dirtydeeds)
Di tutto... un po' (jordan20)
AK47 (lillo)
Esperienze elettroniche (marco438)
Telecomunicazioni musicali (clavicordo)
Automazione ed Elettronica (gustavo)
Direttive per la sicurezza (ErnestoCappelletti)
EYnfo dall'Alaska (mir)
Apriamo il quadro! (attilio)
H7-25 (asdf)
Passione Elettrica (massimob)
Elettroni a spasso (guidob)
Bloguerra (guerra)











