IMPIANTO FARETTI A LED
Moderatori:
sebago,
MASSIMO-G,
lillo,
Mike
3 messaggi
• Pagina 1 di 1
0
voti
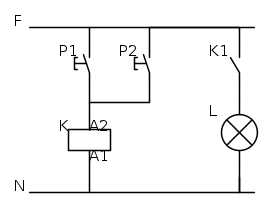
Salve volevo delle dritte, devo realizzare 1 impianto elettrico civile in 1 appartamento e vorrei installare come illuminazione dei fartetti a led, ad esempio se in una stanza metto un faretto al centro che può essere acceso da varie postazioni tramite relè e pulsanti, in sostanza voglio capire se i faretti a led comandati da relè ad impulsi funzionano correttamente senza problemi. Vi posto 1 schema x farvi capire meglio.
- Allegati
-
- SCHEMA ILLUSTRATIVO
- Immagine.png (21 KiB) Osservato 3290 volte
0
voti
Salve helmahe, per quanto riguarda il comando di faretti a led, vale quanto previsto per i punti luce in genere, ovvero possono essere comandati da più punti utilizzando sia un relè ad impulsi, che una deviata o una invertita, certo dipende dal numero di punti di comando, e dalla semplicità/rapidità di realizzazioen che si vuole intraprendere,mantendo nel caso si utilizzasse un relè attenzione al carico che si vorrà applicare nella scelta del relè che dovrà avere i contatti di adeguata portata (in Ampere) per comandare i faretti in questione e scegliendo il tipo di relè adatto allo scopo.
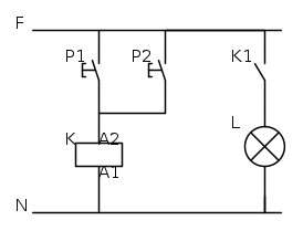
Per quanto riguarda gli schemi consiglierei in futuro di utilizzare Fidocadj,programma di disegno semplice/rapido/gratuito, inserito in questo forum, mi permetto di ripostare il tuo schema con fidocadj (perdendo così altri punti..) cliccando qui hai tutte le info necessarie su fidocaj:
Per quanto riguarda gli schemi consiglierei in futuro di utilizzare Fidocadj,programma di disegno semplice/rapido/gratuito, inserito in questo forum, mi permetto di ripostare il tuo schema con fidocadj (perdendo così altri punti..) cliccando qui hai tutte le info necessarie su fidocaj:
0
voti
grazie per l'informazione per l'impianto e per il programma, il relè che userò ha dei contatti per una massimo di 10A quindi reggerà fin troppo bene i faretti a led che avrenno un tensione a 220 V e un massimo di 10W. Il tempo di reazione anche se non sarà infallibilmente instantaneo non è 1 problema. Grazie ancora.
3 messaggi
• Pagina 1 di 1
Torna a Impianti, sicurezza e quadristica
Chi c’è in linea
Visitano il forum: Google [Bot] e 97 ospiti

Elettrotecnica e non solo (admin)
Un gatto tra gli elettroni (IsidoroKZ)
Esperienza e simulazioni (g.schgor)
Moleskine di un idraulico (RenzoDF)
Il Blog di ElectroYou (webmaster)
Idee microcontrollate (TardoFreak)
PICcoli grandi PICMicro (Paolino)
Il blog elettrico di carloc (carloc)
DirtEYblooog (dirtydeeds)
Di tutto... un po' (jordan20)
AK47 (lillo)
Esperienze elettroniche (marco438)
Telecomunicazioni musicali (clavicordo)
Automazione ed Elettronica (gustavo)
Direttive per la sicurezza (ErnestoCappelletti)
EYnfo dall'Alaska (mir)
Apriamo il quadro! (attilio)
H7-25 (asdf)
Passione Elettrica (massimob)
Elettroni a spasso (guidob)
Bloguerra (guerra)


