Cos'è ElectroYou | Login Iscriviti

ElectroYou - la comunità dei professionisti del mondo elettrico

Temporizzatore per elettrovalvola.

Circuiti, campi elettromagnetici e teoria delle linee di trasmissione e distribuzione dell’energia elettrica

Moderatori: Foto Utenteg.schgor, Foto UtenteIsidoroKZ

0
voti

[1] Temporizzatore per elettrovalvola.

Messaggioda Foto Utentepaperink » 15 giu 2011, 21:09

Salve a tutti. Mi chiamo Fabrizio. Sono nuovo del forum. Premetto che di elettronica ne capisco poco, e ho una infarinatura generale e teorica. Tuttavia mi sono messo in testa di creare un circuito elettrico in grado di attivare una elettrovalvola da 24 V 14w. Siccome l'elettronica mi affascina molto non sono riuscito ad abbandonare il mio progetto. Dopo varie prove e varie ricerche ho optato di chiedere a voi.
Il mio scopo, come dicevo prima è di attivare una elettrovalvola da 24 V 14W NC in continua per un tempo massimo di 2 secondi. La sua attivazione deve essere comandata da un Timer. Mi spiego.. Ho preso un Timer a batteria che fa il conto alla rovescia. Ho levato la suoneria (l'apparecchietto che suona facendo bip bip :D ), e ho messo un condensatore (trovato per caso a casa) da 500uF a 24 V, e così ho stabilizzato quel segnale intermittente ottenendo una caduta di tensione di 1,4V ai capi del condensatore. Questa caduta di tensione ha una durata di 30 secondi poi il condensatore inizia a scaricarsi. Ho a disposizione un certo numero di batterie da 3,6V 2Ah. Ho provato a leggere alcuni argomenti gia presenti nel forum ma, come gia detto, non capisco molto quindi mi trovo un po' in alto mare..
Per favore aiutatemi!!!! Grazie mille in anticipo.
Avatar utente
Foto Utentepaperink
0 1 2
 
Messaggi: 12
Iscritto il: 2 giu 2011, 20:36

0
voti

[2] Re: Temporizzatore per elettrovalvola.

Messaggioda Foto Utenteg.schgor » 16 giu 2011, 7:19

Per arrivare a 24 V, di quelle batterie ce ne vogliono 7 in serie!
La loro energia (Ah) è poi appena sufficiente per brevissime aperture
della valvola (che assorbe 600mA).
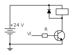
Per il comando dovresti realizzare uno schema come questo:

Se pensi di poterlo realizzare, possiamo vedere
i dettagli dei componenti.
Avatar utente
Foto Utenteg.schgor
57,8k 9 12 13
G.Master EY
G.Master EY
 
Messaggi: 16971
Iscritto il: 25 ott 2005, 9:58
Località: MILANO

0
voti

[3] Re: Temporizzatore per elettrovalvola.

Messaggioda Foto Utentepaperink » 16 giu 2011, 19:59

Beh! SI! Per le batterie gia avevo fatto i calcoli e la prova pratica per ottenere la tensione richiesta. L'elettrovalvola deve restare massimo 2 secondi attiva quindi può essere anche solo un secondo. Penso che sia proprio quello di cui ho bisogno. Il rettangolo in alto a destra è l'elettrovalvola giusto?. è un circuito molto semplice .. penso di essere in grado di realizzarlo senza difficoltà.. ma vorrei anche capirlo...in base a che cosa viene gestito il tempo di utilizzo? puoi darmi i dettagli dei componenti comunque... grazie ancora!!! :ok:
Ultima modifica di Foto Utentepaperink il 16 giu 2011, 20:07, modificato 1 volta in totale.
Avatar utente
Foto Utentepaperink
0 1 2
 
Messaggi: 12
Iscritto il: 2 giu 2011, 20:36

0
voti

[4] Re: Temporizzatore per elettrovalvola.

Messaggioda Foto Utentemir » 16 giu 2011, 20:06

paperink ha scritto: ...non capisco cosa sia il rettangolo in alto a destra.

rappresenta la bobina dell'elettrovavola, con connesso in parallelo un diodo.
per i componenti dovrai attendere g.scghor.
Avatar utente
Foto Utentemir
66,0k 9 12 13
G.Master EY
G.Master EY
 
Messaggi: 21870
Iscritto il: 19 ago 2004, 21:10

0
voti

[5] Re: Temporizzatore per elettrovalvola.

Messaggioda Foto Utentepaperink » 16 giu 2011, 20:09

UPS. si scusa ci ero arrivato dopo che poteva essere la bobina dell'elettrovalvola e quindi stavo riscrivendo il messaggio....
Avatar utente
Foto Utentepaperink
0 1 2
 
Messaggi: 12
Iscritto il: 2 giu 2011, 20:36

0
voti

[6] Re: Temporizzatore per elettrovalvola.

Messaggioda Foto Utentemir » 17 giu 2011, 8:24

di nulla, rimane il dimensionamento del BJT e del Resistore,...compito di g.scghor... :D
Avatar utente
Foto Utentemir
66,0k 9 12 13
G.Master EY
G.Master EY
 
Messaggi: 21870
Iscritto il: 19 ago 2004, 21:10

0
voti

[7] Re: Temporizzatore per elettrovalvola.

Messaggioda Foto Utentepaperink » 20 giu 2011, 10:44

Non vedo l'ora di assemblarlo e vederlo in funzione...
Avatar utente
Foto Utentepaperink
0 1 2
 
Messaggi: 12
Iscritto il: 2 giu 2011, 20:36

0
voti

[8] Re: Temporizzatore per elettrovalvola.

Messaggioda Foto Utenteg.schgor » 20 giu 2011, 11:37

L'ipotesi è che il circuito di comando dell'elettrovalvola
sia dato dal dispositivo esistente (segnale Vi).
Il suo dimensionamento è semplice: il transistor deve
commutare 0.6A, quindi un 2N2222A dovrebbe andar bene.
Il diodo in antiparallelo può essere un 1N4007.
Per la resistenza di base occorrerebbe sapere con precisione
le caratteristiche del segnale (Vi) a disposizione,
ma dovrebbe essere da 1K o da 2.2K
Avatar utente
Foto Utenteg.schgor
57,8k 9 12 13
G.Master EY
G.Master EY
 
Messaggi: 16971
Iscritto il: 25 ott 2005, 9:58
Località: MILANO

0
voti

[9] Re: Temporizzatore per elettrovalvola.

Messaggioda Foto Utentepaperink » 20 giu 2011, 19:12

mmhm... non so bene quali sono le caratteristiche del segnale Vi, a parte che è da 1,4V in continua. Posso fare qualche prova. Comunque trovo subito il materiale che mi hai elencato e faccio la prova sulla tavola. Piuttosto vorrei capire meglio come funziona. Come fa ad aprire il circuito dopo circa due secondi per fermare la bobina dell'elettrovalvola? :-|
Avatar utente
Foto Utentepaperink
0 1 2
 
Messaggi: 12
Iscritto il: 2 giu 2011, 20:36

0
voti

[10] Re: Temporizzatore per elettrovalvola.

Messaggioda Foto Utentepaperink » 20 giu 2011, 21:37

AHHHHHHHH!!! rientro ora da un inutile ricerca. A Cagliari dove abito per ora non si trovano transistor 2N2222A!!!!!!!!!!! PANICO! Mi tocca aspettare alcuni giorni per fare le prove del circuito! vediamo se lo trovo in qualcosa da smontare a casa!!
Avatar utente
Foto Utentepaperink
0 1 2
 
Messaggi: 12
Iscritto il: 2 giu 2011, 20:36

Prossimo

Torna a Elettrotecnica generale

Chi c’è in linea

Visitano il forum: Nessuno e 24 ospiti