+5,+12,+15
-12,-15
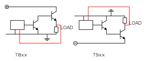
Allora per le tensioni postivi ho usato rispettivamente dei 7805,7812 e 7815 ed è tutto ok.. la tensione erogata e corretta e stabile.
Con le tenesioni negative, ho avuto qualche problemino, i -15 non li ho tirati fuori da un regolatore ma ho raddrizzato tramite condensatori e tramite un diodo zener da 15 volt, poiché il trasformatore è 15 0 15.. ma tutto sommato i - 15 sono stabili, il problema sorge con i - 12 infatti ho utiilizzato un regolatore 7912, quando ho messo il multimetro per vedere la tensione di uscita mi risultava -14.8 volt...
Ora voi mi direte... e bravo e che vuoi ora???
sarei curioso di sapere perché questi regolatori non generano la tensione giusta senza il carico..??? e se è vera questa cosa... a voi è mai successo niente del genere? (siamo qui per imparare) :)
comunque allego schema dell'alimentatore.. grazie :)

Elettrotecnica e non solo (admin)
Un gatto tra gli elettroni (IsidoroKZ)
Esperienza e simulazioni (g.schgor)
Moleskine di un idraulico (RenzoDF)
Il Blog di ElectroYou (webmaster)
Idee microcontrollate (TardoFreak)
PICcoli grandi PICMicro (Paolino)
Il blog elettrico di carloc (carloc)
DirtEYblooog (dirtydeeds)
Di tutto... un po' (jordan20)
AK47 (lillo)
Esperienze elettroniche (marco438)
Telecomunicazioni musicali (clavicordo)
Automazione ed Elettronica (gustavo)
Direttive per la sicurezza (ErnestoCappelletti)
EYnfo dall'Alaska (mir)
Apriamo il quadro! (attilio)
H7-25 (asdf)
Passione Elettrica (massimob)
Elettroni a spasso (guidob)
Bloguerra (guerra)






