Ciao a tutti...
Sono arrivato a studiarmi questo capitolo... ma in un esercizio ho trovato un dubbio verso la fine... intanto vi dico il testo:
SI progetti un generatore onda triangolare e quadra con le seguenti caratteristiche:
Frequenza uscita: 2,5 kHz
duty cycle variabile con continuità 30% 70%
ampiezza onda triangolare 6,5 Vpp
Valore medio dell'onda triangolare 0V
Utilizzare LM747 alimentati a +- 15V; la massima corrente in uscita dagli AO è 10mA
e ora partono le domande, e di sotto i miei procedimenti:
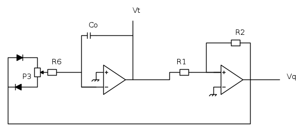
1 Disegnare lo schema e spiegarne il funzionamento:
2 dimensionare i componenti in modo da soddisfare le specifiche:
Ricavo i valori di soglia Vs1 e Vs2 rispettivamente 3,25V e -3,25 V (supponendo una Voh= 12V e una Vol=-12V)
e il rapporto fra R1 e R2 dalla relazione
Vs1= - (R1/R2) Voh
Vs1= - (R1/R2) VoL
R1/R2 = 0,27 ----> R1=47K R2= 180K
poi posso dimensionare Ro e Co (Ro nel mio schema sarebbe R6, mi rifaccio al circuito senza duty cycle variabile)
T=4 Co Ro (R1/R2) dove T è dato da 1/f
quindi ricavo che CoRo=0,000382 quindi impongo Ro= 100K e ottengo cosi Co=3pF
A questo punto inserisco il potenziometro P3 e i due diodi per ottenere il duty cycle variabile.
Da varie fonti ho appreso che il verso della corrente R6 cambia di segno, e che quindi avrò:
T1= [Ro Co (Vs2-Vs1)] / (K Voh)
e
T2= [Ro Co (Vs2-Vs1)] / (K VoL)
e che quindi
T1= [(yP3 +R6) Co (Vs2 -Vs1)] / (K Voh)
T2= [( (1-y)P3 +R6) Co (Vs2 -Vs1)] / (K VoL)
dove poi T=T1+T2
e il DC = T1/ T
ma "matematicamente parlando" quest'ultimo dimensionamento non ho capito nulla.... sia le formule in se, sia come applicarle....
Vi ringrazio in anticipo
Generatore onda triangolare e quadra
Moderatori:
carloc,
g.schgor,
BrunoValente,
IsidoroKZ
3 messaggi
• Pagina 1 di 1
1
voti
Hai sbagliato conti ed equivalenze nel dimensionamento del condensatore. Usa SEMPRE le unita` di misura e relativi prefissi quando fai i conti:

Da cui
. Con
si ha:
da cui

E i conti si fanno in questo modo, NO EXCEPTIONS: 383 diviso 100 fa 3.83, micro diviso kilo fa nano, secondi diviso ohm fanno farad, quindi il risultato e` tre virgola ottantatre' nano farad.
Per il dimensionamento del potenziomentro dovrei vedere il tuo libro o i tuoi appunti, e dovresti spiegare che cosa non capisci.
In generale l'integratore a seconda che il segnale di ingresso sia positivo o negativo usa un lato oppure l'altro del potenziomentro e quindi hai due costanti di tempo di integrazione diverse.
Avevi capito come ricavare la formula della frequenza, quella 1/f=4 Ro Co... ?
PS: formule in latex, ben scritte (il che vuol dire ad esempio unita` di misura in tondo, non in corsivo...)

Da cui
. Con
si ha:
da cui
E i conti si fanno in questo modo, NO EXCEPTIONS: 383 diviso 100 fa 3.83, micro diviso kilo fa nano, secondi diviso ohm fanno farad, quindi il risultato e` tre virgola ottantatre' nano farad.
Per il dimensionamento del potenziomentro dovrei vedere il tuo libro o i tuoi appunti, e dovresti spiegare che cosa non capisci.
In generale l'integratore a seconda che il segnale di ingresso sia positivo o negativo usa un lato oppure l'altro del potenziomentro e quindi hai due costanti di tempo di integrazione diverse.
Avevi capito come ricavare la formula della frequenza, quella 1/f=4 Ro Co... ?
PS: formule in latex, ben scritte (il che vuol dire ad esempio unita` di misura in tondo, non in corsivo...)
Per usare proficuamente un simulatore, bisogna sapere molta più elettronica di lui
Plug it in - it works better!
Il 555 sta all'elettronica come Arduino all'informatica! (entrambi loro malgrado)
Se volete risposte rispondete a tutte le mie domande
Plug it in - it works better!
Il 555 sta all'elettronica come Arduino all'informatica! (entrambi loro malgrado)
Se volete risposte rispondete a tutte le mie domande
0
voti
IsidoroKZ ha scritto:Avevi capito come ricavare la formula della frequenza, quella 1/f=4 Ro Co... ?
Si perdona l'errore di 3pF, è stata una svista nel mentre che scrivervo sul forum...
Il punto è che ho trovato un'esercizio svolto dove usa le medesime formule per il potenziometro ma non capisco i parametri y e k da dove arrivino
3 messaggi
• Pagina 1 di 1
Chi c’è in linea
Visitano il forum: Google [Bot] e 168 ospiti

Elettrotecnica e non solo (admin)
Un gatto tra gli elettroni (IsidoroKZ)
Esperienza e simulazioni (g.schgor)
Moleskine di un idraulico (RenzoDF)
Il Blog di ElectroYou (webmaster)
Idee microcontrollate (TardoFreak)
PICcoli grandi PICMicro (Paolino)
Il blog elettrico di carloc (carloc)
DirtEYblooog (dirtydeeds)
Di tutto... un po' (jordan20)
AK47 (lillo)
Esperienze elettroniche (marco438)
Telecomunicazioni musicali (clavicordo)
Automazione ed Elettronica (gustavo)
Direttive per la sicurezza (ErnestoCappelletti)
EYnfo dall'Alaska (mir)
Apriamo il quadro! (attilio)
H7-25 (asdf)
Passione Elettrica (massimob)
Elettroni a spasso (guidob)
Bloguerra (guerra)



