Cos'è ElectroYou | Login Iscriviti

ElectroYou - la comunità dei professionisti del mondo elettrico

esercizio calcolo potenza

Elettronica lineare e digitale: didattica ed applicazioni

Moderatori: Foto Utentecarloc, Foto Utenteg.schgor, Foto UtenteBrunoValente, Foto UtenteIsidoroKZ

0
voti

[1] esercizio calcolo potenza

Messaggioda Foto Utentegiulia87 » 14 lug 2011, 13:54

ciao a tutti,
chi mi aiuta nel risolvere un semplice esercizio di calcolo di potenza dissipata da un circuito?

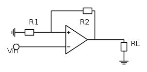
ho un semplice non invertente, con R1 e R2 (lascio i valori indefiniti), e un carico R_load. L'opamp è alimentato a +/- V_alim e sul datasheet è riportata la corrente di supply, I_supply. Sul carico so, sempre dal Datasheet, che può andare una tensione V-max
potete dirmi anche solo i passaggi da fare (anche in modo discorsivo)?

thnks :D
Avatar utente
Foto Utentegiulia87
125 1 2 7
Stabilizzato
Stabilizzato
 
Messaggi: 393
Iscritto il: 14 apr 2011, 21:47

0
voti

[2] Re: esercizio calcolo potenza

Messaggioda Foto Utenteidogialc » 15 lug 2011, 22:58

Se non ho capito male, il tuo circuito dovrebbe essere così



La tensione sul nodo di uscita è Vout= [(R1+R2)/R1]*Vin. Questa tensione corrisponde alla tensione ai capi del carico. La potenza si calcola come P=(V^2)/R con V=vout ed R=Rload
Avatar utente
Foto Utenteidogialc
20 4
Disattivato su sua richiesta
 
Messaggi: 73
Iscritto il: 9 apr 2011, 21:14

0
voti

[3] Re: esercizio calcolo potenza

Messaggioda Foto Utenteposta10100 » 15 lug 2011, 23:05

Foto Utenteidogialc i tuoi calcoli sono giusti, ma hai dimenticato la potenza dissipata da R1 e R2 oltre a quella dell'operazionale.

Ancora un piccolo sforzo :lol:
http://millefori.altervista.org
Tool gratuito per chi sviluppa su millefori.

Tutti sanno che una cosa è impossibile da realizzare, finché arriva uno sprovveduto che non lo sa e la inventa. (A. Einstein)
Se non c'e` un 555 non e` un buon progetto (IsidoroKZ)

Strumento per formule
Avatar utente
Foto Utenteposta10100
5.550 4 10 13
Master EY
Master EY
 
Messaggi: 4832
Iscritto il: 5 nov 2006, 0:09

0
voti

[4] Re: esercizio calcolo potenza

Messaggioda Foto Utenteidogialc » 15 lug 2011, 23:18

Ahahah è vero, ci sono anche quei due resistori che dissipano. Allora, tra il nodo+ e gnd c'è la stessa tensione che c'è tra - e gnd onde per cui R1 avrà come tensione ai suoi capi Vin. Quindi stesso ragionamento V^2/R. Avendo R1 sottoposto a tensione si avrà una corrente pari a Vin/R1. Dato che nell'op amp non può entrare corrente, essa andrà tutta a fluire su R2 che dissiperà R*I^2. Credo sia tutto!
Avatar utente
Foto Utenteidogialc
20 4
Disattivato su sua richiesta
 
Messaggi: 73
Iscritto il: 9 apr 2011, 21:14

0
voti

[5] Re: esercizio calcolo potenza

Messaggioda Foto Utentegiulia87 » 15 lug 2011, 23:21

ehm...e la potenza dissipata dall'operazionale ? :oops: :-P
Avatar utente
Foto Utentegiulia87
125 1 2 7
Stabilizzato
Stabilizzato
 
Messaggi: 393
Iscritto il: 14 apr 2011, 21:47

1
voti

[6] Re: esercizio calcolo potenza

Messaggioda Foto Utenteidogialc » 15 lug 2011, 23:27

La potenza dissipata dall'op amp è data dal prodotto della corrente in uscita per la tensione in uscita. Quant'è la corrente? V/R quindi dipende dal carico e si calcola come detto prima
Avatar utente
Foto Utenteidogialc
20 4
Disattivato su sua richiesta
 
Messaggi: 73
Iscritto il: 9 apr 2011, 21:14

0
voti

[7] Re: esercizio calcolo potenza

Messaggioda Foto Utentegiulia87 » 16 lug 2011, 0:01

claigodi ha scritto:La potenza dissipata dall'op amp è data dal prodotto della corrente in uscita per la tensione in uscita. Quant'è la corrente? V/R quindi dipende dal carico e si calcola come detto prima


pensavo che fosse data anche dal prodotto tra la tensione di alimentazione e la corrente di supply (o quiescent current)..
Avatar utente
Foto Utentegiulia87
125 1 2 7
Stabilizzato
Stabilizzato
 
Messaggi: 393
Iscritto il: 14 apr 2011, 21:47

2
voti

[8] Re: esercizio calcolo potenza

Messaggioda Foto Utentecarloc » 16 lug 2011, 0:07

Se ti serve la potenza dissipata in tutto il circuito opamp e resistenze credo sia più pratico considerare l'intero invece di sommare i vari contributi....

qui ho supposto l'uscita positiva (è la batteria positiva che stà fornendo corrente al carico) ma se fosse l'altra sarebbe esattamente la stessa cosa...

la potenza dissipata deve essere uguale a quella fornita dalle batterie...
P=V_{alim}(I_{alim}+I_o) + V_{alim}I_{alim}=V_{alim}\left(2I_{alim}+|I_o|}\right)

e poi naturalmente
|I_o|=|V_o|\left(\frac{1}{R_L}+\frac{1}{R_1+R_2}\right)
Se ti serve il valore di beta: hai sbagliato il progetto!
Avatar utente
Foto Utentecarloc
33,8k 6 11 13
G.Master EY
G.Master EY
 
Messaggi: 2153
Iscritto il: 7 set 2010, 19:23

1
voti

[9] Re: esercizio calcolo potenza

Messaggioda Foto Utentecarloc » 16 lug 2011, 8:53

idogialc ha scritto:La potenza dissipata dall'op amp è data dal prodotto della corrente in uscita per la tensione in uscita. [...]


...non ne sono mica tanto convinto :-M :-)
Se ti serve il valore di beta: hai sbagliato il progetto!
Avatar utente
Foto Utentecarloc
33,8k 6 11 13
G.Master EY
G.Master EY
 
Messaggi: 2153
Iscritto il: 7 set 2010, 19:23

0
voti

[10] Re: esercizio calcolo potenza

Messaggioda Foto Utentegiulia87 » 16 lug 2011, 9:10

carloc, non mi torna come mai hai aggiunto il secondo addendo (Valim*Ialim) di nuovo..

io ragiono così ma forse sbaglio: l'opamp dissipa una potenza, in assenza di carico, data da Valim*Ialim. Se deve anche erogare una Io a un carico, dissiperà di più, cioè un valore Valim*Io. Dove Io dipende da Vo e dalle resistenze, quindi questo contributo tiene conto della potenza dissipata dalle R...
e quindi metterei solo Valim*(Ialim+Io)..
Avatar utente
Foto Utentegiulia87
125 1 2 7
Stabilizzato
Stabilizzato
 
Messaggi: 393
Iscritto il: 14 apr 2011, 21:47

Prossimo

Torna a Elettronica generale

Chi c’è in linea

Visitano il forum: Nessuno e 63 ospiti