

come l'esercizio postato precedentemente mi risulta nuovamente un valore di tensione a vuoto negativo.ma c'è qualcosa di errato.qualcuno magari potrebbe eseguire i calcoli per vedere effettivamente se c'è qualche errore?
Moderatori:
g.schgor,
IsidoroKZ


mazzy89 ha scritto:c'è qualcosa di errato.qualcuno magari potrebbe eseguire i calcoli per vedere effettivamente se c'è qualche errore?
idogialc ha scritto:Una tensione negativa non vuol necessariamente dire che ci sia un errore. Nella maggiorparte dei casi il - significa che quella tensione è in verso opposto a quello ipotizzato
mazzy89 ha scritto:la tensione del generatore sarebbe quindi negativa.non mi crea nessun problema?
RenzoDF ha scritto:No, ma se te lo crea, come sembra essere, cambia il verso del generatore ed il segno della sua f.e.m..
diventa
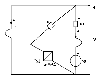
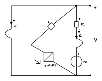
con verso opposto nel circuito.come in figuraRenzoDF ha scritto:mazzy89 ha scritto:c'è qualcosa di errato.qualcuno magari potrebbe eseguire i calcoli per vedere effettivamente se c'è qualche errore?
Come ve lo devo dire che se non inserite le convenzioni per tensioni (e correnti) non possiamo risolvere?
mazzy89 ha scritto:quindi praticamente il generatore che ho ottenuto di valorediventa
con verso opposto nel circuito.come in figura
mazzy89 ha scritto: ... ho dimenticato di mettere qualcosa?
mazzy89 ha scritto:ok ho aggiunto i segni nella resistenza.
Torna a Elettrotecnica generale
Visitano il forum: Nessuno e 49 ospiti