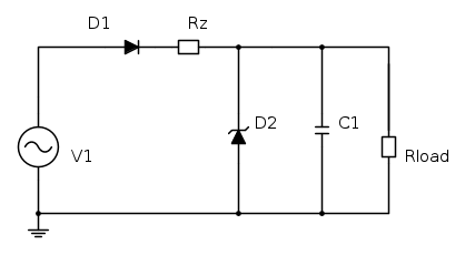
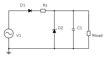
VI IMPLORO E VI SUPPLICO! **** *********, ho un esame a breve, ma non riesco a risolvere questo esercizio, fra l'altro del precedente esame. Chi può darmi una mano??? è almeno la terza volta che do quest'esame! Sta diventando un incubo!!! GRAZIE! 
Moderatori:
carloc,
g.schgor,
BrunoValente,
IsidoroKZ
VI IMPLORO E VI SUPPLICO! **** *********, ho un esame a breve, ma non riesco a risolvere questo esercizio, fra l'altro del precedente esame. Chi può darmi una mano??? è almeno la terza volta che do quest'esame! Sta diventando un incubo!!! GRAZIE! 
: perché lo zener possa compiere il suo lavoro, si deve avere
con

non è data. Inoltre, la conduzione si potrà avere solo per
, ma da che punto la si vuole far partire?
: così com'è il circuito, ho il sospetto che se non si calcola bene
, la tensione sul carico a 5 V manco ci arrivi. Quindi, secondo me, il calcolo di
senza tenere conto di
non può essere fatto.
instead of
(Anonimo).
ain't
, right?
in lieu of
.
for
arithm.

Visitano il forum: Nessuno e 50 ospiti