elektrojack ha scritto:[...] come fai a dire che il tempo di carica dell'induttanza dipenda dai giri motore?[...]
dipende dai giri del motore nello schema semplice (comparatore) che avevo in mente così come dipende esattamente nella stessa maniera nel caso di puntine meccaniche...
supponendo un duty cycle del 50%
a 15000 cioè 4 ms la carica dura circa 2 ms....
a 1500 rpm invece ne dura circa 20 di ms...
elektrojack ha scritto:[...]se si fa durare la carica dell'induttanza circa 1ms [...]
è proprio questo il punto... il monostabile non si può mettere dovrebbe "predirre" il momento di avviarsi... se lo fai partire allo zero-crossing ritardi la scintilla e sballi completamente l'anticipo del motore...ma lo hai letto
questo? Ti è chiaro il diagramma dei tempi?
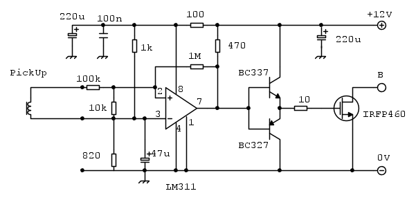
Comunque una bozza di schema potrebbe essere
dove...
* il partitore 100k/10k riduce il segnale dal pu da 100 Vpp stimati a 15000 rpm a circa 10 per rientrare nel modo comune del comparatore...
* il partitore 1k/820 fissa circa a metà alimentazione il riferimento (stiamo un po' più verso il basso perché il range in modo comune è un po' spsostato verso il basso)
* R 1M introduce un po' d'isteresi che fa sempre bene
* il pullup del comparatore 470ohm è piuttosto basso per velocizzare la commutazione
* i due BJT son un amplificatore di corrente per caricare/scaricare il gate velocemente
* la R 10ohm limita il picco della corrente di gate (per i transistor più che altro)
* i vari condensatori in giro filtrano le alimentazioni ed il riferimento (occhio al cablaggio, ogni C deve essere fisicamente dove deve lavorare, star-grounding ben fatta, il 100n va vicino all'IC....)
ci sono alcune cose che però sono da rifinire...
* il MOS mi convince poco si dovrebbe cercarne uno con la rds_on più bassa (ma la VDSmax forse è anche poca

)
* si dovrebbe fare in modo che non sia possibile che il MOS rimanga ON a motore spento
* magari una protezione almeno per le sovratensioni al drain ci starebbe bene