Cos'è ElectroYou | Login Iscriviti

ElectroYou - la comunità dei professionisti del mondo elettrico

RISOLUZIONE DI UN CIRCUITO ELETTRICO

Circuiti, campi elettromagnetici e teoria delle linee di trasmissione e distribuzione dell’energia elettrica

Moderatori: Foto Utenteg.schgor, Foto UtenteIsidoroKZ

0
voti

[1] RISOLUZIONE DI UN CIRCUITO ELETTRICO

Messaggioda Foto Utenteummo89 » 6 set 2011, 17:35

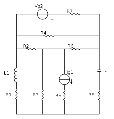
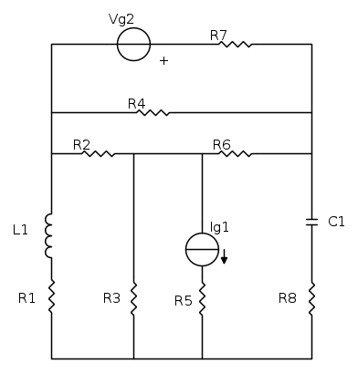
Salve a tutti , sto cercando di risolvere questo circuito , con il metodo delle maglie ( con i nodi sarebbe più semplice,ma non sono capace) , sapreste dirmi se il mio ragionameto va bene e magari aiutarmi e terminare l'esercizio visto che ad una certa mi blocco ?

Devo calcolare la tensione sull'induttore L1 per t>0.

Siccome per t<0 c'è sia un generatore in continua e uno in alternata devo fare la sovrapposizione degli effetti ,cioè prima faccio i calcoli per il circuito in corrente continua , poi faccio i calcoli per quello in alternata e sommo i valori per trovare Vc(0) e iL(0) totali.

Immagine

Abbiamo :
ω=2
Ig1(t)= (2(cos(0)+ j sin(0))= 2


SOVRAPPOSIZIONE DEGLI EFFETTI :

t<0 (CONTINUA):

Immagine

Mi devo calcolare Vc1(0) e iL1(0):

R1 i3 + R2(i3+i1)+R3 i3 = 0
R2(i3+i1)+R6 i1+ R4(i1+i2) = 0
-Vg2 + R7 i2 + R4(i2+i1) = 0

Da cui ricaviamo:

i1= - 0.352 A
i2= 0.735 A
i3 = 0.1176 A = iL(0)

Abbiamo Vc(0) = VR3 +VR6 = 3(0.1176) + 3( - 0.352) = - 0.704 V ( E' NORMALE CHE VIENE LA TENSIONE NEGATIVA ?)
____________________

t<0 ALTERNATA

Immagine

Rp = R7 // R4 = 4/3

R5(i1 +i2) + R8 i1 + (1/(jωc))i1 + R6(i1-i4) = Vg1
R5(i1+i2)+R3(i2-i3)=Vg1
Rp i4 + R2(i4+i3)+R6(i4-i1)=0
R3(i3-i2)+R1 i3 + jωL i3 + R2 (i3+i4)=0

Da cui :

8i1 + 4i2 - 3i4 - 2j i1 = Vg1
4i1 + 7 i2 - 3i3 = Vg1
(19/3)i4 + 2i3 - 3i1=0
2 i4 + 6i3 +8j i3 - 3i2 =0

Ora iniziano i problemi . . . in teoria dovrei calcolarmi i valori delle correnti e di Vg1 , per poi trovarmi iL(0) e Vc(0) da sommare con iL(0) e Vc(0) trovati con il circuito in CONTINUA in modo da trovare i loro valori totali.
Una volta fatto ciò dovrei farmi i conti per t>0 applicando Laplace.

il mio problema sta proprio nel risolvere il sistema di incognite, voi con quale metodo procedereste ?
Avatar utente
Foto Utenteummo89
0 2
 
Messaggi: 28
Iscritto il: 6 set 2011, 17:27

0
voti

[2] Re: RISOLUZIONE DI UN CIRCUITO ELETTRICO

Messaggioda Foto Utenteasdf » 6 set 2011, 17:43

Ciao Foto Utenteummo89 e benvenuto nel forum.O_/

2 consigli:

1. Per gli schemi dei circuiti usa FidocadJ, che puoi scaricare da qui:
http://davbucci.chez-alice.fr/index.php?argument=elettronica/fidocadj/fidocadj.inc&language=Italiano
Copi ed incolli nel messaggio qui sul forum il testo del circuito, lo selezioni e clicchi sul pusante fcd nella barra sovrastante.

2. Per le formule e tutte le varie espressioni matematiche usa Latex.
Questo è un editor esterno:
http://www.codecogs.com/latex/eqneditor.php
Puoi scrivere lì. Poi copi e incolli nel messaggio qui sul forum e poi selezioni e clicchi sul pulsante tex nella barra sovrastante.

Seguendo queste semplici regole sarà più facile per gli altri utenti del forum risponderti, modificare il circuito o intervenire in altri modi.

O_/ O_/
Avatar utente
Foto Utenteasdf
25,3k 8 11 13
Master EY
Master EY
 
Messaggi: 4762
Iscritto il: 11 apr 2010, 9:19

0
voti

[3] Re: RISOLUZIONE DI UN CIRCUITO ELETTRICO

Messaggioda Foto Utenteasdf » 6 set 2011, 17:48

...dimenticavo: per imparare a disegnare con fidocadj c'è questo ottimo articolo del forum:

http://www.electroyou.it/darwinne/wiki/fidocadj
Avatar utente
Foto Utenteasdf
25,3k 8 11 13
Master EY
Master EY
 
Messaggi: 4762
Iscritto il: 11 apr 2010, 9:19

0
voti

[4] Re: RISOLUZIONE DI UN CIRCUITO ELETTRICO

Messaggioda Foto Utenteummo89 » 6 set 2011, 17:53

Immagine
Immagine

Non sono sicuro se si faccia così, la cosa che mi blocca più di tutti è che non riesco a fare i calcoli perché non conosco il valore di Vg1 , qualcuno di voi con molta buona volontà è riuscisto a risolvere il circuito e spiegarmi come dovrei procedere ?

Grazie . .
Avatar utente
Foto Utenteummo89
0 2
 
Messaggi: 28
Iscritto il: 6 set 2011, 17:27

0
voti

[5] Re: RISOLUZIONE DI UN CIRCUITO ELETTRICO

Messaggioda Foto Utenteummo89 » 6 set 2011, 17:55

Non quotare tutto, grazie.

Grazie per l'accoglienza, per il prossimo post seguirò i tuoi consigli O_/
Avatar utente
Foto Utenteummo89
0 2
 
Messaggi: 28
Iscritto il: 6 set 2011, 17:27

0
voti

[6] Re: RISOLUZIONE DI UN CIRCUITO ELETTRICO

Messaggioda Foto Utenteummo89 » 8 set 2011, 16:16

L'HO RISOLTO ! ! !
Avatar utente
Foto Utenteummo89
0 2
 
Messaggi: 28
Iscritto il: 6 set 2011, 17:27

0
voti

[7] Re: RISOLUZIONE DI UN CIRCUITO ELETTRICO

Messaggioda Foto Utenteasdf » 8 set 2011, 16:18

Complimenti :ok:
Avatar utente
Foto Utenteasdf
25,3k 8 11 13
Master EY
Master EY
 
Messaggi: 4762
Iscritto il: 11 apr 2010, 9:19

0
voti

[8] Re: RISOLUZIONE DI UN CIRCUITO ELETTRICO

Messaggioda Foto UtenteRenzoDF » 8 set 2011, 16:27

ummo89 ha scritto:L'HO RISOLTO ! ! !

Puoi postare il risultato? Grazie!
"Il circuito ha sempre ragione" (Luigi Malesani)
Avatar utente
Foto UtenteRenzoDF
55,9k 8 12 13
G.Master EY
G.Master EY
 
Messaggi: 13189
Iscritto il: 4 ott 2008, 9:55

0
voti

[9] Re: RISOLUZIONE DI UN CIRCUITO ELETTRICO

Messaggioda Foto UtenteIsidoroKZ » 8 set 2011, 20:47

Visto che vai di maglie, avrei usato un po' di equivalenti Thevenin che semplificano sempre la vita!

Il vantaggio di FidocadJ e` che posso prendere il tuo schema, modificarlo per far vedere la mia soluzione, con le immagini non si puo` :(
Per usare proficuamente un simulatore, bisogna sapere molta più elettronica di lui
Plug it in - it works better!
Il 555 sta all'elettronica come Arduino all'informatica! (entrambi loro malgrado)
Se volete risposte rispondete a tutte le mie domande
Avatar utente
Foto UtenteIsidoroKZ
121,2k 1 3 8
G.Master EY
G.Master EY
 
Messaggi: 21059
Iscritto il: 17 ott 2009, 0:00

0
voti

[10] Re: RISOLUZIONE DI UN CIRCUITO ELETTRICO

Messaggioda Foto Utenteasdf » 8 set 2011, 21:05

Il vantaggio di FidocadJ e` che posso prendere il tuo schema, modificarlo per far vedere la mia soluzione, con le immagini non si puo


Mosso dalla curiosità di conoscere la tua risoluzione, Foto UtenteIsidoroKZ, ho postato per te il circuito con Fidocadj ;-) :

Avatar utente
Foto Utenteasdf
25,3k 8 11 13
Master EY
Master EY
 
Messaggi: 4762
Iscritto il: 11 apr 2010, 9:19

Prossimo

Torna a Elettrotecnica generale

Chi c’è in linea

Visitano il forum: Nessuno e 46 ospiti